АУДИОВИЗУАЛЬНАЯ СИСТЕМА (для моделей с радиоприемником с дисплеем) Цепь переключателей на рулевом колесе

ОПИСАНИЕ


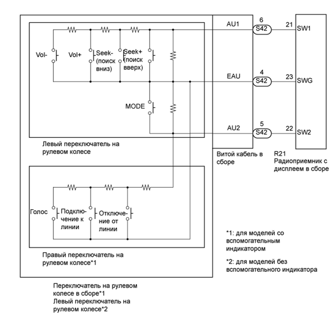
Эта цепь служит для передачи сигнала управления от переключателя на рулевом колесе в сборе*1 или левого переключателя на рулевом колесе*2 в радиоприемник с дисплеем в сборе.

При обрыве в цепи управлять аудиосистемой с помощью переключателя на рулевом колесе в сборе*1 или левого переключателя на рулевом колесе*2 невозможно.

При коротком замыкании в цепи результат такой же, как если бы переключатель был постоянно нажат.

Соответственно, управление радиоприемником с дисплеем в сборе с помощью переключателя на рулевом колесе в сборе*1 или левого переключателя на рулевом колесе*2 оказывается невозможным, а сам радиоприемник с дисплеем в сборе не может функционировать.

СХЕМА ЭЛЕКТРИЧЕСКИХ СОЕДИНЕНИЙ

A01E31HE04

ПОСЛЕДОВАТЕЛЬНОСТЬ ПРОВЕРКИ

CAUTION:

Автомобиль оборудован дополнительной системой пассивной безопасности (SRS), включающей в себя подушки безопасности. Прежде чем приступать к обслуживанию (в том числе снятию или установке деталей), изучите информацию о мерах безопасности для системы SRS (см. стр. Click here).

ПОРЯДОК ВЫПОЛНЕНИЯ


  1. ПРОВЕРЬТЕ ПЕРЕКЛЮЧАТЕЛИ НА РУЛЕВОМ КОЛЕСЕ


    • *1: для моделей со вспомогательным индикатором

    • *2: для моделей без вспомогательного индикатора


    1. Снимите переключатель на рулевом колесе в сборе*1 или левый переключатель на рулевом колесе*2 (см. стр. Click here).

    2. Проверьте переключатель на рулевом колесе в сборе*1 или левый переключатель на рулевом колесе*2 (см. стр. Click here).


    NG
    OK
  2. ПРОВЕРЬТЕ ВИТОЙ КАБЕЛЬ В СБОРЕ


    1. Снимите витой кабель в сборе (см. стр. Click here).

    2. Проверьте витой кабель в сборе (см. стр. Click here).


    NG
    OK
  3. ПРОВЕРЬТЕ ЖГУТ ПРОВОДОВ И РАЗЪЕМ (РАДИОПРИЕМНИК С ДИСПЛЕЕМ В СБОРЕ - ВИТОЙ КАБЕЛЬ В СБОРЕ)


    1. Отсоедините разъем R21 радиоприемника с дисплеем в сборе.

    2. Отсоедините разъем S42 витого кабеля в сборе.

    3. Измерьте сопротивление в соответствии со значениями, приведенными в таблице ниже.

      Номинальное сопротивление
      Подключение диагностического прибора Условие Заданные условия
      R21-21 (SW1) - S42-6 (AU1) Всегда Менее 1 Ом
      R21-22 (SW2) - S42-5 (AU2)
      R21-23 (SWG) - S42-4 (EAU)
      R21-21 (SW1) - масса Всегда 10 кОм или более
      R21-22 (SW2) - масса
      R21-23 (SWG) - масса

    NG
    OK