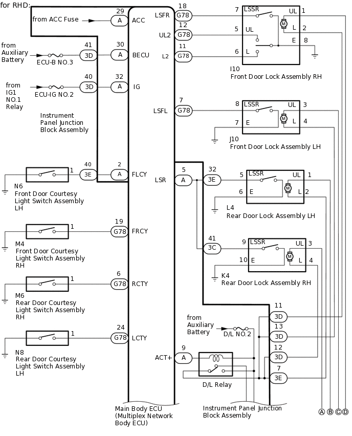
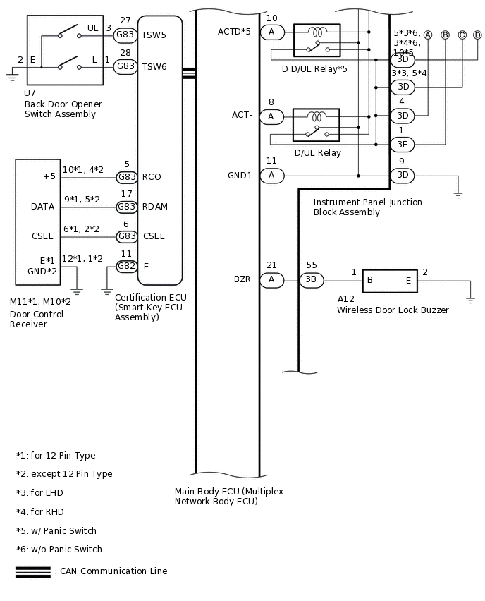
WIRELESS DOOR LOCK CONTROL SYSTEM SYSTEM DIAGRAM

  1. Power Door Lock Control System

    B336418E16
    B336418E18
    B343406E02
    B438298E05
    B461015E02