PRE-CRASH SAFETY SYSTEM, Diagnostic DTC:C1A4B

DTC Code DTC Name
C1A4B Stop Light Relay Circuit

DESCRIPTION

The brake booster with master cylinder assembly (skid control ECU) sends a stop light operation signal to the stop light switch assembly. When the brake booster with master cylinder assembly (skid control ECU) detects a malfunction in the stop light circuit, the driving support ECU assembly stores DTC C1A4B.

DTC No.

Detection Item

DTC Detection Condition

Trouble Area

C1A4B

Stop Light Relay Circuit

Either of the following conditions is met:

  • When the power switch on (IG), the IG1 terminal voltage is between 11 to 14 V and the stop light illumination output signal (STPO) is output, the signal is not received at terminal STP for 0.3 seconds or more.

  • When the power switch on (IG), the IG1 terminal voltage is between 11 to 14 V and the stop light illumination output signal (STPO) is not output, the signals received at terminals STP and STP2 are different for 0.3 seconds or more.

  • Lighting system

  • Electronically controlled brake system

  • Harness or connector

  • Stop light switch assembly

  • Brake booster with master cylinder assembly (skid control ECU)

  • Entry and start system

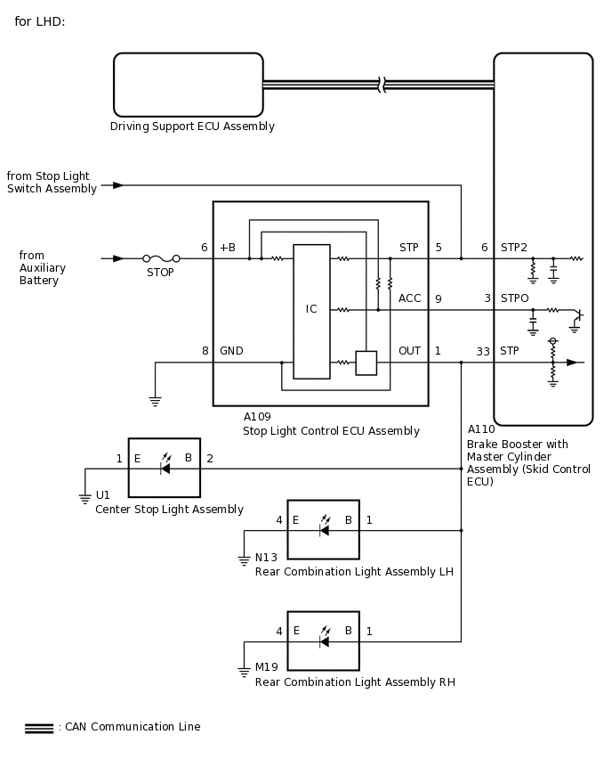
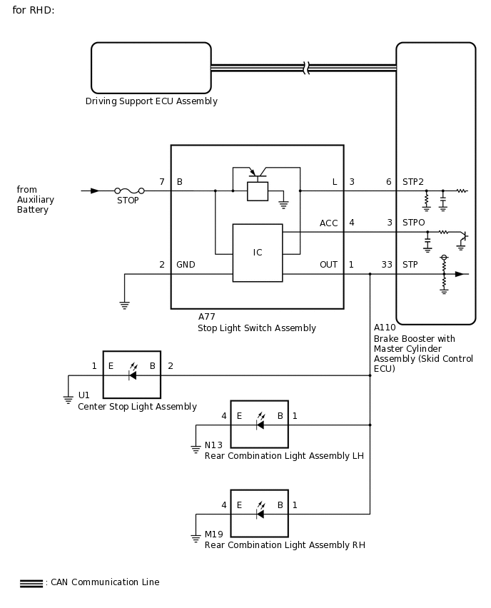
WIRING DIAGRAM

E331233E05
E337398E04

CAUTION / NOTICE / HINT

Note:
  • Inspect the fuses for circuits related to this system before performing the following procedure.

  • When replacing the brake booster with master cylinder assembly (skid control ECU), perform zero point calibration.

    Click here

  • When the entry and start function does not operate, check the entry and start system (start function).

    Click here

PROCEDURE

  1. CHECK STOP LIGHT OPERATION

    1. Check that the stop lights come on when the brake pedal is depressed and go off when the brake pedal is released.

      OK

      Condition

      Illumination Condition

      Brake pedal depressed

      On

      Brake pedal released

      Off

    Result

    Result

    Proceed to

    OK (for LHD)

    A

    OK (for RHD)

    B

    NG

    C

    B

    CHECK HARNESS AND CONNECTOR (STPO TERMINAL VOLTAGE)Click here

    C

    GO TO LIGHTING SYSTEM

    A
  2. CHECK HARNESS AND CONNECTOR (STPO TERMINAL VOLTAGE)

    1. Turn the power switch off.

    2. E298291C33

      *a

      Front view of wire harness connector

      (to Brake Booster with Master Cylinder Assembly [Skid Control ECU])

      Disconnect the brake booster with master cylinder assembly (skid control ECU) connector.

    3. Measure the voltage according to the value(s) in the table below.

      Standard Voltage

      Tester Connection

      Condition

      Specified Condition

      A110-3 (STPO) - Body ground

      Always

      11 to 14 V

    Result

    Proceed to

    OK

    NG

    NG

    CHECK HARNESS AND CONNECTOR (STOP LIGHT CONTROL ECU ASSEMBLY - BRAKE BOOSTER WITH MASTER CYLINDER ASSEMBLY [SKID CONTROL ECU])Click here

    OK
  3. PERFORM ACTIVE TEST USING GTS (STOP LIGHT RELAY)

    1. Enter the following menus: Chassis / ABS/VSC/TRC / Active Test.

    2. Perform "Active Test" according to the display on GTS.

      Chassis > ABS/VSC/TRC > Active Test

      Tester Display

      Measurement Item

      Control Range

      Diagnostic Note

      Stop Light Relay

      Stop lights

      ON or OFF

      Test possible at vehicle speed of 0 km/h (0 mph)

      Chassis > ABS/VSC/TRC > Active Test

      Tester Display

      Stop Light Relay

    3. Enter the following menus: Chassis / ABS/VSC/TRC / Data List.

    4. Check the stop light switch assembly operation using the Data List and stop light operation by performing an Active Test.

      Chassis > ABS/VSC/TRC > Data List

      Tester Display

      Measurement Item

      Range

      Normal Condition

      Diagnostic Note

      Stop Light Relay Output

      Stop light control relay output

      ON or OFF

      ON: Relay output on (Stop light on)

      OFF: Relay output off (Stop light off)

      -

      Chassis > ABS/VSC/TRC > Data List

      Tester Display

      Stop Light Relay

    Result

    Result

    Proceed to

    When Active Test performed, Data List item not changes between ON and OFF

    A

    When Active Test performed, Data List item changes between ON and OFF and stop lights turn on and off

    B

    B

    CHECK HARNESS AND CONNECTOR (STOP LIGHT CONTROL ECU ASSEMBLY - BRAKE BOOSTER WITH MASTER CYLINDER ASSEMBLY [SKID CONTROL ECU])Click here

    A
  4. INSPECT BRAKE BOOSTER WITH MASTER CYLINDER ASSEMBLY (SKID CONTROL ECU)

    1. Enter the following menus: Chassis / ABS/VSC/TRC / Active Test.

    2. Perform "Active Test" according to the display on GTS.

      Chassis > ABS/VSC/TRC > Active Test

      Tester Display

      Measurement Item

      Control Range

      Diagnostic Note

      Stop Light Relay

      Stop lights

      ON or OFF

      Test possible at vehicle speed of 0 km/h (0 mph)

      Chassis > ABS/VSC/TRC > Active Test

      Tester Display

      Stop Light Relay

    3. E173013C19

      *a

      Component with harness connected

      (Stop Light Control ECU Assembly)

      Measure the voltage according to the value(s) in the table below.

      Standard Voltage

      Tester Connection

      Condition

      Specified Condition

      A109-9 (ACC) - Body ground

      Active test is OFF

      11 to 14 V

      A109-9 (ACC) - Body ground

      Active test is ON

      Below 1.5 V

    Result

    Proceed to

    OK

    NG

    NG

    REPLACE BRAKE BOOSTER WITH MASTER CYLINDER ASSEMBLY (SKID CONTROL ECU)

    OK
  5. REPLACE STOP LIGHT CONTROL ECU ASSEMBLY

    1. Replace the stop light control ECU assembly.

      Click here

    Result

    Proceed to

    NEXT

    NEXT
  6. CHECK FOR DTC

    1. Clear the DTCs.

      Click here

      Chassis > ABS/VSC/TRC > Clear DTCs

    2. Enter the following menus: Chassis / ABS/VSC/TRC / Active Test.

      Tip:

      If the detection conditions are not met, the system cannot detect the malfunction.

      • Using the GTS, perform the Active Test "Stop Light Relay" with the power switch on (IG).

    3. Perform "Active Test" according to the display on the GTS.

      Chassis > ABS/VSC/TRC > Active Test

      Tester Display

      Measurement Item

      Control Range

      Diagnostic Note

      Stop Light Relay

      Stop lights

      ON or OFF

      Test possible at vehicle speed of 0 km/h (0 mph)

      Chassis > ABS/VSC/TRC > Active Test

      Tester Display

      Stop Light Relay

    4. Check for DTCs.

      Click here

      Chassis > ABS/VSC/TRC > Trouble Codes

      Result

      Result

      Proceed to

      DTC C1380 is output

      A

      DTC C1380 is not output

      B

    A

    GO TO DTC C1380

    B

    END (STOP LIGHT CONTROL ECU ASSEMBLY WAS DEFECTIVE)

  7. CHECK HARNESS AND CONNECTOR (STOP LIGHT CONTROL ECU ASSEMBLY - BRAKE BOOSTER WITH MASTER CYLINDER ASSEMBLY [SKID CONTROL ECU])

    1. Disconnect the A110 brake booster with master cylinder assembly (skid control ECU) connector.

    2. Disconnect the A109 stop light control ECU assembly connector.

    3. Measure the resistance according to the value(s) in the table below.

      Standard Resistance

      Tester Connection

      Condition

      Specified Condition

      A110-33 (STP) - A109-1 (OUT)

      Always

      Below 1 Ω

      A110-33 (STP) or A109-1 (OUT) - Body ground

      Always

      10 kΩ or higher

    Result

    Proceed to

    OK

    NG

    NG

    REPAIR OR REPLACE HARNESS OR CONNECTOR

    OK
  8. REPLACE BRAKE BOOSTER WITH MASTER CYLINDER ASSEMBLY (SKID CONTROL ECU)

    1. Replace the brake booster with master cylinder assembly (skid control ECU).

      Click here

    Result

    Proceed to

    NEXT

    NEXT

    CHECK FOR DTCClick here

  9. CHECK HARNESS AND CONNECTOR (STOP LIGHT CONTROL ECU ASSEMBLY - BRAKE BOOSTER WITH MASTER CYLINDER ASSEMBLY [SKID CONTROL ECU])

    1. Disconnect the A110 brake booster with master cylinder assembly (skid control ECU) connector.

    2. Disconnect the A109 stop light control ECU assembly connector.

    3. Measure the resistance according to the value(s) in the table below.

      Standard Resistance

      Tester Connection

      Condition

      Specified Condition

      A110-3 (STPO) - A109-9 (ACC)

      Always

      Below 1 Ω

      A110-3 (STPO) or A109-9 (ACC) - Body ground

      Always

      10 kΩ or higher

    Result

    Proceed to

    OK

    NG

    NG

    REPAIR OR REPLACE HARNESS OR CONNECTOR

    OK
  10. REPLACE BRAKE BOOSTER WITH MASTER CYLINDER ASSEMBLY (SKID CONTROL ECU)

    1. Replace the brake booster with master cylinder assembly (skid control ECU).

      Click here

    Result

    Proceed to

    NEXT

    NEXT

    CHECK FOR DTCClick here

  11. CHECK HARNESS AND CONNECTOR (STPO TERMINAL VOLTAGE)

    1. Turn the power switch off.

    2. E298291C32

      *a

      Front view of wire harness connector

      (to Brake Booster with Master Cylinder Assembly [Skid Control ECU])

      Disconnect the brake booster with master cylinder assembly (skid control ECU) connector.

    3. Measure the voltage according to the value(s) in the table below.

      Standard Voltage

      Tester Connection

      Condition

      Specified Condition

      A110-3 (STPO) - Body ground

      Always

      11 to 14 V

    Result

    Proceed to

    OK

    NG

    NG

    CHECK HARNESS AND CONNECTOR (STOP LIGHT SWITCH ASSEMBLY - BRAKE BOOSTER WITH MASTER CYLINDER ASSEMBLY [SKID CONTROL ECU])Click here

    OK
  12. PERFORM ACTIVE TEST USING GTS (STOP LIGHT RELAY)

    1. Enter the following menus: Chassis / ABS/VSC/TRC / Active Test.

    2. Perform "Active Test" according to the display on GTS.

      Chassis > ABS/VSC/TRC > Active Test

      Tester Display

      Measurement Item

      Control Range

      Diagnostic Note

      Stop Light Relay

      Stop lights

      ON or OFF

      Test possible at vehicle speed of 0 km/h (0 mph)

      Chassis > ABS/VSC/TRC > Active Test

      Tester Display

      Stop Light Relay

    3. Enter the following menus: Chassis / ABS/VSC/TRC / Data List.

    4. Check the stop light switch assembly operation using the Data List and stop light operation by performing an Active Test.

      Chassis > ABS/VSC/TRC > Data List

      Tester Display

      Measurement Item

      Range

      Normal Condition

      Diagnostic Note

      Stop Light Relay Output

      Stop light control relay output

      ON or OFF

      ON: Relay output on (Stop light on)

      OFF: Relay output off (Stop light off)

      -

      Chassis > ABS/VSC/TRC > Data List

      Tester Display

      Stop Light Relay

    Result

    Result

    Proceed to

    When Active Test performed, Data List item not changes between ON and OFF

    A

    When Active Test performed, Data List item changes between ON and OFF and stop lights turn on and off

    B

    B

    CHECK HARNESS AND CONNECTOR (STOP LIGHT SWITCH ASSEMBLY - BRAKE BOOSTER WITH MASTER CYLINDER ASSEMBLY [SKID CONTROL ECU])Click here

    A
  13. INSPECT BRAKE BOOSTER WITH MASTER CYLINDER ASSEMBLY (SKID CONTROL ECU)

    1. Enter the following menus: Chassis / ABS/VSC/TRC / Active Test.

    2. Perform "Active Test" according to the display on GTS.

      Chassis > ABS/VSC/TRC > Active Test

      Tester Display

      Measurement Item

      Control Range

      Diagnostic Note

      Stop Light Relay

      Stop lights

      ON or OFF

      Test possible at vehicle speed of 0 km/h (0 mph)

      Chassis > ABS/VSC/TRC > Active Test

      Tester Display

      Stop Light Relay

    3. E337400C01

      *a

      Component with harness connected

      (Stop Light Switch Assembly)

      Measure the voltage according to the value(s) in the table below.

      Standard Voltage

      Tester Connection

      Condition

      Specified Condition

      A77-4 (ACC) - Body ground

      Active test is OFF

      11 to 14 V

      A77-4 (ACC) - Body ground

      Active test is ON

      Below 1.5 V

    Result

    Proceed to

    OK

    NG

    NG

    REPLACE BRAKE BOOSTER WITH MASTER CYLINDER ASSEMBLY (SKID CONTROL ECU)

    OK
  14. REPLACE STOP LIGHT SWITCH ASSEMBLY

    1. Replace the stop light switch assembly.

      Click here

    Result

    Proceed to

    NEXT

    NEXT
  15. CHECK FOR DTC

    1. Clear the DTCs.

      Click here

      Chassis > ABS/VSC/TRC > Clear DTCs

    2. Enter the following menus: Chassis / ABS/VSC/TRC / Active Test.

      Tip:

      If the detection conditions are not met, the system cannot detect the malfunction.

      • Using the GTS, perform the Active Test "Stop Light Relay" with the power switch on (IG).

    3. Perform "Active Test" according to the display on the GTS.

      Chassis > ABS/VSC/TRC > Active Test

      Tester Display

      Measurement Item

      Control Range

      Diagnostic Note

      Stop Light Relay

      Stop lights

      ON or OFF

      Test possible at vehicle speed of 0 km/h (0 mph)

      Chassis > ABS/VSC/TRC > Active Test

      Tester Display

      Stop Light Relay

    4. Check for DTCs.

      Click here

      Chassis > ABS/VSC/TRC > Trouble Codes

      Result

      Result

      Proceed to

      DTC C1380 is output

      A

      DTC C1380 is not output

      B

    A

    GO TO DTC C1380

    B

    END (STOP LIGHT SWITCH ASSEMBLY WAS DEFECTIVE)

  16. CHECK HARNESS AND CONNECTOR (STOP LIGHT SWITCH ASSEMBLY - BRAKE BOOSTER WITH MASTER CYLINDER ASSEMBLY [SKID CONTROL ECU])

    1. Disconnect the A110 brake booster with master cylinder assembly (skid control ECU) connector.

    2. Disconnect the A77 stop light switch assembly connector.

    3. Measure the resistance according to the value(s) in the table below.

      Standard Resistance

      Tester Connection

      Condition

      Specified Condition

      A110-33 (STP) - A77-1 (OUT)

      Always

      Below 1 Ω

    Result

    Proceed to

    OK

    NG

    NG

    REPAIR OR REPLACE HARNESS OR CONNECTOR

    OK
  17. REPLACE BRAKE BOOSTER WITH MASTER CYLINDER ASSEMBLY (SKID CONTROL ECU)

    1. Replace the brake booster with master cylinder assembly (skid control ECU).

      Click here

    Result

    Proceed to

    NEXT

    NEXT

    CHECK FOR DTCClick here

  18. CHECK HARNESS AND CONNECTOR (STOP LIGHT SWITCH ASSEMBLY - BRAKE BOOSTER WITH MASTER CYLINDER ASSEMBLY [SKID CONTROL ECU])

    1. Disconnect the A110 brake booster with master cylinder assembly (skid control ECU) connector.

    2. Disconnect the A77 stop light switch assembly connector.

    3. Measure the resistance according to the value(s) in the table below.

      Standard Resistance

      Tester Connection

      Condition

      Specified Condition

      A110-3 (STPO) - A77-4 (ACC)

      Always

      Below 1 Ω

      A110-3 (STPO) or A77-4 (ACC) - Body ground

      Always

      10 kΩ or higher

    Result

    Proceed to

    OK

    NG

    NG

    REPAIR OR REPLACE HARNESS OR CONNECTOR

    OK
  19. REPLACE STOP LIGHT SWITCH ASSEMBLY

    1. Replace the stop light switch assembly.

      Click here

    Result

    Proceed to

    NEXT

    NEXT

    CHECK FOR DTCClick here