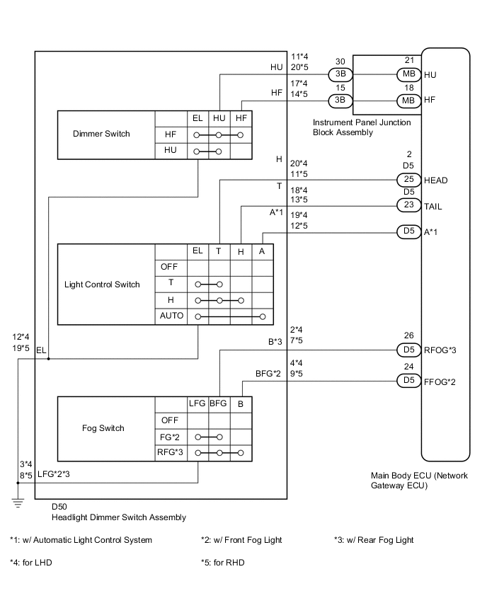
LIGHTING SYSTEM Headlight Dimmer Switch Circuit

DESCRIPTION

The main body ECU (network gateway ECU) receives the following signals:


WIRING DIAGRAM

A004KH1E02

PROCEDURE


  1. READ VALUE USING GTS (HEADLIGHT DIMMER SWITCH ASSEMBLY)


    1. Connect the GTS to the DLC3.

    2. Turn the ignition switch to ON.

    3. Turn the GTS on.

    4. Enter the following menus: Body Electrical / Main Body / Data List.

    5. Read the display on the GTS.

      Main Body
      Tester Display Measurement Item/Range Normal Condition Diagnostic Note
      Dimmer SW Dimmer switch high position signal / ON or OFF

      ON: Dimmer switch in high or high flash position

      OFF: Dimmer switch in low position

      -
      Passing Light SW Dimmer switch high flash position (pass) signal / ON or OFF

      ON: Dimmer switch in high flash position

      OFF: Dimmer switch not in high flash position

      -
      Rear Fog Light SW*3 Rear fog light switch signal / ON or OFF

      ON: Rear fog light switch on

      OFF: Rear fog light switch off

      -
      Front Fog Light SW*2 Front fog light switch signal / ON or OFF

      ON: Front fog light switch on

      OFF: Front fog light switch off

      -
      Auto Light SW*1 Light control switch AUTO position signal / ON or OFF

      ON: Light control switch in AUTO position

      OFF: Light control switch not in AUTO position

      -
      Head Light SW (Head) Light control switch head position signal / ON or OFF

      ON: Light control switch in head position

      OFF: Light control switch not in head position

      -
      Head Light SW (Tail) Light control switch tail position signal / ON or OFF

      ON: Light control switch in tail or head position

      OFF: Light control switch in neither tail nor head position

      -
      Lighting Hi Light control switch head (Hi) position signal / ON or OFF

      ON: Headlight high beam on

      OFF: Headlight high beam off

      -

      • *1: w/ Automatic Light Control System

      • *2: w/ Front Fog Light

      • *3: w/ Rear Fog Light

      OK
      The display is as specified in the normal condition column.
      Result
      Result Proceed to
      OK A
      NG (Dimmer switch) B
      NG (Fog switch and light control switch) C

    A
    C
    B
  2. INSPECT HEADLIGHT DIMMER SWITCH ASSEMBLY


    1. Remove the headlight dimmer switch assembly Click here.

    2. Inspect the headlight dimmer switch assembly Click here.


    NG
    OK
  3. CHECK HARNESS AND CONNECTOR (HEADLIGHT DIMMER SWITCH ASSEMBLY - JUNCTION BLOCK ASSEMBLY, BODY GROUND)


    1. Disconnect the 3B junction block assembly connector.

    2. Measure the resistance according to the value(s) in the table below.

      Standard Resistance (Check for Open)
      for LHD
      Tester Connection Condition Specified Condition
      D50-17 (HF) - 3B-15 Always Below 1 Ω
      D50-11 (HU) - 3B-30 Always Below 1 Ω
      D50-12 (EL) - Body ground Always Below 1 Ω
      for RHD
      Tester Connection Condition Specified Condition
      D50-14 (HF) - 3B-15 Always Below 1 Ω
      D50-20 (HU) - 3B-30 Always Below 1 Ω
      D50-19 (EL) - Body ground Always Below 1 Ω
      Standard Resistance (Check for Short)
      for LHD
      Tester Connection Condition Specified Condition
      D50-17 (HF) - Body ground Always 10 kΩ or higher
      D50-11 (HU) - Body ground*1 Always 10 kΩ or higher
      for RHD
      Tester Connection Condition Specified Condition
      D50-14 (HF) - Body ground Always 10 kΩ or higher
      D50-20 (HU) - Body ground*1 Always 10 kΩ or higher

    OK
    NG
  4. INSPECT HEADLIGHT DIMMER SWITCH ASSEMBLY


    1. Remove the headlight dimmer switch assembly Click here.

    2. Inspect the headlight dimmer switch assembly Click here.


    NG
    OK
  5. CHECK HARNESS AND CONNECTOR (HEADLIGHT DIMMER SWITCH ASSEMBLY - MAIN BODY ECU (NETWORK GATEWAY ECU))


    1. Disconnect the D5 main body ECU (network gateway ECU) connector.

    2. Measure the resistance according to the value(s) in the table below.

      Standard Resistance (Check for Open)
      for LHD
      Tester Connection Condition Specified Condition
      D50-2 (B) - D5-26 (RFOG)*3 Always Below 1 Ω
      D50-4 (BFG) - D5-24 (FFOG)*2 Always Below 1 Ω
      D50-20 (H) - D5-2 (HEAD) Always Below 1 Ω
      D50-19 (A) - D5-23 (A)*1 Always Below 1 Ω
      D50-18 (T) - D5-25 (TAIL) Always Below 1 Ω
      D50-12 (EL) - Body ground Always Below 1 Ω
      D50-3 (LFG) - Body ground Always Below 1 Ω
      for RHD
      Tester Connection Condition Specified Condition
      D50-7 (B) - D5-26 (RFOG)*3 Always Below 1 Ω
      D50-9 (BFG) - D5-24 (FFOG)*2 Always Below 1 Ω
      D50-11 (H) - D5-2 (HEAD) Always Below 1 Ω
      D50-12 (A) - D5-23 (A)*1 Always Below 1 Ω
      D50-13 (T) - D5-25 (TAIL) Always Below 1 Ω
      D50-19 (EL) - Body ground Always Below 1 Ω
      D50-8 (LFG) - Body ground Always Below 1 Ω
      Standard Resistance (Check for Short)
      for LHD
      Tester Connection Condition Specified Condition
      D50-2 (B)*3 - Body ground Always 10 kΩ or higher
      D50-4 (BFG)*2 - Body ground Always 10 kΩ or higher
      D50-20 (H) - Body ground Always 10 kΩ or higher
      D50-19 (A)*1 - Body ground Always 10 kΩ or higher
      D50-18 (T) - Body ground Always 10 kΩ or higher
      for RHD
      Tester Connection Condition Specified Condition
      D50-7 (B)*3 - Body ground Always 10 kΩ or higher
      D50-9 (BFG)*2 - Body ground Always 10 kΩ or higher
      D50-11 (H) - Body ground Always 10 kΩ or higher
      D50-12 (A)*1 - Body ground Always 10 kΩ or higher
      D50-13 (T) - Body ground Always 10 kΩ or higher

      • *1: w/ Automatic Light Control System

      • *2: w/ Front Fog Light

      • *3: w/ Rear Fog Light


    OK
    NG