PARKING ASSIST MONITOR SYSTEM(w/o Parallel Parking Assist Function) Black Screen

DESCRIPTION

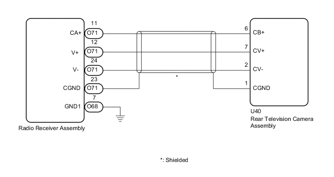
The video signal from the rear television camera assembly is transmitted to the radio receiver assembly.

WIRING DIAGRAM

A01WYQHE31

CAUTION / NOTICE / HINT

Note


  • If the cable was disconnected from and reconnected to the negative (-) battery terminal, the estimated course lines may not be displayed on the image of the area behind the vehicle. In this case, perform "Correct the Steering Angle Neutral Point".

    Click here

  • Depending on the parts that are replaced or operations that are performed during vehicle inspection or maintenance, calibration of other systems as well as the parking assist monitor system may be needed.

    Click here

PROCEDURE


  1. CHECK HARNESS AND CONNECTOR (REAR TELEVISION CAMERA ASSEMBLY - RADIO RECEIVER ASSEMBLY)

    Result
    Proceed to
    OK
    NG

    1. Disconnect the O57 radio receiver assembly connector.

    2. Disconnect the U40 luggage electrical key switch connector.

    3. Measure the resistance according to the value(s) in the table below.

      Standard Resistance
      Tester Connection Condition Specified Condition
      O57-39 (CA+) - U40-6 (CB+) Always Below 1 Ω
      O57-18 (V+) - U40-7 (CV+) Always Below 1 Ω
      O57-19 (V-) - U40-2 (CV-) Always Below 1 Ω
      O57-40 (CGND) - U40-1 (CGND) Always Below 1 Ω
      O57-39 (CA+) - Body ground Always 10 kΩ or higher
      O57-18 (V+) - Body ground Always 10 kΩ or higher
      O57-19 (V-) - Body ground Always 10 kΩ or higher
      O57-40 (CGND) - Body ground Always 10 kΩ or higher
      Result
      Proceed to
      OK
      NG

    NG
    OK
  2. INSPECT RADIO RECEIVER ASSEMBLY (CA+, CGND)

    Result
    Proceed to
    OK
    NG

    1. Reconnect the O57 radio receiver assembly connector.

    2. B004F08C40
      *a

      Component with harness connected

      (Radio Receiver Assembly)

      Measure the resistance according to the value(s) in the table below.

      Standard Resistance
      Tester Connection Condition Specified Condition
      O57-40 (CGND) - Body ground Always Below 1 Ω
    3. Measure the voltage according to the value(s) in the table below.

      Standard Voltage
      Tester Connection Condition Specified Condition
      O57-39 (CA+) - O57-40 (CGND) Power switch on (ACC) 5.5 to 7.05 V
      Result
      Proceed to
      OK
      NG

    NG
    OK
  3. INSPECT RADIO RECEIVER ASSEMBLY (V+, GND1)

    Result
    Proceed to
    OK
    NG

    1. Reconnect the U40 luggage electrical key switch connector.

    2. Reconnect the A rear television camera assembly connector.

    3. B004F08C41
      *a

      Component with harness connected

      (Radio Receiver Assembly)

      B004EGYC05
      *a Waveform 1 (camera lens is not covered, displaying an image)
      *b Waveform 2 (camera lens is covered, blacking out the screen)
      *c Synchronization Signal
      *d Video Waveform

      Using an oscilloscope, check the waveform of the rear television camera assembly.

      Tech Tips

      A waterproof connector is used for the rear television camera assembly. Therefore, inspect the waveform at the radio receiver assembly with the connector connected.

      OK
      Waveform is similar to that shown in the illustration.
      Item Content
      Measurement terminal O57-18 (V+) - O57-12 (GND1)
      Measurement setting 200 mV/DIV., 50 μs./DIV.
      Condition Power switch on (IG), shift lever in R

      Tech Tips

      The video waveform changes according to the image sent by the rear television camera assembly.

      Result
      Proceed to
      OK
      NG

    NG
    OK
  4. REPLACE RADIO RECEIVER ASSEMBLY


    1. Replace the radio receiver assembly with a new or known good one.

      Click here

    2. Check that the parking assist monitor system operates normally.

      OK
      Parking assist monitor system operates normally.
      Result
      Proceed to
      OK
      NG

    OK
    NG