СИСТЕМА SFI, диагностический DTC:P011011

Код DTC Наименование DTC
P011011 Датчик температуры воздуха на впуске 1, ряд 1 — цепь, короткое замыкание на массу

ОПИСАНИЕ

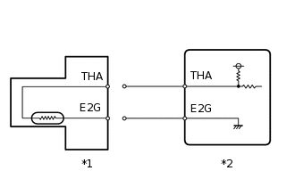
A293042E01

Датчик температуры воздуха на впуске, смонтированный в датчике массового расхода воздуха, контролирует температуру воздуха на впуске. В датчик температуры воздуха на впуске встроен термистор, сопротивление которого изменяется в зависимости от температуры воздуха на впуске. При понижении температуры воздуха на впуске сопротивление термистора увеличивается. Когда температура повышается, сопротивление падает. Данные колебания сопротивления передаются в ECM в качестве изменения напряжения (см. рис. 1).

На датчик температуры воздуха на впуске подается напряжение 5 В с контакта THA блока ECM через резистор R.

Резистор R и датчик температуры воздуха на впуске соединены последовательно. В результате изменения величины сопротивления датчика температуры воздуха на впуске, вызываемого изменением температуры воздуха на впуске, меняется напряжение на контакте THA. На основе этого сигнала ECM увеличивает объем впрыска топлива с целью улучшения ходовых качеств автомобиля при холодном двигателе.

Tip:

При регистрации кода DTC P011011 ECM переходит в аварийный режим работы. Во время работы в аварийном режиме ЕСМ принимает в расчет значение температуры воздуха на впуске, равное 20°C (68°F). Аварийный режим работы продолжается до тех пор, пока не будет обнаружено нормальное состояние и пока зажигание не будет выключено.

№ DTC

Неисправность

Условие обнаружения DTC

Неисправный участок

MIL

Память

Примечание

P011011

Датчик температуры воздуха на впуске 1, ряд 1 — цепь, короткое замыкание на массу

Выходное напряжение датчика температуры воздуха на впуске менее 0,142 В в течение 0,5 секунды и более (логика диагностирования за 1 поездку).

  • Короткое замыкание в цепи датчика температуры воздуха на впуске

  • Датчик температуры воздуха на впуске (датчик массового расхода воздуха в сборе)

  • ECM

Загорается

Код DTC сохраняется

Код SAE: P0112

Tip:

Если выводится этот код DTC, проверьте температуру воздуха на впуске в списке Data List. Войдите в следующие меню: Powertrain / Engine / Data List / Intake Air Temperature.

№ DTC

Intake Air Temperature

Неисправность

P011011

Выше 138°C (280°F)

Короткое замыкание на массу в цепи THA

Если в режиме Data List отображаются нормальные значения, это может указывать на временное восстановление после неисправного состояния. Проверьте, нет ли эпизодических неисправностей.

ОПИСАНИЕ РАБОТЫ СИСТЕМЫ КОНТРОЛЯ

ECM контролирует напряжение датчика и использует его значения для вычисления температуры воздуха на впуске. Если выходное напряжение датчика выходит за пределы диапазона допустимых значений, ECM определяет это как неисправность цепи датчика температуры воздуха на впуске (датчика массового расхода воздуха в сборе) и регистрирует DTC.

Пример:

Если выходное напряжение датчика температуры воздуха на впуске менее 0,142 В в течение 0,5 секунды и более, ECM регистрирует данный код DTC.

ПРИНЦИП РАБОТЫ СИСТЕМЫ КОНТРОЛЯ

Продолжительность работы

Постоянно

ПРОВЕРОЧНАЯ ПОЕЗДКА

  1. Подключите GTS к DLC3.

  2. Включите зажигание (IG).

  3. Включите GTS.

  4. Удалите коды DTC (даже если нет сохраненных DTC, выполните процедуру удаления DTC).

  5. Выключите зажигание и подождите не менее 30 с.

  6. Включите зажигание двигателя (IG).

  7. Включите GTS.

  8. Подождите не менее 0,5 с.

  9. Войдите в следующие меню: Powertrain / Engine / Trouble Codes.

  10. Считайте ожидающие обработки коды DTC.

    Tip:
    • Если выводятся ожидающие обработки DTC, система неисправна.

    • Если ожидающие обработки DTC не выводятся, выполните следующую процедуру.

  11. Войдите в следующие меню: Powertrain / Engine / Utility / All Readiness.

  12. Введите DTC: P011011.

  13. Проверьте результат проверки DTC.

    Дисплей GTS

    Описание

    NORMAL

    • Проверка DTC завершена

    • Cистема работает нормально

    ABNORMAL

    • Проверка DTC завершена

    • Нарушения в работе системы

    INCOMPLETE

    • Проверка DTC не завершена

    • Выполните поездку в проверочном режиме после создания условий регистрации DTC

    Tip:
    • Если результат проверки NORMAL, система исправна.

    • Если результат проверки показывает ABNORMAL, система неисправна.

СХЕМА ЭЛЕКТРИЧЕСКИХ СОЕДИНЕНИЙ

См. DTC P010012.

Нажмите здесьЩелкните по следующей ссылке

ПРЕДОСТЕРЕЖЕНИЕ / ПРИМЕЧАНИЕ / УКАЗАНИЕ

Tip:

С помощью GTS считайте данные фиксированного набора параметров. Одновременно с записью в память кода DTC ECM сохраняет параметры состояния автомобиля и условий движения как данные фиксированного набора параметров. При поиске неисправностей фиксированные параметры позволяют определить, двигался ли автомобиль в момент возникновения неисправности или нет, был ли прогрет двигатель, каким было соотношение воздух-топливо (обедненным или обогащенным) и пр.

ПОРЯДОК ВЫПОЛНЕНИЯ

  1. СНИМИТЕ ПОКАЗАНИЯ GTS (ПРОВЕРЬТЕ ЖГУТ ПРОВОДОВ НА КОРОТКОЕ ЗАМЫКАНИЕ)

    A410578C01

    *1

    Датчик массового расхода воздуха в сборе

    *2

    ECM

    1. Отсоедините разъем датчика массового расхода воздуха.

    2. Подключите GTS к DLC3.

    3. Включите зажигание (IG).

    4. Включите GTS.

    5. Войдите в следующие меню: Powertrain / Engine / Data List / Intake Air Temperature.

      Powertrain > Engine > Data List

      Информация на дисплее прибора

      Intake Air Temperature

    6. Снимите показания параметров в режиме Data List, отображаемые на дисплее GTS.

      OK

      Дисплей GTS

      Заданные условия

      Intake Air Temperature

      -40°C (-40°F)

      Tip:

      Выполните "Проверку после ремонта" после замены датчика массового расхода воздуха в сборе.

      Нажмите здесьЩелкните по следующей ссылке

    Результат

    Перейти к

    OK

    НЕ СООТВ.

    OK

    ЗАМЕНИТЕ ДАТЧИК МАССОВОГО РАСХОДА ВОЗДУХА В СБОРЕ

    NG
  2. ПРОВЕРЬТЕ ЖГУТ ПРОВОДОВ И РАЗЪЕМ (ДАТЧИК МАССОВОГО РАСХОДА ВОЗДУХА – ECM)

    1. Отсоедините разъем датчика массового расхода воздуха.

    2. Отсоедините разъем ECM.

    3. Измерьте сопротивление в соответствии со значениями, приведенными в таблице ниже.

      Номинальное сопротивление

      Подключение диагностического прибора

      Условие

      Заданные условия

      C30-4 (THA) или C96-102 (THA) - масса и другие контакты

      Всегда

      10 кОм или более

    Результат

    Перейти к

    OK

    НЕ СООТВ.

    NG

    ОТРЕМОНТИРУЙТЕ ИЛИ ЗАМЕНИТЕ ЖГУТ ПРОВОДОВ ИЛИ РАЗЪЕМ