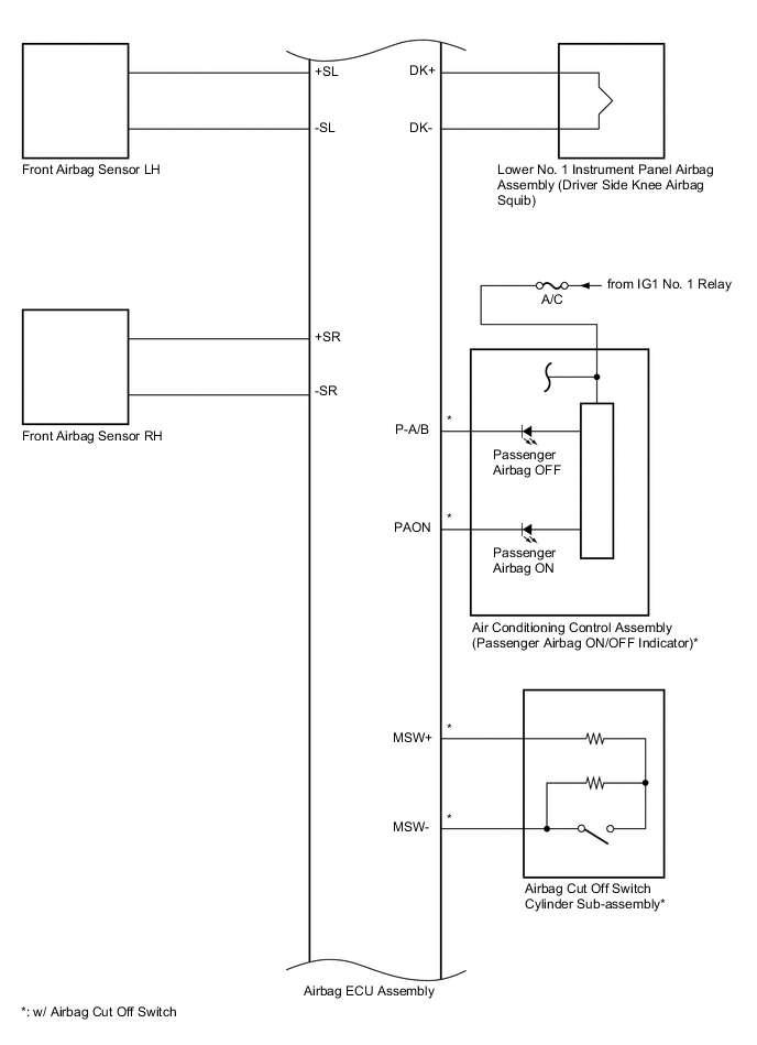
AIRBAG SYSTEM SYSTEM DIAGRAM

A005A2IE06
A005EHWE02
A005B8YE05
Communication Table

Transmitting ECU

(Transmitter)

Receiving ECU Signal Communication Method
Airbag ECU Assembly Hybrid Vehicle Control ECU
  • Crash detection signal

CAN
Combination Meter Sub-assembly
  • SRS warning light ON demand signal

  • Diagnosis signal (DTC)

Combination Meter Sub-assembly Airbag ECU Assembly Vehicle speed signal
Hybrid Vehicle Control ECU
  • Accelerator opening angle information

  • Accelerator opening angle signal

  • Shift position signal

  • Test mode signal

  • Stop signal

ECM Engine speed signal