CONTINUOUSLY VARIABLE TRANSAXLE SYSTEM(for 8NR-FTS), Diagnostic DTC:P061512

DTC Code DTC Name
P061512 Starter Relay Circuit Short to Battery

MONITOR DESCRIPTION

While the engine is being cranked, battery voltage is applied to terminal STA of the ECM.

If the ECM detects the Starter Control (STA) signal while the vehicle is being driven, it determines that there is a malfunction in the STA circuit. The ECM then illuminates the MIL and stores this DTC.

This monitor runs when the vehicle is driven at 20 km/h (12 mph) or more for 20 seconds.

DTC No.

Detection Item

DTC Detection Condition

Trouble Area

MIL

Memory

Note

P061512

Starter Relay Circuit Short to Battery

1. Diagnosis Condition 2. Malfunction Status 3. Malfunction Time 4. Other

  1. Battery voltage of 10.5 V or more applied to the ECM

  2. Conditions (a), (b) and (c) are met:

    1. Vehicle speed of 20 km/h (12 mph) or more

    2. Engine speed higher than 1000 rpm

    3. STA signal ON

  3. 20 seconds

  4. 1-trip detection logic

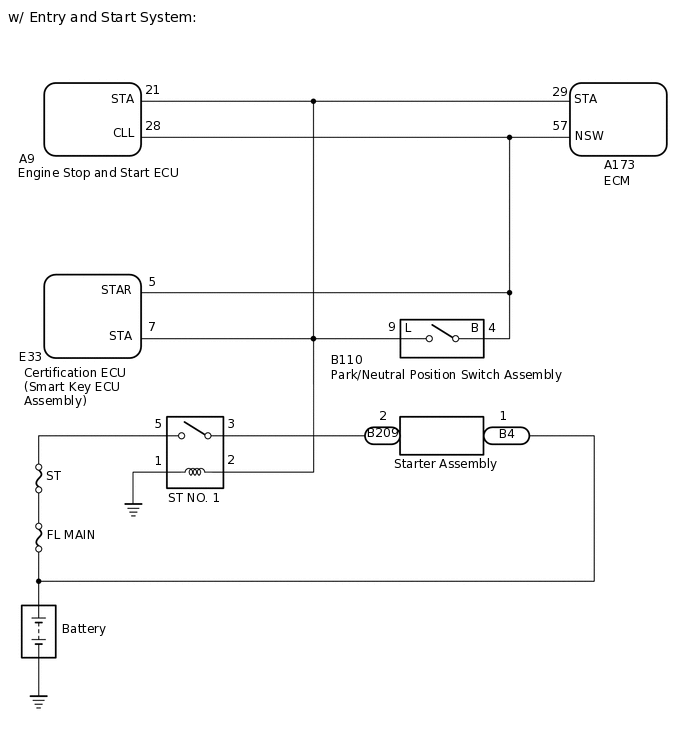
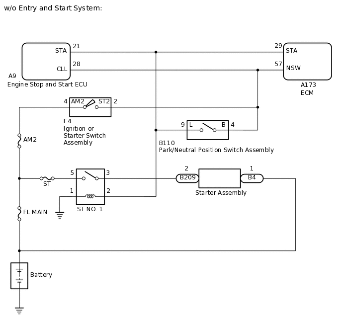
  • ST NO. 1 relay

  • Starter signal circuit

  • Engine stop and start ECU

  • Park/neutral position switch assembly

  • Smart Key ECU Assembly (w/ Entry and Start System)

  • ECM

Comes on

DTC stored

SAE Code: P0617

WIRING DIAGRAM

C298737E04
C298740E03

CAUTION / NOTICE / HINT

Tip:
  • Read freeze frame data using the GTS. The ECM records vehicle and driving condition information as freeze frame data the moment a DTC is stored. When troubleshooting, freeze frame data can help determine if the vehicle was moving or stationary, if the engine was warmed up or not, if the air fuel ratio was lean or rich, and other data from the time the malfunction occurred.

  • After performing repair, clear the DTCs and perform the following procedure to check that DTCs are not output.

    1. Drive the vehicle for 20 seconds or more under the following conditions:

      • Engine speed of 1000 rpm or more.

      • Vehicle speed of 20 km/h (12 mph) or more.

    2. Check for DTCs again.

      Click here

PROCEDURE

  1. READ VALUE USING GTS (STARTER SW)

    1. Connect the GTS to the DLC3.

    2. Turn the ignition switch to ON.

    3. Turn the GTS on.

    4. Enter the following menus: Powertrain / Transmission / Data List / Starter SW.

      Powertrain > Transmission > Data List

      Tester Display

      Measurement Item

      Range

      Normal Condition

      Diagnostic Note

      Starter SW

      Starter signal

      OFF or ON

      • ON: Starter operating

      • OFF: Starter not operating

      -

      Powertrain > Transmission > Data List

      Tester Display

      Starter SW

    5. According to the display on the GTS, read the Data List.

      Standard

      Condition

      Starter SW

      Ignition switch ON

      OFF

    6. According to the display on the GTS, read the Data List while the vehicle is being driven with an engine speed of 1000 rpm or more at a vehicle speed of 20 km/h (12 mph) or more.

      Standard

      Condition

      Starter SW

      Driving at 20 km/h (12 mph) or more (engine speed 1000 rpm or more)

      OFF

    Tip:

    If the result of either of the above is not as specified, proceed to the next step with the ignition switch ON, GTS connected and Data List item "Starter SW"selected.

    Result

    Result

    Proceed to

    OK

    A

    NG (w/ Entry and Start System)

    B

    NG (w/o Entry and Start System)

    C

    Tip:

    If the starter assembly operates continuously when the ignition switch is turned to ON, proceed to the next step without reading the Data List item "Starter SW".

    A

    CHECK FOR INTERMITTENT PROBLEMS

    C

    INSPECT ST NO. 1 RELAY (CHECK FOR SHORT CIRCUIT)Click here

    B
  2. INSPECT ST NO. 1 RELAY (CHECK FOR SHORT CIRCUIT)

    1. Enter the following menus: Powertrain / Transmission / Data List / Starter SW.

      Powertrain > Transmission > Data List

      Tester Display

      Measurement Item

      Range

      Normal Condition

      Diagnostic Note

      Starter SW

      Starter signal

      OFF or ON

      • ON: Starter operating

      • OFF: Starter not operating

      -

      Powertrain > Transmission > Data List

      Tester Display

      Starter SW

    2. Remove the ST NO. 1 relay from the engine room relay block and junction block assembly.

    3. According to the display on the GTS, read the Data List.

      Result

      Result

      Proceed to

      The Data List item "Starter SW" does not change from ON.

      A

      The Data List item "Starter SW" changes from ON to OFF.

      B

      Tip:
      • When the result of the above inspection is "The Data List item "Starter SW" does not change from ON", the ST NO. 1 relay is normal.

      • DTCs may be stored during this inspection. Check for DTCs and clear them using the GTS.

    B

    REPLACE ST NO. 1 RELAY

    A
  3. CHECK TERMINAL VOLTAGE (POWER SOURCE OF ST NO. 1 RELAY)

    A290378C09

    *1

    Engine Room Relay Block and Junction Block Assembly

    *2

    ST NO. 1 Relay

    Tip:

    The purpose of this step is to check for ST NO. 1 relay terminal voltage under abnormal conditions.

    1. Remove the ST NO. 1 relay from the engine room relay block and junction block assembly.

    2. Turn the ignition switch to ON.

    3. Measure the voltage between ST NO. 1 relay terminal 2 and body ground.

      Tip:
      • Make a note of the measured voltage as it will be necessary for the inspecting the change in voltage in the next step. As the next step should be conducted under the same conditions, keep the ignition switch ON and do not install the ST NO. 1 relay.

      • DTCs may be stored during this inspection. Check for DTCs and clear them using the GTS.

      • If any voltage was measured with the ignition switch ON, one of the following malfunctions is suspected:

        • Short to +B in the circuit of a connected ECU or the switch.

        • Short to +B in the wire harness.

    Result

    Proceed to

    NEXT

    NEXT
  4. INSPECT PARK/NEUTRAL POSITION SWITCH ASSEMBLY (CHECK FOR SHORT CIRCUIT)

    A290378C09

    *1

    Engine Room Relay Block and Junction Block Assembly

    *2

    ST NO. 1 Relay

    1. Disconnect the B110 park/neutral position switch assembly connector.

    2. Measure the voltage between ST NO. 1 relay terminal 2 and body ground and compare it to the voltage measured in the previous step.

      Result

      Result

      Proceed to

      The voltage between ST NO. 1 relay terminal 2 and body ground does not change when the connector is disconnected.

      A

      The voltage between ST NO. 1 relay terminal 2 and body ground changes when the connector is disconnected.

      B

      Tip:
      • If the voltage is the same before and after disconnecting the connector, the park/neutral position switch assembly is normal.

      • DTCs may be stored during this inspection. Check for DTCs and clear them using the GTS.

    B

    REPLACE PARK/NEUTRAL POSITION SWITCH ASSEMBLY

    A
  5. INSPECT ENGINE STOP AND START ECU (CHECK FOR SHORT CIRCUIT)

    A290378C09

    *1

    Engine Room Relay Block and Junction Block Assembly

    *2

    ST NO. 1 Relay

    1. Disconnect the A9 engine stop and start ECU connector.

    2. Measure the voltage between ST NO. 1 relay terminal 2 and body ground and compare it to the voltage measured in the previous step.

      Result

      Result

      Proceed to

      The voltage between ST NO. 1 relay terminal 2 and body ground does not change when the connector is disconnected.

      A

      The voltage between ST NO. 1 relay terminal 2 and body ground changes when the connector is disconnected.

      B

      Tip:
      • If the voltage is the same before and after disconnecting the connector, the engine stop and start ECU is normal.

      • DTCs may be stored during this inspection. Check for DTCs and clear them using the GTS.

    B

    REPLACE ENGINE STOP AND START ECU

    A
  6. INSPECT ECM (CHECK FOR SHORT CIRCUIT)

    A290378C09

    *1

    Engine Room Relay Block and Junction Block Assembly

    *2

    ST NO. 1 Relay

    1. Disconnect the A173 ECM connector.

    2. Measure the voltage between ST NO. 1 relay terminal 2 and body ground and compare it to the voltage measured in the previous step.

      Result

      Result

      Proceed to

      The voltage between ST NO. 1 relay terminal 2 and body ground does not change when the connector is disconnected.

      A

      The voltage between ST NO. 1 relay terminal 2 and body ground changes when the connector is disconnected.

      B

      Tip:
      • If the voltage is the same before and after disconnecting the connector, the ECM is normal.

      • DTCs may be stored during this inspection. Check for DTCs and clear them using the GTS.

    B

    REPLACE ECMClick here

    A
  7. CHECK HARNESS AND CONNECTOR (ECM - PARK/NEUTRAL POSITION SWITCH ASSEMBLY - SMART KEY ECU ASSEMBLY - ENGINE STOP AND START ECU - ST NO. 1 RELAY)

    1. Disconnect the A173 ECM connector.

    2. Disconnect the B110 park/neutral position switch assembly connector.

    3. Disconnect the E33 smart key ECU assembly connector.

    4. Disconnect the A9 engine stop and start ECU connector.

    5. Remove the ST NO. 1 relay from the engine room relay block and junction block assembly.

    6. Measure the resistance according to the value(s) in the table below.

      Standard Resistance

      Tester Connection

      Condition

      Specified Condition

      A173-29 (STA), B110-9 (L), E33-7 (STA), 2 (ST NO. 1 relay) or A9-21 (STA) - Other terminals

      Always

      10 kΩ or higher

    Result

    Proceed to

    OK

    NG

    OK

    CHECK ENTRY AND START SYSTEM (CHECK FOR STA TERMINAL VOLTAGE OF SMART KEY ECU ASSEMBLY)

    NG

    REPAIR OR REPLACE HARNESS OR CONNECTOR

  8. REPLACE ECM

    1. Replace the ECM.

      Click here

    Result

    Proceed to

    NEXT

    NEXT

    PERFORM INITIALIZATION

  9. INSPECT ST NO. 1 RELAY (CHECK FOR SHORT CIRCUIT)

    1. Enter the following menus: Powertrain / Transmission / Data List / Starter SW.

      Powertrain > Transmission > Data List

      Tester Display

      Measurement Item

      Range

      Normal Condition

      Diagnostic Note

      Starter SW

      Starter signal

      OFF or ON

      • ON: Starter operating

      • OFF: Starter not operating

      -

      Powertrain > Transmission > Data List

      Tester Display

      Starter SW

    2. Remove the ST NO. 1 relay from the engine room relay block and junction block assembly.

    3. According to the display on the GTS, read the Data List.

      Result

      Result

      Proceed to

      The Data List item "Starter SW" does not change from ON.

      A

      The Data List item "Starter SW" changes from ON to OFF.

      B

      Tip:
      • When the result of the above inspection is "The Data List item "Starter SW" does not change from ON", the ST NO. 1 relay is normal.

      • DTCs may be stored during this inspection. Check for DTCs and clear them using the GTS.

    B

    REPLACE ST NO. 1 RELAY

    A
  10. CHECK TERMINAL VOLTAGE (POWER SOURCE OF ST NO. 1 RELAY)

    A290378C09

    *1

    Engine Room Relay Block and Junction Block Assembly

    *2

    ST NO. 1 Relay

    Tip:

    The purpose of this step is to check for ST NO. 1 relay terminal voltage under abnormal conditions.

    1. Remove the ST NO. 1 relay from the engine room relay block and junction block assembly.

    2. Turn the ignition switch to ON.

    3. Measure the voltage between ST NO. 1 relay terminal 2 and body ground.

      Tip:
      • Make a note of the measured voltage as it will be necessary for the inspecting the change in voltage in the next step. As the next step should be conducted under the same conditions, keep the ignition switch ON and do not install the ST NO. 1 relay.

      • DTCs may be stored during this inspection. Check for DTCs and clear them using the GTS.

      • If any voltage was measured with the ignition switch ON, one of the following malfunctions is suspected:

        • Short to +B in the circuit of a connected ECU or the switch.

        • Short to +B in the wire harness.

    Result

    Proceed to

    NEXT

    NEXT
  11. INSPECT PARK/NEUTRAL POSITION SWITCH ASSEMBLY (CHECK FOR SHORT CIRCUIT)

    A290378C09

    *1

    Engine Room Relay Block and Junction Block Assembly

    *2

    ST NO. 1 Relay

    1. Disconnect the B110 park/neutral position switch assembly connector.

    2. Measure the voltage between ST NO. 1 relay terminal 2 and body ground and compare it to the voltage measured in the previous step.

      Result

      Result

      Proceed to

      The voltage between ST NO. 1 relay terminal 2 and body ground does not change when the connector is disconnected.

      A

      The voltage between ST NO. 1 relay terminal 2 and body ground changes when the connector is disconnected.

      B

      Tip:
      • If the voltage is the same before and after disconnecting the connector, the park/neutral position switch assembly is normal.

      • DTCs may be stored during this inspection. Check for DTCs and clear them using the GTS.

    B

    REPLACE PARK/NEUTRAL POSITION SWITCH ASSEMBLY

    A
  12. INSPECT ENGINE STOP AND START ECU (CHECK FOR SHORT CIRCUIT)

    A290378C09

    *1

    Engine Room Relay Block and Junction Block Assembly

    *2

    ST NO. 1 Relay

    1. Disconnect the A9 engine stop and start ECU connector.

    2. Measure the voltage between ST NO. 1 relay terminal 2 and body ground and compare it to the voltage measured in the previous step.

      Result

      Result

      Proceed to

      The voltage between ST NO. 1 relay terminal 2 and body ground does not change when the connector is disconnected.

      A

      The voltage between ST NO. 1 relay terminal 2 and body ground changes when the connector is disconnected.

      B

      Tip:
      • If the voltage is the same before and after disconnecting the connector, the engine stop and start ECU is normal.

      • DTCs may be stored during this inspection. Check for DTCs and clear them using the GTS.

    B

    REPLACE ENGINE STOP AND START ECU

    A
  13. INSPECT ECM (CHECK FOR SHORT CIRCUIT)

    A290378C09

    *1

    Engine Room Relay Block and Junction Block Assembly

    *2

    ST NO. 1 Relay

    1. Disconnect the A173 ECM connector.

    2. Measure the voltage between ST NO. 1 relay terminal 2 and body ground and compare it to the voltage measured in the previous step.

      Result

      Result

      Proceed to

      The voltage between ST NO. 1 relay terminal 2 and body ground does not change when the connector is disconnected.

      A

      The voltage between ST NO. 1 relay terminal 2 and body ground changes when the connector is disconnected.

      B

      Tip:
      • If the voltage is the same before and after disconnecting the connector, the ECM is normal.

      • DTCs may be stored during this inspection. Check for DTCs and clear them using the GTS.

    A

    REPAIR OR REPLACE HARNESS OR CONNECTOR (ECM - PARK/NEUTRAL POSITION SWITCH ASSEMBLY - ENGINE STOP AND START ECU - ST NO. 1 RELAY)

    B
  14. REPLACE ECM

    1. Replace the ECM.

      Click here

    Result

    Proceed to

    NEXT

    NEXT

    PERFORM INITIALIZATION