THEFT DETERRENT SYSTEM Horn Circuit

DTC Code DTC Name
Horn Circuit

DESCRIPTION

When the theft deterrent system is switched from the armed state to the alarm sounding state, the main body ECU (multiplex network body ECU) transmits a signal to cause the horn to sound at intervals of 0.4 seconds.

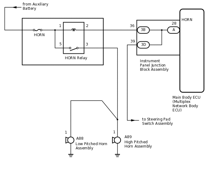
WIRING DIAGRAM

B341520E08

CAUTION / NOTICE / HINT

Note:
  • Inspect the fuses for circuits related to this system before performing the following inspection procedure.

  • When replacing the main body ECU (multiplex network body ECU), make sure to replace it with a new one.

PROCEDURE

  1. CHECK HORNS OPERATION

    1. Press the horn switch and check if the horns sound.

    Result

    Proceed to

    Horns sound

    Horns do not sound

    Horns do not sound

    GO TO HORN SYSTEM

    Horns sound
  2. INSPECT INSTRUMENT PANEL JUNCTION BLOCK ASSEMBLY

    1. Remove the instrument panel junction block assembly.

    2. Measure the resistance according to the value(s) in the table below.

      B341519N01

      Standard Resistance

      Tester Connection

      Condition

      Specified Condition

      3B-36 - A-28 (HORN)

      Always

      Below 1 Ω

    Result

    Proceed to

    OK

    NG

    OK

    REPLACE MAIN BODY ECU (MULTIPLEX NETWORK BODY ECU)

    NG

    REPLACE INSTRUMENT PANEL JUNCTION BLOCK ASSEMBLY