SFI SYSTEM(w/ Canister Pump Module), Diagnostic DTC:P0037,P0038,P0141 and P102D

DTC Code DTC Name
P0037 Oxygen Sensor Heater Control Circuit Low (Bank 1 Sensor 2)
P0038 Oxygen Sensor Heater Control Circuit High (Bank 1 Sensor 2)
P0141 Oxygen Sensor Heater Circuit (Bank 1 Sensor 2)
P102D O2 Sensor Heater Circuit Performance Bank 1 Sensor 2 Stuck ON

DESCRIPTION

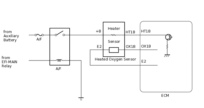
Refer to DTC P0136.

Click here

Tip:

When any of these DTCs are stored, the ECM enters fail-safe mode. The ECM turns off the heated oxygen sensor heater in fail-safe mode. Fail-safe mode continues until the power switch is turned off.

A371204E01

DTC No.

Detection Item

DTC Detection Condition

Trouble Area

MIL

Memory

P0037

Oxygen Sensor Heater Control Circuit Low (Bank 1 Sensor 2)

Heated oxygen sensor heater current is the specified value or less while the heater is operating (1 trip detection logic).

  • Open in heated oxygen sensor (sensor 2) heater circuit

  • Heated oxygen sensor (sensor 2)

  • A/F relay

  • ECM

Comes on

DTC stored

P0038

Oxygen Sensor Heater Control Circuit High (Bank 1 Sensor 2)

The heater current is the specified value or higher while the heater is operating (1 trip detection logic).

  • Short in heated oxygen sensor (sensor 2) heater circuit

  • Heated oxygen sensor (sensor 2)

  • A/F relay

  • ECM

Comes on

DTC stored

P0141

Oxygen Sensor Heater Circuit (Bank 1 Sensor 2)

The cumulative heater resistance correction value exceeds the threshold (2 trip detection logic).

  • Open or short in heated oxygen sensor (sensor 2) heater circuit

  • Heated oxygen sensor (sensor 2)

  • A/F relay

  • ECM

Comes on

DTC stored

P102D

O2 Sensor Heater Circuit Performance Bank 1 Sensor 2 Stuck ON

Heated oxygen sensor heater current is higher than the specified value while the heater is not operating (1 trip detection logic).

ECM

Comes on

DTC stored

MONITOR DESCRIPTION

The sensing portion of the heated oxygen sensor has a zirconia element which is used to detect the oxygen concentration in the exhaust gas. If the zirconia element is at the appropriate temperature, and the difference between the oxygen concentrations surrounding the inside and outside surfaces of the sensor is large, the zirconia element generates voltage signals. In order to increase the oxygen concentration detecting capacity of the zirconia element, the ECM supplements the heat from the exhaust with heat from a heating element inside the sensor.

Heated Oxygen Sensor Heater Range Check (P0037, P0038 and P102D):

  • The ECM monitors the current applied to the heated oxygen sensor heater to check the heater for malfunctions.

    If the heater current is outside the normal range, the signal transmitted by the heated oxygen sensor becomes inaccurate. When the current in the heated oxygen sensor heater is outside the normal operating range, the ECM interprets this as a malfunction in the sensor heater and stores a DTC.

Heated Oxygen Sensor Heater Performance (P0141):

  • After the accumulated heater on time exceeds 100 seconds, the ECM calculates the heater resistance using auxiliary battery voltage and the current applied to the heater. If the resistance is above the threshold value, the ECM determines that there is a malfunction in the heated oxygen sensor heater and stores DTC P0141.

MONITOR STRATEGY

Frequency of Operation

Continuous: P0037, P0038, P102D

Once per driving cycle: P0141

TYPICAL ENABLING CONDITIONS

Table 1. P0037 (Case 1)

Time after heater on

10 seconds or more

Table 2. P0037 (Case 2)

Time after heater on

10 seconds or more

Table 3. P0038

Time after heater on

10 seconds or more

Table 4. P0141

Auxiliary battery voltage

10.5 V or higher

Time after fuel cut on to off

30 seconds or more

Accumulated heater on time

100 seconds or more

Duration that heated oxygen sensor impedance is less than 15 kΩ

2 seconds or more

Table 5. P102D

Time after heater on

10 seconds or more

CONFIRMATION DRIVING PATTERN

A198819E77
  1. Connect the GTS to the DLC3.

  2. Turn the power switch on (IG) and turn the GTS on.

  3. Clear the DTCs (even if no DTCs are stored, perform the clear DTC procedure).

  4. Turn the power switch off and wait for at least 30 seconds.

  5. Turn the power switch on (IG) and turn the GTS on [A].

  6. Put the engine in inspection mode (maintenance mode).

    Click here

  7. Start the engine and idle it for 5 minutes or more [B].

  8. With the vehicle stationary, depress the accelerator pedal and maintain an engine speed of 2500 rpm for 1 minute [C].

    Tip:

    During charging control, the engine speed is set at idle. Therefore, the engine speed does not increase when depressing the accelerator pedal. In this case, perform steps [C] and [D] after charging control has completed.

  9. Idle the engine for 5 minutes or more [D].

  10. Enter the following menus: Powertrain / Engine and ECT / Trouble Codes [E].

  11. Read the pending DTCs.

    Tip:
    • If a pending DTC is output, the system is malfunctioning.

    • If a pending DTC is not output, perform the following procedure.

  12. Enter the following menus: Powertrain / Engine and ECT / Utility / All Readiness.

  13. Input the DTC: P0037, P0038, P0141 or P102D.

  14. Check the DTC judgment result.

    GTS Display

    Description

    NORMAL

    • DTC judgment completed

    • System normal

    ABNORMAL

    • DTC judgment completed

    • System abnormal

    INCOMPLETE

    • DTC judgment not completed

    • Perform driving pattern after confirming DTC enabling conditions

    N/A

    • Unable to perform DTC judgment

    • Number of DTCs which do not fulfill DTC preconditions has reached ECU memory limit

    Tip:
    • If the judgment result shows NORMAL, the system is normal.

    • If the judgment result shows ABNORMAL, the system has a malfunction.

    • If the judgment result shows INCOMPLETE or N/A, perform steps [B] through [E] again.

WIRING DIAGRAM

Refer to DTC P0136.

Click here

CAUTION / NOTICE / HINT

Note:

Inspect the fuses for circuits related to this system before performing the following procedure.

Tip:
  • Sensor 1 refers to the sensor closest to the engine assembly.

  • Sensor 2 refers to the sensor farthest away from the engine assembly.

  • Refer to "Data List / Active Test" [O2 Heater B1S2 and O2 Heater Curr Val B1S2].

    Click here

  • When the value for the Data List item O2 Heater Curr Val B1S2 is not 0 A, the heater is on.

  • Change the fuel injection volume using the Control the Injection Volume for A/F Sensor function provided in the Active Test and monitor the heated oxygen sensor output voltage (Click here). If the sensor output voltage does not change (almost no reaction) while performing the Active Test, the sensor may be malfunctioning.

  • Read freeze frame data using the GTS. The ECM records vehicle and driving condition information as freeze frame data the moment a DTC is stored. When troubleshooting, freeze frame data can help determine if the vehicle was moving or stationary, if the engine was warmed up or not, if the air fuel ratio was lean or rich, and other data from the time the malfunction occurred.

PROCEDURE

  1. INSPECT HEATED OXYGEN SENSOR (HEATER RESISTANCE)

    1. Inspect the heated oxygen sensor.

      Click here

      Tip:

      Perform "Inspection After Repair" after replacing the heated oxygen sensor.

      Click here

    Result

    Proceed to

    OK

    NG

    NG

    REPLACE HEATED OXYGEN SENSOR

    OK
  2. CHECK TERMINAL VOLTAGE (POWER SOURCE OF HEATED OXYGEN SENSOR)

    1. A149595C44

      *a

      Front view of wire harness connector

      (to Heated Oxygen Sensor)

      Disconnect the heated oxygen sensor connector.

    2. Turn the power switch on (IG).

    3. Measure the voltage according to the value(s) in the table below.

      Standard Voltage

      Tester Connection

      Condition

      Specified Condition

      B25-2 (+B) - Body ground

      Power switch on (IG)

      11 to 14 V

    Result

    Proceed to

    OK

    NG

    NG

    INSPECT A/F RELAYClick here

    OK
  3. CHECK HARNESS AND CONNECTOR (HEATED OXYGEN SENSOR - ECM)

    1. Disconnect the heated oxygen sensor connector.

    2. Disconnect the ECM connector.

    3. Measure the resistance according to the value(s) in the table below.

      Standard Resistance

      Tester Connection

      Condition

      Specified Condition

      B25-1 (HT1B) - B75-24 (HT1B)

      Always

      Below 1 Ω

      B25-1 (HT1B) or B75-24 (HT1B) - Body ground and other terminals

      Always

      10 kΩ or higher

    Result

    Proceed to

    OK

    NG

    NG

    REPAIR OR REPLACE HARNESS OR CONNECTOR

    OK
  4. CHECK WHETHER DTC OUTPUT RECURS (DTC P0037, P0038, P0141 OR P102D)

    1. Connect the GTS to the DLC3.

    2. Turn the power switch on (IG).

    3. Turn the GTS on.

    4. Clear the DTCs.

      Powertrain > Engine and ECT > Clear DTCs

    5. Turn the power switch off and wait for at least 30 seconds.

    6. Turn the power switch on (IG).

    7. Turn the GTS on.

    8. Drive the vehicle in accordance with the driving pattern described in Confirmation Driving Pattern.

    9. Enter the following menus: Powertrain / Engine and ECT / Trouble Codes.

    10. Read the pending DTCs.

      Powertrain > Engine and ECT > Trouble Codes

      Result

      Result

      Proceed to

      DTCs are not output

      A

      DTC P0037, P0038, P0141 or P102D is output

      B

    A

    CHECK FOR INTERMITTENT PROBLEMS

    B

    REPLACE ECM

  5. INSPECT A/F RELAY

    1. Inspect the A/F relay.

      Click here

    Result

    Proceed to

    OK

    NG

    NG

    REPLACE A/F RELAY

    OK
  6. CHECK HARNESS AND CONNECTOR (A/F RELAY - HEATED OXYGEN SENSOR, EFI-MAIN RELAY)

    1. Remove the A/F relay from the engine room relay block and junction block assembly.

    2. Remove the EFI-MAIN relay from the engine room relay block and junction block assembly.

    3. Disconnect the heated oxygen sensor connector.

    4. Measure the resistance according to the value(s) in the table below.

      Standard Resistance

      Tester Connection

      Condition

      Specified Condition

      3 (A/F relay) - B25-2 (+B)

      Always

      Below 1 Ω

      1 (A/F relay) - 3 (EFI-MAIN relay)

      Always

      Below 1 Ω

      2 (A/F relay) - Body ground

      Always

      Below 1 Ω

      3 (A/F relay) or B25-2 (+B) - Body ground and other terminals

      Always

      10 kΩ or higher

      1 (A/F relay) or 3 (EFI-MAIN relay) - Body ground and other terminals

      Always

      10 kΩ or higher

    Result

    Proceed to

    OK

    NG

    NG

    REPAIR OR REPLACE HARNESS OR CONNECTOR

    OK
  7. CHECK TERMINAL VOLTAGE (POWER SOURCE OF A/F RELAY)

    1. A375542C01

      *1

      Engine Room Relay Block and Junction Block Assembly

      *2

      A/F Relay

      Remove the A/F relay from the engine room relay block and junction block assembly.

    2. Measure the voltage according to the value(s) in the table below.

      Standard Voltage

      Tester Connection

      Condition

      Specified Condition

      5 (A/F relay) - Body ground

      Always

      11 to 14 V

    Result

    Proceed to

    OK

    NG

    OK

    GO TO ECM POWER SOURCE CIRCUIT

    NG

    REPAIR OR REPLACE HARNESS OR CONNECTOR (AUXILIARY BATTERY - A/F RELAY)