СИСТЕМА НАВИГАЦИИ, диагностические DTC: B1324 и B1325

Код DTC Наименование DTC
B1324 Нарушение связи с щитком приборов
B1325 Отсутствие связи с HUD

ОПИСАНИЕ

Эти коды DTC регистрируются, когда обмен данными между радиоприемником с дисплеем и щитком приборов или блоком индикации на ветровом стекле (зеркалом щитка приборов)* невозможен.

№ DTC

Неисправность

Условие обнаружения DTC

Неисправный участок

B1324

Нарушение связи с щитком приборов

Ошибка при приеме на шине CAN

  • линия передачи данных локальной шины

  • Цепь питания щитка приборов

  • Щиток приборов в сборе

  • Радиоприемник с дисплеем в сборе

  • Жгут проводов или разъем

  • Разъем распределительного блока № 17

B1325

Отсутствие связи с HUD

Ошибка при приеме на шине CAN

  • линия передачи данных локальной шины

  • Цепь питания блока индикации на ветровом стекле (зеркала щитка приборов)*

  • Блок индикации на ветровом стекле (зеркало щитка приборов)*

  • Радиоприемник с дисплеем в сборе

  • Жгут проводов или разъем

  • Разъем распределительного блока № 17

  • *: для моделей с системой блока индикации на ветровом стекле

Tip:

Радиоприемник с дисплеем в сборе является ведущим устройством.

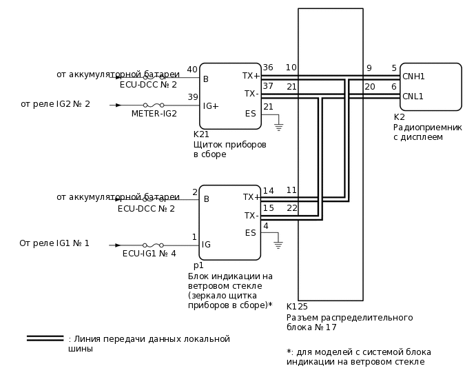
СХЕМА СОЕДИНЕНИЙ

E333982E12

ПРЕДОСТЕРЕЖЕНИЕ / ПРИМЕЧАНИЕ / УКАЗАНИЕ

Note:
  • В зависимости от замененных деталей или операций, которые были выполнены при проверке или обслуживании автомобиля, может потребоваться инициализация, регистрация или калибровка. См. меры предосторожности по системе навигации.

  • Радиоприемник с дисплеем в сборе следует заменять исключительно новым узлом. Если для замены будет использован радиоприемник с дисплеем в сборе с другого автомобиля, может произойти следующее:

    • Может быть сохранен DTC нарушения обмена данными.

    • Работа радиоприемника с дисплеем в сборе может быть нарушена.

  • Перед выполнением последующей процедуры проверки проверьте плавкие предохранители цепей, относящихся к данной системе.

ПОРЯДОК ВЫПОЛНЕНИЯ

  1. ПРОВЕРЬТЕ DTC

    1. Проверьте коды DTC и убедитесь, что они не выводятся.

      Body Electrical > Navigation System > Trouble Codes

    Result

    Result

    Перейти К

    Коды DTC B1324 и B1325 не выводятся

    A

    DTC B1324 и B1325 выводятся

    B

    Выводится DTC B1324

    C

    Выводится DTC B1325

    D

    A

    ВЫПОЛНИТЕ ПРОВЕРКУ С ИМИТАЦИЕЙ УСЛОВИЙ ВОЗНИКНОВЕНИЯ НЕИСПРАВНОСТИ

    C

    ПРОВЕРЬТЕ ЖГУТ ПРОВОДОВ И РАЗЪЕМ (ЦЕПЬ ПИТАНИЯ ЩИТКА ПРИБОРОВ В СБОРЕ)Щелкните по следующей ссылке

    D

    ПРОВЕРЬТЕ ЖГУТ ПРОВОДОВ И РАЗЪЕМ (БЛОК ИНДИКАЦИИ НА ВЕТРОВОМ СТЕКЛЕ (ЗЕРКАЛО ЩИТКА ПРИБОРОВ В СБОРЕ) – ИСТОЧНИК ПИТАНИЯ)Щелкните по следующей ссылке

    B
  2. ПРОВЕРЬТЕ ЛОКАЛЬНУЮ ШИНУ

    1. Отсоедините провод от отрицательного (-) вывода аккумуляторной батареи.

    2. Измерьте сопротивление в соответствии со значениями, приведенными в таблице ниже.

      Номинальное сопротивление

      Подключение диагностического прибора

      Условие

      Заданные условия

      K125-9 - K125-20

      Провод отсоединен от отрицательного (-) вывода аккумуляторной батареи

      54 - 69 Ом

    Result

    Result

    Перейти к

    OK

    A

    NG (менее 54 Ом)

    B

    NG (70 Ом или более)

    C

    A

    ВЫПОЛНИТЕ ПРОВЕРКУ С ИМИТАЦИЕЙ УСЛОВИЙ ВОЗНИКНОВЕНИЯ НЕИСПРАВНОСТИ

    C

    ПРОВЕРЬТЕ ЖГУТ ПРОВОДОВ И РАЗЪЕМ (РАДИОПРИЕМНИК С ДИСПЛЕЕМ В СБОРЕ – НЕТ. 17 РАЗЪЕМ РАСПРЕДЕЛИТЕЛЬНОГО БЛОКА)Щелкните по следующей ссылке

    B
  3. ПРОВЕРЬТЕ ЖГУТ ПРОВОДОВ И РАЗЪЕМ (РАДИОПРИЕМНИК С ДИСПЛЕЕМ В СБОРЕ - РАЗЪЕМ РАСПРЕДЕЛИТЕЛЬНОГО БЛОКА № 17)

    1. Отсоедините провод от отрицательного (-) вывода аккумуляторной батареи.

    2. Отсоедините разъем K125 распределительного блока шины № 17.

    3. Измерьте сопротивление в соответствии со значениями, приведенными в таблице ниже.

      Номинальное сопротивление

      Подключение диагностического прибора

      Условие

      Заданные условия

      K125-9 - K125-20

      Провод отсоединен от отрицательного (-) вывода аккумуляторной батареи

      108 - 132 Ом

    Результат

    Перейти к

    OK

    НЕ СООТВ.

    НЕ СООТВ.

    ПРОВЕРЬТЕ ЖГУТ ПРОВОДОВ И РАЗЪЕМ (РАДИОПРИЕМНИК С ДИСПЛЕЕМ В СБОРЕ – НЕТ. 17 РАЗЪЕМ РАСПРЕДЕЛИТЕЛЬНОГО БЛОКА)Щелкните по следующей ссылке

    СООТВ
  4. ПРОВЕРЬТЕ ЖГУТ ПРОВОДОВ И РАЗЪЕМ (ЩИТОК ПРИБОРОВ В СБОРЕ - РАЗЪЕМ РАСПРЕДЕЛИТЕЛЬНОГО БЛОКА № 17)

    1. Отсоедините провод от отрицательного (-) вывода аккумуляторной батареи.

    2. Отсоедините разъем K125 распределительного блока шины № 17.

    3. Измерьте сопротивление в соответствии со значениями, приведенными в таблице ниже.

      Номинальное сопротивление

      Подключение диагностического прибора

      Условие

      Заданные условия

      K125-10 - K125-21

      Провод отсоединен от отрицательного (-) вывода аккумуляторной батареи

      108 - 132 Ом

    Результат

    Перейти к

    OK

    НЕ СООТВ.

    НЕ СООТВ.

    ПРОВЕРЬТЕ ЖГУТ ПРОВОДОВ И РАЗЪЕМ (ЩИТОК ПРИБОРОВ – НЕТ. 17 РАЗЪЕМ РАСПРЕДЕЛИТЕЛЬНОГО БЛОКА)Щелкните по следующей ссылке

    СООТВ
  5. ПРОВЕРЬТЕ ЖГУТ ПРОВОДОВ И РАЗЪЕМ (БЛОК ИНДИКАЦИИ НА ВЕТРОВОМ СТЕКЛЕ (ЗЕРКАЛО ЩИТКА ПРИБОРОВ) - РАЗЪЕМ РАСПРЕДЕЛИТЕЛЬНОГО БЛОКА ШИНЫ № 17)

    1. Отсоедините провод от отрицательного (-) вывода аккумуляторной батареи.

    2. Отсоедините разъем K125 распределительного блока шины № 17.

    3. Измерьте сопротивление в соответствии со значениями, приведенными в таблице ниже.

      Номинальное сопротивление

      Подключение диагностического прибора

      Условие

      Заданные условия

      K125-11 - K125-22

      Провод отсоединен от отрицательного (-) вывода аккумуляторной батареи

      200 Ом или более

    Результат

    Перейти к

    OK

    НЕ СООТВ.

    OK

    ЗАМЕНИТЕ РАЗЪЕМ РАСПРЕДЕЛИТЕЛЬНОГО БЛОКА № 17

    НЕ СООТВ.
  6. ПРОВЕРЬТЕ ЖГУТ ПРОВОДОВ И РАЗЪЕМ (БЛОК ИНДИКАЦИИ НА ВЕТРОВОМ СТЕКЛЕ (ЗЕРКАЛО ЩИТКА ПРИБОРОВ) - РАЗЪЕМ РАСПРЕДЕЛИТЕЛЬНОГО БЛОКА ШИНЫ № 17)

    1. Отсоедините провод от отрицательного (-) вывода аккумуляторной батареи.

    2. Отсоедините разъем p1 блока индикации на ветровом стекле (зеркала щитка приборов).

    3. Подсоедините разъем K125 распределительного блока № 17.

    4. Измерьте сопротивление в соответствии со значениями, приведенными в таблице ниже.

      Номинальное сопротивление

      Подключение диагностического прибора

      Условие

      Заданные условия

      p1-14 (TX+) - p1-15 (TX-)

      Провод отсоединен от отрицательного (-) вывода аккумуляторной батареи

      54 - 69 Ом

    Результат

    Перейти к

    OK

    НЕ СООТВ.

    OK

    ЗАМЕНИТЕ БЛОК ИНДИКАЦИИ НА ВЕТРОВОМ СТЕКЛЕ (ЗЕРКАЛО ЩИТКА ПРИБОРОВ В СБОРЕ)

    NG

    ОТРЕМОНТИРУЙТЕ ИЛИ ЗАМЕНИТЕ ЖГУТ ПРОВОДОВ ИЛИ РАЗЪЕМ

  7. ПРОВЕРЬТЕ ЖГУТ ПРОВОДОВ И РАЗЪЕМ (ЩИТОК ПРИБОРОВ В СБОРЕ - РАЗЪЕМ РАСПРЕДЕЛИТЕЛЬНОГО БЛОКА № 17)

    1. Отсоедините провод от отрицательного (-) вывода аккумуляторной батареи.

    2. Отсоедините разъем K21 щитка приборов в сборе.

    3. Подсоедините разъем K125 распределительного блока № 17.

    4. Измерьте сопротивление в соответствии со значениями, приведенными в таблице ниже.

      Номинальное сопротивление

      Подключение диагностического прибора

      Условие

      Заданные условия

      K21-36 (TX+) - K21-37 (TX-)

      Провод отсоединен от отрицательного (-) вывода аккумуляторной батареи

      108 - 132 Ом

    Результат

    Перейти к

    OK

    НЕ СООТВ.

    OK

    ЗАМЕНИТЕ ЩИТОК ПРИБОРОВ В СБОРЕ

    NG

    ОТРЕМОНТИРУЙТЕ ИЛИ ЗАМЕНИТЕ ЖГУТ ПРОВОДОВ ИЛИ РАЗЪЕМ

  8. ПРОВЕРЬТЕ ЖГУТ ПРОВОДОВ И РАЗЪЕМ (РАДИОПРИЕМНИК С ДИСПЛЕЕМ В СБОРЕ - РАЗЪЕМ РАСПРЕДЕЛИТЕЛЬНОГО БЛОКА № 17)

    1. Отсоедините провод от отрицательного (-) вывода аккумуляторной батареи.

    2. Отсоедините разъем K2 радиоприемника с дисплеем в сборе.

    3. Подсоедините разъем K125 распределительного блока № 17.

    4. Измерьте сопротивление в соответствии со значениями, приведенными в таблице ниже.

      Номинальное сопротивление

      Подключение диагностического прибора

      Условие

      Заданные условия

      K2-5 (CNH1) - K2-6 (CNL1)

      Провод отсоединен от отрицательного (-) вывода аккумуляторной батареи

      108 - 132 Ом

    Результат

    Перейти к

    OK

    НЕ СООТВ.

    OK

    ЗАМЕНИТЕ РАДИОПРИЕМНИК С ДИСПЛЕЕМ В СБОРЕ

    NG

    ОТРЕМОНТИРУЙТЕ ИЛИ ЗАМЕНИТЕ ЖГУТ ПРОВОДОВ ИЛИ РАЗЪЕМ

  9. ПРОВЕРЬТЕ ЖГУТ ПРОВОДОВ И РАЗЪЕМ (РАДИОПРИЕМНИК С ДИСПЛЕЕМ В СБОРЕ - РАЗЪЕМ РАСПРЕДЕЛИТЕЛЬНОГО БЛОКА № 17)

    1. Отсоедините провод от отрицательного (-) вывода аккумуляторной батареи.

    2. Отсоедините разъем K2 радиоприемника с дисплеем в сборе.

    3. Измерьте сопротивление в соответствии со значениями, приведенными в таблице ниже.

      Номинальное сопротивление

      Подключение диагностического прибора

      Условие

      Заданные условия

      K2-5 (CNH1) - K2-6 (CNL1)

      Провод отсоединен от отрицательного (-) вывода аккумуляторной батареи

      108 - 132 Ом

    Результат

    Перейти к

    OK

    НЕ СООТВ.

    OK

    ЗАМЕНИТЕ РАДИОПРИЕМНИК С ДИСПЛЕЕМ В СБОРЕ

    НЕ СООТВ.
  10. ПРОВЕРЬТЕ ЖГУТ ПРОВОДОВ И РАЗЪЕМ (РАДИОПРИЕМНИК С ДИСПЛЕЕМ В СБОРЕ - РАЗЪЕМ РАСПРЕДЕЛИТЕЛЬНОГО БЛОКА № 17)

    1. Отсоедините провод от отрицательного (-) вывода аккумуляторной батареи.

    2. Отсоедините разъем K125 распределительного блока шины № 17.

    3. Подсоедините разъем K2 радиоприемника с дисплеем в сборе.

    4. Измерьте сопротивление в соответствии со значениями, приведенными в таблице ниже.

      Номинальное сопротивление

      Подключение диагностического прибора

      Условие

      Заданные условия

      K125-9 - K125-20

      Провод отсоединен от отрицательного (-) вывода аккумуляторной батареи

      108 - 132 Ом

    Результат

    Перейти к

    OK

    НЕ СООТВ.

    OK

    ЗАМЕНИТЕ РАЗЪЕМ РАСПРЕДЕЛИТЕЛЬНОГО БЛОКА № 17

    NG

    ОТРЕМОНТИРУЙТЕ ИЛИ ЗАМЕНИТЕ ЖГУТ ПРОВОДОВ ИЛИ РАЗЪЕМ

  11. ПРОВЕРЬТЕ ЖГУТ ПРОВОДОВ И РАЗЪЕМ (ЦЕПЬ ПИТАНИЯ ЩИТКА ПРИБОРОВ В СБОРЕ)

    1. Отсоедините разъем K21 щитка приборов в сборе.

    2. Измерьте сопротивление в соответствии со значениями, приведенными в таблице ниже.

      Номинальное сопротивление

      Подключение диагностического прибора

      Условие

      Заданные условия

      K21-21 (ES) - масса

      Всегда

      Менее 1 Ом

    3. Измерьте напряжение в соответствии со значениями, приведенными в таблице.

      Номинальное напряжение

      Подключение диагностического прибора

      Условие

      Заданные условия

      K21-40 (B) - масса

      Всегда

      11-14 В

      K21-39 (IG+) - масса

      Зажигание включено

      11-14 В

    Результат

    Перейти к

    OK

    НЕ СООТВ.

    НЕ СООТВ.

    ОТРЕМОНТИРУЙТЕ ИЛИ ЗАМЕНИТЕ ЖГУТ ПРОВОДОВ ИЛИ РАЗЪЕМ

    СООТВ
  12. ПРОВЕРЬТЕ ЖГУТ ПРОВОДОВ И РАЗЪЕМ (ЩИТОК ПРИБОРОВ В СБОРЕ - РАЗЪЕМ РАСПРЕДЕЛИТЕЛЬНОГО БЛОКА № 17)

    1. Отсоедините провод от отрицательного (-) вывода аккумуляторной батареи.

    2. Отсоедините разъем K125 распределительного блока шины № 17.

    3. Подсоедините разъем K21 щитка приборов.

    4. Измерьте сопротивление в соответствии со значениями, приведенными в таблице ниже.

      Номинальное сопротивление

      Подключение диагностического прибора

      Условие

      Заданные условия

      K125-10 - K125-21

      Провод отсоединен от отрицательного (-) вывода аккумуляторной батареи

      108 - 132 Ом

    Результат

    Перейти к

    OK

    НЕ СООТВ.

    НЕ СООТВ.

    ПРОВЕРЬТЕ ЖГУТ ПРОВОДОВ И РАЗЪЕМ (ЩИТОК ПРИБОРОВ – НЕТ. 17 РАЗЪЕМ РАСПРЕДЕЛИТЕЛЬНОГО БЛОКА)Щелкните по следующей ссылке

    СООТВ
  13. ПРОВЕРЬТЕ ЖГУТ ПРОВОДОВ И РАЗЪЕМ (РАДИОПРИЕМНИК С ДИСПЛЕЕМ В СБОРЕ - РАЗЪЕМ РАСПРЕДЕЛИТЕЛЬНОГО БЛОКА № 17)

    1. Отсоедините провод от отрицательного (-) вывода аккумуляторной батареи.

    2. Отсоедините разъем K125 распределительного блока шины № 17.

    3. Измерьте сопротивление в соответствии со значениями, приведенными в таблице ниже.

      Номинальное сопротивление

      Подключение диагностического прибора

      Условие

      Заданные условия

      K125-9 - K125-20

      Провод отсоединен от отрицательного (-) вывода аккумуляторной батареи

      108 - 132 Ом

    Результат

    Перейти к

    OK

    НЕ СООТВ.

    OK

    ЗАМЕНИТЕ РАЗЪЕМ РАСПРЕДЕЛИТЕЛЬНОГО БЛОКА № 17

    НЕ СООТВ.
  14. ПРОВЕРЬТЕ ЖГУТ ПРОВОДОВ И РАЗЪЕМ (РАДИОПРИЕМНИК С ДИСПЛЕЕМ В СБОРЕ - РАЗЪЕМ РАСПРЕДЕЛИТЕЛЬНОГО БЛОКА № 17)

    1. Отсоедините провод от отрицательного (-) вывода аккумуляторной батареи.

    2. Отсоедините разъем K2 радиоприемника с дисплеем в сборе.

    3. Подсоедините разъем K125 распределительного блока № 17.

    4. Измерьте сопротивление в соответствии со значениями, приведенными в таблице ниже.

      Номинальное сопротивление

      Подключение диагностического прибора

      Условие

      Заданные условия

      K2-5 (CNH1) - K2-6 (CNL1)

      Провод отсоединен от отрицательного (-) вывода аккумуляторной батареи

      108 - 132 Ом

    Результат

    Перейти к

    OK

    НЕ СООТВ.

    OK

    ЗАМЕНИТЕ РАДИОПРИЕМНИК С ДИСПЛЕЕМ В СБОРЕ

    NG

    ОТРЕМОНТИРУЙТЕ ИЛИ ЗАМЕНИТЕ ЖГУТ ПРОВОДОВ ИЛИ РАЗЪЕМ

  15. ПРОВЕРЬТЕ ЖГУТ ПРОВОДОВ И РАЗЪЕМ (ЩИТОК ПРИБОРОВ В СБОРЕ - РАЗЪЕМ РАСПРЕДЕЛИТЕЛЬНОГО БЛОКА № 17)

    1. Отсоедините провод от отрицательного (-) вывода аккумуляторной батареи.

    2. Отсоедините разъем K21 щитка приборов в сборе.

    3. Подсоедините разъем K125 распределительного блока № 17.

    4. Измерьте сопротивление в соответствии со значениями, приведенными в таблице ниже.

      Номинальное сопротивление

      Подключение диагностического прибора

      Условие

      Заданные условия

      K21-36 (TX+) - K21-37 (TX-)

      Провод отсоединен от отрицательного (-) вывода аккумуляторной батареи

      108 - 132 Ом

    Результат

    Перейти к

    OK

    НЕ СООТВ.

    OK

    ЗАМЕНИТЕ ЩИТОК ПРИБОРОВ В СБОРЕ

    NG

    ОТРЕМОНТИРУЙТЕ ИЛИ ЗАМЕНИТЕ ЖГУТ ПРОВОДОВ ИЛИ РАЗЪЕМ

  16. ПРОВЕРЬТЕ ЖГУТ ПРОВОДОВ И РАЗЪЕМ (ИСТОЧНИК ПИТАНИЯ БЛОКА ИНДИКАЦИИ НА ВЕТРОВОМ СТЕКЛЕ (ЗЕРКАЛА ЩИТКА ПРИБОРОВ))

    1. Отсоедините разъем p1 блока индикации на ветровом стекле (зеркала щитка приборов).

    2. Измерьте сопротивление в соответствии со значениями, приведенными в таблице ниже.

      Номинальное сопротивление

      Подключение диагностического прибора

      Условие

      Заданные условия

      p1-4 (ES) - масса

      Всегда

      Менее 1 Ом

    3. Измерьте напряжение в соответствии со значениями, приведенными в таблице.

      Номинальное напряжение

      Подключение диагностического прибора

      Условие

      Заданные условия

      p1-2 (B) - масса

      Всегда

      11–14 В

      p1-1 (IG) - масса

      Замок зажигания в положении ON (ВКЛ)

      11-14 В

    Результат

    Перейти к

    OK

    НЕ СООТВ.

    НЕ СООТВ.

    ОТРЕМОНТИРУЙТЕ ИЛИ ЗАМЕНИТЕ ЖГУТ ПРОВОДОВ ИЛИ РАЗЪЕМ

    СООТВ
  17. ПРОВЕРЬТЕ ЖГУТ ПРОВОДОВ И РАЗЪЕМ (БЛОК ИНДИКАЦИИ НА ВЕТРОВОМ СТЕКЛЕ (ЗЕРКАЛО ЩИТКА ПРИБОРОВ) - РАЗЪЕМ РАСПРЕДЕЛИТЕЛЬНОГО БЛОКА ШИНЫ № 17)

    1. Отсоедините провод от отрицательного (-) вывода аккумуляторной батареи.

    2. Отсоедините разъем K125 распределительного блока шины № 17.

    3. Подсоедините разъем p1 блока индикации на ветровом стекле (зеркала щитка приборов).

    4. Измерьте сопротивление в соответствии со значениями, приведенными в таблице ниже.

      Номинальное сопротивление

      Подключение диагностического прибора

      Условие

      Заданные условия

      K125-11 - K125-22

      Провод отсоединен от отрицательного (-) вывода аккумуляторной батареи

      200 Ом или более

    Результат

    Перейти к

    OK

    НЕ СООТВ.

    НЕ СООТВ.

    ПРОВЕРЬТЕ ЖГУТ ПРОВОДОВ И РАЗЪЕМ (БЛОК ИНДИКАЦИИ НА ВЕТРОВОМ СТЕКЛЕ (ЗЕРКАЛО ЩИТКА ПРИБОРОВ) - НЕТ. 17 РАЗЪЕМ РАСПРЕДЕЛИТЕЛЬНОГО БЛОКА)Щелкните по следующей ссылке

    СООТВ
  18. ПРОВЕРЬТЕ ЖГУТ ПРОВОДОВ И РАЗЪЕМ (РАДИОПРИЕМНИК С ДИСПЛЕЕМ В СБОРЕ - РАЗЪЕМ РАСПРЕДЕЛИТЕЛЬНОГО БЛОКА № 17)

    1. Отсоедините провод от отрицательного (-) вывода аккумуляторной батареи.

    2. Отсоедините разъем K125 распределительного блока шины № 17.

    3. Измерьте сопротивление в соответствии со значениями, приведенными в таблице ниже.

      Номинальное сопротивление

      Подключение диагностического прибора

      Условие

      Заданные условия

      K125-9 - K125-20

      Провод отсоединен от отрицательного (-) вывода аккумуляторной батареи

      108 - 132 Ом

    Результат

    Перейти к

    OK

    НЕ СООТВ.

    OK

    ЗАМЕНИТЕ РАЗЪЕМ РАСПРЕДЕЛИТЕЛЬНОГО БЛОКА № 17

    НЕ СООТВ.
  19. ПРОВЕРЬТЕ ЖГУТ ПРОВОДОВ И РАЗЪЕМ (РАДИОПРИЕМНИК С ДИСПЛЕЕМ В СБОРЕ - РАЗЪЕМ РАСПРЕДЕЛИТЕЛЬНОГО БЛОКА № 17)

    1. Отсоедините провод от отрицательного (-) вывода аккумуляторной батареи.

    2. Отсоедините разъем K2 радиоприемника с дисплеем в сборе.

    3. Подсоедините разъем K125 распределительного блока № 17.

    4. Измерьте сопротивление в соответствии со значениями, приведенными в таблице ниже.

      Номинальное сопротивление

      Подключение диагностического прибора

      Условие

      Заданные условия

      K2-5 (CNH1) - K2-6 (CNL1)

      Провод отсоединен от отрицательного (-) вывода аккумуляторной батареи

      108 - 132 Ом

    Результат

    Перейти к

    OK

    НЕ СООТВ.

    OK

    ЗАМЕНИТЕ РАДИОПРИЕМНИК С ДИСПЛЕЕМ В СБОРЕ

    NG

    ОТРЕМОНТИРУЙТЕ ИЛИ ЗАМЕНИТЕ ЖГУТ ПРОВОДОВ ИЛИ РАЗЪЕМ

  20. ПРОВЕРЬТЕ ЖГУТ ПРОВОДОВ И РАЗЪЕМ (БЛОК ИНДИКАЦИИ НА ВЕТРОВОМ СТЕКЛЕ (ЗЕРКАЛО ЩИТКА ПРИБОРОВ) - РАЗЪЕМ РАСПРЕДЕЛИТЕЛЬНОГО БЛОКА ШИНЫ № 17)

    1. Отсоедините провод от отрицательного (-) вывода аккумуляторной батареи.

    2. Отсоедините разъем p1 блока индикации на ветровом стекле (зеркала щитка приборов).

    3. Подсоедините разъем K125 распределительного блока № 17.

    4. Измерьте сопротивление в соответствии со значениями, приведенными в таблице ниже.

      Номинальное сопротивление

      Подключение диагностического прибора

      Условие

      Заданные условия

      p1-14 (TX+) - p1-15 (TX-)

      Провод отсоединен от отрицательного (-) вывода аккумуляторной батареи

      54 - 69 Ом

    Результат

    Перейти к

    OK

    НЕ СООТВ.

    OK

    ЗАМЕНИТЕ БЛОК ИНДИКАЦИИ НА ВЕТРОВОМ СТЕКЛЕ (ЗЕРКАЛО ЩИТКА ПРИБОРОВ В СБОРЕ)

    NG

    ОТРЕМОНТИРУЙТЕ ИЛИ ЗАМЕНИТЕ ЖГУТ ПРОВОДОВ ИЛИ РАЗЪЕМ