LIGHTING SYSTEM Turn Signal Switch Circuit

DESCRIPTION

The turn signal flasher assembly receives the main body ECU (network gateway ECU) information and controls the turn signal lights.

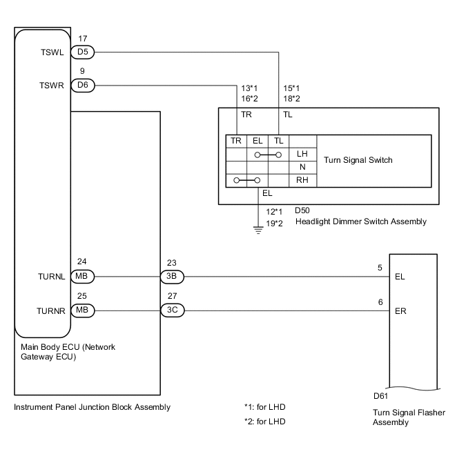
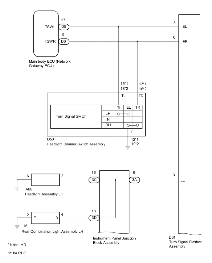
WIRING DIAGRAM


  1. w/ Side Turn Signal Light

    A004HMTE02
    A004HGEE04
  2. w/o Side Turn Signal Light

    A004KRSE04
    A004KPDE04

PROCEDURE


  1. CHECK VEHICLE TYPE


    1. Check vehicle type.

      Result
      Result Proceed to
      w/ side turn signal light A
      w/o side turn signal light B

    B
    A
  2. READ VALUE USING GTS (TURN SIGNAL SWITCH)


    1. Connect the GTS to the DLC3.

    2. Turn the ignition switch to ON.

    3. Turn the GTS on.

    4. Enter the following menus: Body / Main Body / Data List.

    5. Read the Data List according to the display on the GTS.

      Main Body
      Tester Display Measurement Item/Range Normal Condition Diagnostic Note
      Left Turn Signal Switch Left turn signal switch signal ON or OFF

      ON: Left turn signal switch on

      OFF: Left turn signal switch off

      -
      Right Turn Signal Switch Right turn signal switch signal ON or OFF

      ON: Right turn signal switch on

      OFF: Right turn signal switch off

      -
      OK
      Normal conditions listed above are displayed.

    NG
    OK
  3. READ VALUE USING GTS (TURN SIGNAL LIGHT)


    1. Connect the GTS to the DLC3.

    2. Turn the ignition switch to ON.

    3. Turn the GTS on.

    4. Enter the following menus: Body / Main Body / Data List.

    5. Read the Data List according to the display on the GTS.

      Main Body
      Tester Display Measurement Item/Range Normal Condition Diagnostic Note
      Left Turn Signal Light Left turn signal light output ON or OFF

      ON: Left turn signal switch on

      OFF: Left turn signal switch off

      -
      Right Turn Signal Light Right turn signal light output ON or OFF

      ON: Right turn signal switch on

      OFF: Right turn signal switch off

      -
      OK
      Normal conditions listed above are displayed.

    OK
    NG
  4. CHECK HARNESS AND CONNECTOR (TURN SIGNAL FLASHER ASSEMBLY - MAIN BODY ECU (NETWORK GATEWAY ECU))


    1. Disconnect the 3B and 3C main body ECU (network gateway ECU) connectors.

    2. Disconnect the D61 turn signal flasher assembly connector.

    3. Measure the resistance according to the value(s) in the table below.

      Standard Resistance
      Tester Connection Condition Specified Condition
      3B-23 - D61-5 Always Below 1 Ω
      3C-27 - D61-6 Always Below 1 Ω
      3B-23 or D61-5 - Body ground Always 10 kΩ or higher
      3C-27 or D61-6 - Body ground Always 10 kΩ or higher

    NG
    OK
  5. CHECK HARNESS AND CONNECTOR (TURN SIGNAL FLASHER ASSEMBLY - MAIN BODY ECU (NETWORK GATEWAY ECU))


    1. Disconnect the 3A main body ECU (network gateway ECU) connectors.

    2. Disconnect the D61 turn signal flasher assembly connectors.

    3. Measure the resistance according to the value(s) in the table below.

      Standard Resistance
      Tester Connection Condition Specified Condition
      3A-4 - D61-2 (LR) Always Below 1 Ω
      3A-6 - D61-3 (LL) Always Below 1 Ω
      3A-4 or D61-2 (LR) - Body ground Always 10 kΩ or higher
      3A-6 or D61-3 (LL) - Body ground Always 10 kΩ or higher

    NG
    OK
  6. INSPECT INSTRUMENT PANEL JUNCTION BLOCK ASSEMBLY


    1. Disconnect the 3A, 3C and 3D instrument panel junction block assembly connectors.

    2. Measure the resistance according to the value(s) in the table below.

      Standard Resistance
      Tester Connection Condition Specified Condition
      3A-4 - 3C-20 Always Below 1 Ω
      3A-4 - 3C-32 Always Below 1 Ω
      3A-4 - 3D-1 Always Below 1 Ω
      3A-6 - 3C-16 Always Below 1 Ω
      3A-6 - 3C-31 Always Below 1 Ω
      3A-6 - 3D-18 Always Below 1 Ω

    OK
    NG
  7. INSPECT HEADLIGHT DIMMER SWITCH ASSEMBLY


    1. Remove the headlight dimmer switch assembly Click here.

    2. Inspect the headlight dimmer switch assembly Click here.


    NG
    OK
  8. CHECK HARNESS AND CONNECTOR (MAIN BODY ECU (NETWORK GATEWAY ECU) - HEADLIGHT DIMMER SWITCH ASSEMBLY)


    1. Disconnect the D5 and D6 main body ECU (network gateway ECU) connectors.

    2. Disconnect the D50 headlight dimmer switch assembly connectors.

    3. for LHD:


      1. Measure the resistance according to the value(s) in the table below.

        Standard Resistance
        Tester Connection Condition Specified Condition
        D5-17 - D50-15(TL) Always Below 1 Ω
        D6-9 - D50-13(TR) Always Below 1 Ω
        D50-12(EL) - Body ground Always Below 1 Ω
        D5-17 or D50-15(TL) - Body ground Always 10 kΩ or higher
        D6-9 or D50-13(TR) - Body ground Always 10 kΩ or higher
    4. for RHD:


      1. Measure the resistance according to the value(s) in the table below.

        Standard Resistance
        Tester Connection Condition Specified Condition
        D5-17 - D50-18(TL) Always Below 1 Ω
        D6-9 - D50-16(TR) Always Below 1 Ω
        D50-19(EL) - Body ground Always Below 1 Ω
        D5-17 or D50-18(TL) - Body ground Always 10 kΩ or higher
        D6-9 or D50-16(TR) - Body ground Always 10 kΩ or higher

    OK
    NG
  9. READ VALUE USING GTS (TURN SIGNAL SWITCH)


    1. Connect the GTS to the DLC3.

    2. Turn the ignition switch to ON.

    3. Turn the GTS on.

    4. Enter the following menus: Body / Main Body / Data List.

    5. Read the Data List according to the display on the GTS.

      Main Body
      Tester Display Measurement Item/Range Normal Condition Diagnostic Note
      Left Turn Signal Switch Left turn signal switch signal ON or OFF

      ON: Left turn signal switch on

      OFF: Left turn signal switch off

      -
      Right Turn Signal Switch Right turn signal switch signal ON or OFF

      ON: Right turn signal switch on

      OFF: Right turn signal switch off

      -
      OK
      Normal conditions listed above are displayed.

    NG
    OK
  10. READ VALUE USING GTS (TURN SIGNAL LIGHT)


    1. Connect the GTS to the DLC3.

    2. Turn the ignition switch to ON.

    3. Turn the GTS on.

    4. Enter the following menus: Body / Main Body / Data List.

    5. Read the Data List according to the display on the GTS.

      Main Body
      Tester Display Measurement Item/Range Normal Condition Diagnostic Note
      Left Turn Signal Light Left turn signal light output ON or OFF

      ON: Left turn signal switch on

      OFF: Left turn signal switch off

      -
      Right Turn Signal Light Right turn signal light output ON or OFF

      ON: Right turn signal switch on

      OFF: Right turn signal switch off

      -
      OK
      Normal conditions listed above are displayed.

    OK
    NG
  11. INSPECT HEADLIGHT DIMMER SWITCH


    1. Remove the headlight dimmer switch assembly Click here.

    2. Inspect the headlight dimmer switch assembly Click here.


    NG
    OK
  12. CHECK HARNESS AND CONNECTOR (TURN SIGNAL FLASHER ASSEMBLY - HEADLIGHT DIMMER SWITCH ASSEMBLY)


    1. Disconnect the D61 turn signal flasher assembly connectors.

    2. Disconnect the D50 headlight dimmer switch assembly connectors.

    3. for LHD:


      1. Measure the resistance according to the value(s) in the table below.

        Standard Resistance
        Tester Connection Condition Specified Condition
        D50-15(TL) - D61-5(EL) Always Below 1 Ω
        D50-13(TR) - D61-6(ER) Always Below 1 Ω
        D50-12(EL) - Body ground Always Below 1 Ω
        D50-15(TL) or D61-5(EL) - Body ground Always 10 kΩ or higher
        D50-13(TR) or D61-6(ER) - Body ground Always 10 kΩ or higher
    4. for RHD:


      1. Measure the resistance according to the value(s) in the table below.

        Standard Resistance
        Tester Connection Condition Specified Condition
        D50-18(TL) - D61-5(EL) Always Below 1 Ω
        D50-16(TR) - D61-6(ER) Always Below 1 Ω
        D50-19(EL) - Body ground Always Below 1 Ω
        D50-18(TL) or D61-5(EL) - Body ground Always 10 kΩ or higher
        D50-16(TR) or D61-6(ER) - Body ground Always 10 kΩ or higher

    OK
    NG
  13. CHECK HARNESS AND CONNECTOR (TURN SIGNAL FLASHER ASSEMBLY - INSTRUMENT PANEL JUNCTION BLOCK ASSEMBLY)


    1. Disconnect the 3A instrument panel junction block assembly connectors.

    2. Disconnect the D61 turn signal flasher assembly connectors.

    3. Measure the resistance according to the value(s) in the table below.

      Standard Resistance
      Tester Connection Condition Specified Condition
      3A-4 - D61-2 (LR) Always Below 1 Ω
      3A-6 - D61-3 (LL) Always Below 1 Ω
      3A-4 or D61-2 (LR) - Body ground Always 10 kΩ or higher
      3A-6 or D61-3 (LL) - Body ground Always 10 kΩ or higher

    NG
    OK
  14. INSPECT INSTRUMENT PANEL JUNCTION BLOCK ASSEMBLY


    1. Disconnect the 3A, 3C and 3D instrument panel junction block assembly connectors.

    2. Measure the resistance according to the value(s) in the table below.

      Standard Resistance
      Tester Connection Condition Specified Condition
      3A-4 - 3C-20 Always Below 1 Ω
      3A-4 - 3D-1 Always Below 1 Ω
      3A-6 - 3C-16 Always Below 1 Ω
      3A-4 - 3D-18 Always Below 1 Ω

    OK
    NG