POWER WINDOW CONTROL SYSTEM Power Windows do not Operate Using All Window Switch

DTC Code DTC Name
Power Windows do not Operate Using All Window Switch

DESCRIPTION

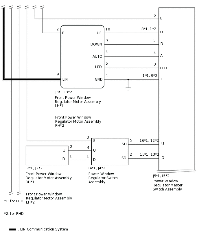
The power windows operate by using the power window regulator master switch assembly, power window regulator switch assembly, rear power window regulator switch assembly LH or rear power window regulator switch assembly RH.

The power window regulator master switch assembly, power window regulator switch assembly, rear power window regulator switch assembly LH and rear power window regulator switch assembly RH connect the same power supply and ground lines.

WIRING DIAGRAM

B319622E28
B341197E03
B341198E01

CAUTION / NOTICE / HINT

Note:
  • Inspect the fuses for circuits related to this system before performing the following procedure.

  • When replacing the main body ECU (multiplex network body ECU), make sure to replace it with a new one.

PROCEDURE

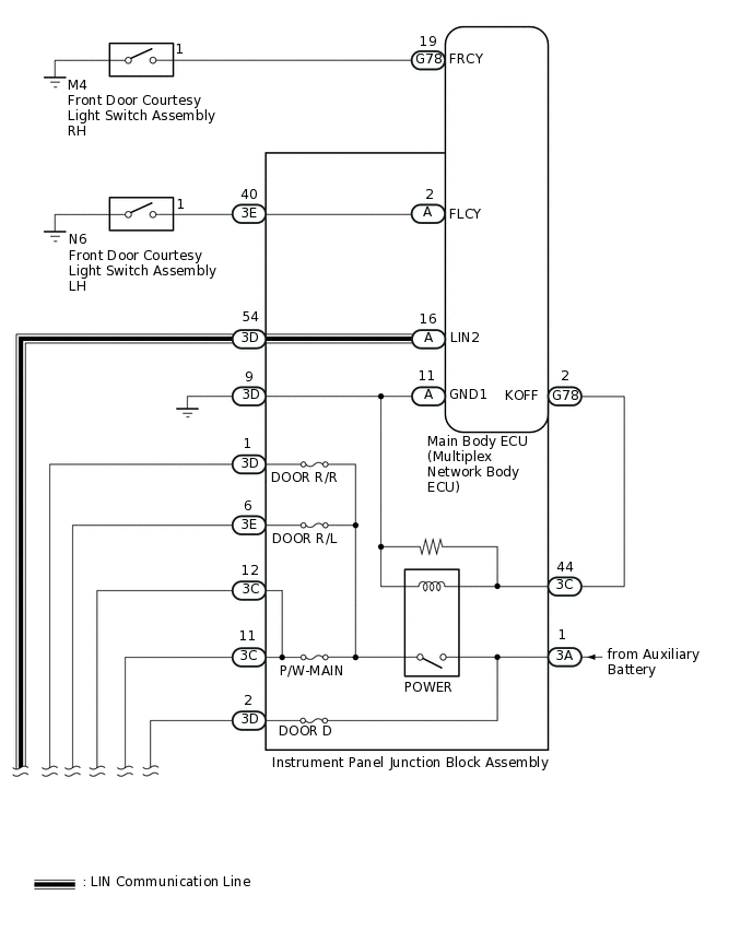
  1. CHECK MAIN BODY ECU (MULTIPLEX NETWORK BODY ECU)

    1. B345694C01

      *a

      Front vie of wire harness connector

      (to Instrument Panel Junction Block Assembly)

      Disconnect the instrument panel junction block assembly connector.

    2. Measure the voltage according to the value(s) in the table below.

      Standard Voltage

      Tester Connection

      Switch Condition

      Specified Condition

      3C-44 - Body ground

      Power switch on (IG)

      11 to 14 V

      Power switch off

      Below 1 V

    Result

    Proceed to

    OK

    NG

    NG

    CHECK HARNESS AND CONNECTOR (MAIN BODY ECU - INSTRUMENT PANEL JUNCTION BLOCK ASSEMBLY AND BODY GROUND)Click here

    OK
  2. CHECK HARNESS AND CONNECTOR (MAIN BODY ECU - AUXILIARY BATTERY AND BODY GROUND)

    1. B345695C01

      *a

      Front vie of wire harness connector

      (to Instrument Panel Junction Block Assembly)

      Disconnect the instrument panel junction block assembly connectors.

    2. Measure the resistance according to the value(s) in the table below.

      Standard Resistance

      Tester Connection

      Condition

      Specified Condition

      3D-9 - Body ground

      Always

      Below 1 Ω

    3. Measure the voltage according to the value(s) in the table below.

      Standard Voltage

      Tester Connection

      Condition

      Specified Condition

      3A-1 - Body ground

      Always

      11 to 14 V

    Result

    Proceed to

    OK

    NG

    NG

    REPAIR OR REPLACE HARNESS OR CONNECTOR

    OK
  3. CHECK HARNESS AND CONNECTOR (POWER WINDOW MASTER SWITCH ASSEMBLY - AUXILIARY BATTERY AND BODY GROUND)

    1. B276330C61

      *a

      Front view of wire harness connector

      (to Power Window Regulator Master Switch Assembly)

      Disconnect the power window regulator master switch assembly connector.

    2. Measure the resistance according to the value(s) in the table below.

      Standard Resistance

      Table 1. for LHD:

      Tester Connection

      Condition

      Specified Condition

      J5-1(E) - Body ground

      Always

      Below 1 Ω

      Standard Resistance

      Table 2. for RHD:

      Tester Connection

      Condition

      Specified Condition

      I5-1(E) - Body ground

      Always

      Below 1 Ω

    3. Measure the voltage according to the value(s) in the table below.

      Standard Voltage

      Table 3. for LHD:

      Tester Connection

      Switch Condition

      Specified Condition

      J5-6 (B) - Body ground

      Power switch on (IG)

      11 to 14 V

      Power switch off

      Below 1 V

      Standard Voltage

      Table 4. for RHD:

      Tester Connection

      Switch Condition

      Specified Condition

      I5-6 (B) - Body ground

      Power switch on (IG)

      11 to 14 V

      Power switch off

      Below 1 V

    Result

    Proceed to

    OK

    NG

    NG

    CHECK HARNESS AND CONNECTOR (INSTRUMENT PANEL JUNCTION BLOCK ASSEMBLY - POWER WINDOW REGULATOR MASTER SWITCH ASSEMBLY AND BODY GROUND)Click here

    OK
  4. INSPECT POWER WINDOW REGULATOR MASTER SWITCH ASSEMBLY

    1. Remove the power window regulator master switch assembly.

      Click here

    2. Inspect the power window regulator master switch assembly.

      Click here

    Result

    Proceed to

    OK

    NG

    OK

    REPLACE INSTRUMENT PANEL JUNCTION BLOCK ASSEMBLY

    for LHD:Click here

    for RHD:Click here

    NG

    REPLACE POWER WINDOW REGULATOR MASTER SWITCH ASSEMBLY

  5. CHECK HARNESS AND CONNECTOR (INSTRUMENT PANEL JUNCTION BLOCK ASSEMBLY - POWER WINDOW REGULATOR MASTER SWITCH ASSEMBLY AND BODY GROUND)

    1. Disconnect the 3C instrument panel junction block assembly connector.

    2. Disconnect the J5 power window regulator master switch assembly connector.

    3. Measure the resistance according to the value(s) in the table below.

      Standard Resistance

      Tester Connection

      Condition

      Specified Condition

      3C-11 - J5-6 (B)

      Always

      Below 1 Ω

      J5-1 (E) - Body ground

      Always

      Below 1 Ω

      3C-11 or J5-6 (B) - Body ground

      Always

      10 kΩ or higher

    Result

    Proceed to

    OK

    NG

    OK

    REPLACE INSTRUMENT PANEL JUNCTION BLOCK ASSEMBLY

    for LHD:Click here

    for RHD:Click here

    NG

    REPAIR OR REPLACE HARNESS OR CONNECTOR

  6. CHECK HARNESS AND CONNECTOR (MAIN BODY ECU - INSTRUMENT PANEL JUNCTION BLOCK ASSEMBLY AND BODY GROUND)

    1. Disconnect the G78 main body ECU (multiplex network body ECU) connector.

    2. Disconnect the 3C and 3D instrument panel junction block assembly connectors.

    3. Measure the resistance according to the value(s) in the table below.

      Standard Resistance

      Tester Connection

      Condition

      Specified Condition

      G78-2 (KOFF) - 3C-44

      Always

      Below 1 Ω

      3D-9 - Body ground

      Always

      Below 1 Ω

      G78-2 (KOFF) or 3C-44 - Body ground

      Always

      10 kΩ or higher

    Result

    Proceed to

    OK

    NG

    OK

    REPLACE MAIN BODY ECU (MULTIPLEX NETWORK BODY ECU)

    for LHD:Click here

    for RHD:Click here

    NG

    REPAIR OR REPLACE HARNESS OR CONNECTOR