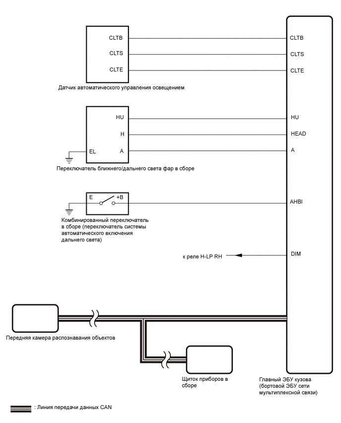
СИСТЕМА АВТОМАТИЧЕСКОГО ВКЛЮЧЕНИЯ ДАЛЬНЕГО СВЕТА СХЕМА СИСТЕМЫ

E380924E02