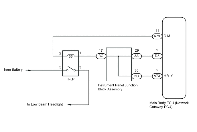
LIGHTING SYSTEM Low Beam Headlight Circuit

DESCRIPTION

The main body ECU (network gateway ECU) receives headlight dimmer switch assembly information signals, and illuminates the low beam headlight.

WIRING DIAGRAM

A004IQIE06

CAUTION / NOTICE / HINT

Tech Tips

Inspect the fuses and bulbs for circuits related to this system before performing the following inspection procedure.

PROCEDURE


  1. PERFORM ACTIVE TEST USING GTS (H-LP RELAY)


    1. Connect the GTS to the DLC3.

    2. Turn the ignition switch to ON.

    3. Turn the GTS on.

    4. Enter the following menus: Body Electrical / Main Body / Active Test

    5. Check that the relay operates.

      Main Body
      Tester Display Test Part Control Range Diagnostic Note
      Headlight Relay Low beam headlight relay ON/OFF -
      OK
      Headlight relay operates (low beam headlights illuminate).
      Result
      Result Proceed to
      NG A
      OK B

    B
    A
  2. INSPECT H-LP RELAY


    1. Remove the H-LP relay from the engine room relay block.

    2. Inspect the H-LP relay Click here.


    NG
    OK
  3. CHECK HARNESS AND CONNECTOR (H-LP RELAY - BATTERY)

    A004JO3E01
    Text in Illustration
    *a

    Engine Room Relay Block

    (H-LP Relay Terminal)


    1. Measure the voltage according to the value(s) in the table below.

      Standard Voltage
      Tester Connection Condition Specified Condition
      Relay terminal 5 - Body ground Always 11 to 14 V

    NG
    OK
  4. CHECK HARNESS AND CONNECTOR (H-LP RELAY - MAIN BODY ECU (NETWORK GATEWAY ECU))


    1. Disconnect the A73 main body ECU (network gateway ECU) connector.

    2. Measure the resistance according to the value(s) in the table below.

      Standard Resistance (Check for Open)
      Tester Connection Condition Specified Condition
      Relay terminal 2 - A73-11 (DIM) Always Below 1 Ω
      Standard Resistance (Check for Short)
      Tester Connection Condition Specified Condition
      A73-11 (DIM) - Body ground Always 10 kΩ or higher

    NG
    OK
  5. CHECK HARNESS AND CONNECTOR (H-LP RELAY - INSTRUMENT PANEL JUNCTION BLOCK ASSEMBLY)


    1. Disconnect the 3C instrument panel junction block assembly connector.

    2. Measure the resistance according to the value(s) in the table below.

      Standard Resistance (Check for Open)
      Tester Connection Condition Specified Condition
      Relay terminal 1 - 3C-17 Always Below 1 Ω
      Standard Resistance (Check for Short)
      Tester Connection Condition Specified Condition
      3C-17 - Body ground Always 10 kΩ or higher

    NG
    OK
  6. CHECK HARNESS AND CONNECTOR (INSTRUMENT PANEL JUNCTION BLOCK ASSEMBLY - MAIN BODY ECU (NETWORK GATEWAY ECU))


    1. Disconnect the 3A and 3C instrument panel junction block assembly connector.

    2. Disconnect the D5 and A73 main body ECU (network gateway ECU) connector.

    3. Measure the resistance according to the value(s) in the table below.

      Standard Resistance (Check for Open)
      Tester Connection Condition Specified Condition
      3A-29 - D5-1 Always Below 1 Ω
      3C-30 - A73-2 Always Below 1 Ω
      Standard Resistance (Check for Short)
      Tester Connection Condition Specified Condition
      D5-1 - Body ground Always 10 kΩ or higher
      A73-2(HRLY) - Body ground Always 10 kΩ or higher

    NG
    OK
  7. INSPECT INSTRUMENT PANEL JUNCTION BLOCK ASSEMBLY


    1. Remove the instrument panel junction block assembly Click here.

    2. Remove the main body ECU (network gateway ECU) from the instrument panel junction block assembly.

    3. Measure the resistance according to the value(s) in the table below.

      A004HD5E02
      Text in Illustration
      *a

      Component without harness connected

      (Instrument Panel Junction Block Assembly)

      - -
      Standard Resistance
      Tester Connection Condition Specified Condition
      3C-17 - 3A-29 Always Below 1 Ω
      3C-17 - 3C-30 Always Below 1 Ω

    OK
    NG