ДИНАМИЧЕСКАЯ РАДАРНАЯ СИСТЕМА КРУИЗ-КОНТРОЛЯ Цепь выключателя системы контроля дистанции

Код DTC Наименование DTC
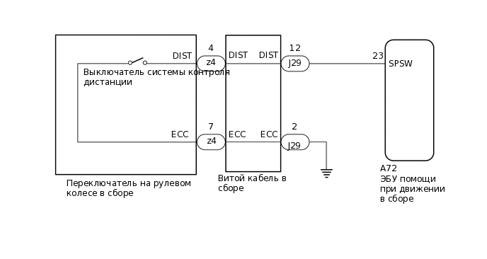
Цепь выключателя системы контроля дистанции

ОПИСАНИЕ

Переключатель контроля дистанции используется для установки дистанции для режима контроля дистанции между автомобилями. Выключатель системы контроля дистанции встроен в переключатели на рулевом колесе в сборе. Заданное значение дистанции между автомобилями можно изменить с помощью переключателя на рулевом колесе (переключателя контроля дистанции) во время работы динамической радарной системы круиз-контроля в режиме контроля дистанции между автомобилями.

СХЕМА ЭЛЕКТРИЧЕСКИХ СОЕДИНЕНИЙ

A303849E42

ПРЕДОСТЕРЕЖЕНИЕ / ПРИМЕЧАНИЕ / УКАЗАНИЕ

Note:
  • Автомобиль оборудован дополнительной системой (пассивной) безопасности (SRS), в которую входят такие устройства, как подушки безопасности. Прежде чем приступать к обслуживанию (включая снятие и установку деталей), изучите меры предосторожности при работе с системой SRS.

    Нажмите здесьClick hereClick hereClick here

  • ЭБУ помощи при движении в сборе следует заменять исключительно новым ЭБУ. Если используется ЭБУ помощи при движении в сборе с другого автомобиля, информация, хранящаяся в ЭБУ помощи при движении в сборе, не будет совпадать с информацией автомобиля. В результате может быть зарегистрирован код DTC.

ПОРЯДОК ВЫПОЛНЕНИЯ

  1. СНИМИТЕ ПОКАЗАНИЯ GTS (ВЫКЛЮЧАТЕЛЬ СИСТЕМЫ КОНТРОЛЯ ДИСТАНЦИИ)

    1. Подключите GTS к DLC3.

    2. Включите зажигание (IG).

    3. Включите GTS.

    4. Войдите в следующие меню: Powertrain / Radar Cruise 2 / Data List.

    5. Снимите показания с дисплея GTS в режиме DATA LIST.

      Powertrain > Radar Cruise2 > Data List

      Информация на дисплее прибора

      Измеряемая величина

      Диапазон

      Нормальное состояние

      Замечание по диагностике

      Переключатель контроля дистанции

      Сигнал переключателя контроля дистанции

      ON (ВКЛ) или OFF (ВЫКЛ)

      ON (ВКЛ): выключатель системы контроля дистанции во включенном состоянии

      OFF (ВЫКЛ): выключатель системы контроля дистанции в выключенном состоянии

      -

      Powertrain > Radar Cruise2 > Data List

      Информация на дисплее прибора

      Переключатель контроля дистанции

      OK

      Значение параметра Data List, представленное в таблице, изменяется в соответствии с состоянием переключателя на рулевом колесе в сборе (выключатель системы контроля дистанции).

    Результат

    Перейти к

    OK

    НЕ СООТВ.

    OK

    ПЕРЕЙДИТЕ К СЛЕДУЮЩЕЙ ПРЕДПОЛАГАЕМОЙ ЗОНЕ, УКАЗАННОЙ В ТАБЛИЦЕ ПРИЗНАКОВ НЕИСПРАВНОСТЕЙ

    Нажмите здесьClick hereClick here

    NG
  2. ПРОВЕРЬТЕ ПЕРЕКЛЮЧАТЕЛИ НА РУЛЕВОМ КОЛЕСЕ

    1. Снимите переключатели на рулевом колесе в сборе.

      Нажмите здесьClick hereClick here

    2. Проверьте переключатель на рулевом колесе в сборе.

      Нажмите здесьClick hereClick here

    Результат

    Перейти к

    OK

    НЕ СООТВ.

    НЕ СООТВ.

    ЗАМЕНИТЕ ПЕРЕКЛЮЧАТЕЛИ НА РУЛЕВОМ КОЛЕСЕ

    Нажмите здесьClick here

    СООТВ
  3. ПРОВЕРЬТЕ ВИТОЙ КАБЕЛЬ В СБОРЕ

    1. Снимите витой кабель в сборе.

      Нажмите здесьClick hereClick here

    2. Проверьте состояние витого кабеля

      Нажмите здесьClick hereClick here

    Результат

    Перейти к

    OK

    НЕ СООТВ.

    НЕ СООТВ.

    ЗАМЕНИТЕ ВИТОЙ КАБЕЛЬ В СБОРЕ

    Нажмите здесьClick hereClick here

    СООТВ
  4. ПРОВЕРЬТЕ ЖГУТ ПРОВОДОВ И РАЗЪЕМ (ВИТОЙ КАБЕЛЬ - ЭБУ ПОМОЩИ ПРИ ДВИЖЕНИИ И МАССА)

    1. Отсоедините разъем витого кабеля в сборе.

    2. Отсоедините разъем ЭБУ помощи при движении.

    3. Измерьте сопротивление в соответствии со значениями, приведенными в таблице ниже.

      Номинальное сопротивление

      Подключение диагностического прибора

      Условие

      Заданные условия

      J29-12 (DIST) - A72-23 (SPSW)

      Всегда

      Менее 1 Ом

      J29-2 (ECC) - масса

      Всегда

      Менее 1 Ом

      J29-12 (DIST) или A72-23 (SPSW) - масса

      Всегда

      10 кОм или более

    Результат

    Перейти к

    OK

    НЕ СООТВ.

    OK

    ЗАМЕНИТЕ ЭБУ ПОМОЩИ ПРИ ДВИЖЕНИИ

    Нажмите здесьClick here

    NG

    ОТРЕМОНТИРУЙТЕ ИЛИ ЗАМЕНИТЕ ЖГУТ ПРОВОДОВ ИЛИ РАЗЪЕМ