СИСТЕМА МОНИТОРА ПАНОРАМНОГО ОБЗОРА Ненормальное изображение с камеры панорамного обзора

Код DTC Наименование DTC
Ненормальное изображение с камеры панорамного обзора

ОПИСАНИЕ

Сигнал изображения от каждой телекамеры передается в радиоприемник с дисплеем в сборе через контроллер телекамеры.

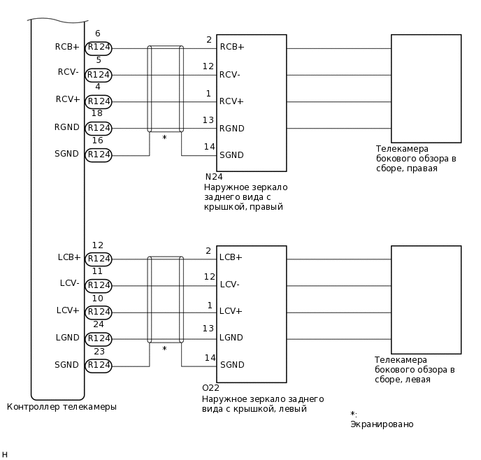
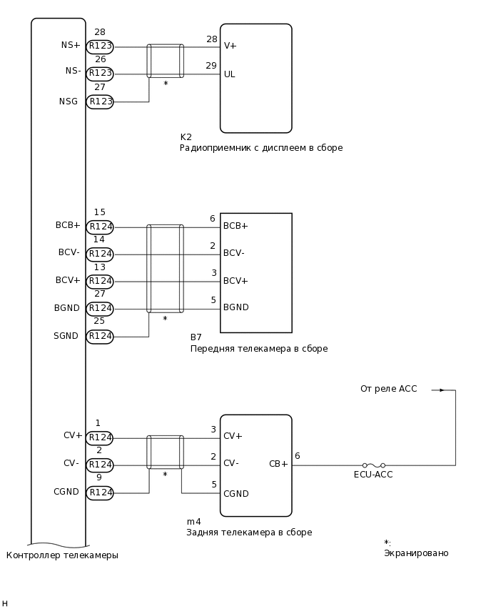
СХЕМА ЭЛЕКТРИЧЕСКИХ СОЕДИНЕНИЙ

E372773E02
E372774E06

ПРЕДОСТЕРЕЖЕНИЕ / ПРИМЕЧАНИЕ / УКАЗАНИЕ

Note:
  • Если отображается на дисплее радиоприемника После отсоединения провода от отрицательного (-) вывода аккумуляторной батареи, скорректируйте нейтральное положение рулевого колеса.

    Нажмите здесьClick here

  • В зависимости от замененных деталей или операций, которые были выполнены при проверке или обслуживании автомобиля, может потребоваться калибровка других систем, а также системы панорамного обзора.

    Нажмите здесьClick here

Tip:
  • Даже при нормальных условиях изображение может быть трудноразличимо, если:

  • Электрические устройства используются в салоне (на изображении могут возникать помехи).

  • Объектив камеры покрыт инеем (непосредственно после включения зажигания (IG) изображение может оказаться нерезким или темнее обычного).

  • Объектив камеры закрыт снегом, грязью и т.д.

  • Неблагоприятное воздействие на камеру оказывает сильный луч света, например, солнечный свет или свет фар.

  • Вокруг камеры слишком темно (например, ночью).

  • Температура окружающей среды, в которой находится камера, слишком высокая или слишком низкая.

  • Автомобиль находится на крутом склоне.

  • Поцарапан объектив телекамеры.

  • На объективе телекамеры присутствуют капли воды, или влажность высока.

  • Когда камера используется в местах расположения флюоресцентных, натриевых, ртутных и пр. ламп, изображения ламп и освещаемой зоны могут мерцать.

ПОРЯДОК ВЫПОЛНЕНИЯ

  1. ПРОВЕРЬТЕ СИСТЕМУ ПАНОРАМНОГО ОБЗОРА

    1. Проверьте, проявляется ли эта же неисправность при отображении экрана монитора панорамного изображения.

    Result

    Result

    Перейти К

    Экран заднего вида не отображается.

    A

    Экран переднего вида не отображается.

    B

    Экран левого бокового вида не отображается.

    C

    Экран правого бокового вида не отображается.

    D

    Экран панорамного обзора не отображается.

    E

    B

    ПРОВЕРЬТЕ ЖГУТ ПРОВОДОВ И РАЗЪЕМ (КОНТРОЛЛЕР ТЕЛЕКАМЕРЫ – ПЕРЕДНЯЯ ТЕЛЕКАМЕРА В СБОРЕ)Click here

    C

    ПРОВЕРЬТЕ ЖГУТ ПРОВОДОВ И РАЗЪЕМ (КОНТРОЛЛЕР ТЕЛЕКАМЕРЫ – НАРУЖНОЕ ЗЕРКАЛО ЗАДНЕГО ВИДА С КРЫШКОЙ, ЛЕВЫЙ)Click here

    D

    ПРОВЕРЬТЕ ЖГУТ ПРОВОДОВ И РАЗЪЕМ (КОНТРОЛЛЕР ТЕЛЕКАМЕРЫ – НАРУЖНОЕ ЗЕРКАЛО ЗАДНЕГО ВИДА С КРЫШКОЙ, ПРАВЫЙ)Click here

    E

    ПРОВЕРЬТЕ ЖГУТ ПРОВОДОВ И РАЗЪЕМ (КОНТРОЛЛЕР ТЕЛЕКАМЕРЫ - РАДИОПРИЕМНИК С ДИСПЛЕЕМ В СБОРЕ)Click here

    A
  2. ПРОВЕРЬТЕ ЖГУТ ПРОВОДОВ И РАЗЪЕМ (КОНТРОЛЛЕР ТЕЛЕКАМЕРЫ – ЗАДНЯЯ ТЕЛЕКАМЕРА В СБОРЕ)

    Нажмите здесьClick here

    Результат

    Перейти к

    OK

    НЕ СООТВ.

    НЕ СООТВ.

    ОТРЕМОНТИРУЙТЕ ИЛИ ЗАМЕНИТЕ ЖГУТ ПРОВОДОВ ИЛИ РАЗЪЕМ

    СООТВ
  3. ПРОВЕРЬТЕ ЖГУТ ПРОВОДОВ И РАЗЪЕМ (ЦЕПЬ ПИТАНИЯ ACC) - МАССА

    Нажмите здесьClick here

    Результат

    Перейти к

    OK

    НЕ СООТВ.

    НЕ СООТВ.

    ЗАМЕНИТЕ КОНТРОЛЛЕР ТЕЛЕКАМЕРЫ

    Нажмите здесьClick here

    СООТВ
  4. ПРОВЕРЬТЕ КОНТРОЛЛЕР ТЕЛЕКАМЕРЫ (CV-, CGND)

    Нажмите здесьClick here

    Результат

    Перейти к

    OK

    НЕ СООТВ.

    НЕ СООТВ.

    ЗАМЕНИТЕ КОНТРОЛЛЕР ТЕЛЕКАМЕРЫ

    Нажмите здесьClick here

    СООТВ
  5. ПРОВЕРЬТЕ ЗАДНЮЮ ТЕЛЕКАМЕРУ В СБОРЕ (CV+, CGND)

    Нажмите здесьClick here

    Результат

    Перейти к

    OK

    НЕ СООТВ.

    СООТВ

    ЗАМЕНИТЕ КОНТРОЛЛЕР ТЕЛЕКАМЕРЫ

    Нажмите здесьClick here

    NG

    ЗАМЕНИТЕ ТЕЛЕКАМЕРУ ЗАДНЕГО ВИДА В СБОРЕ

    Нажмите здесьClick here

  6. ПРОВЕРЬТЕ ЖГУТ ПРОВОДОВ И РАЗЪЕМ (КОНТРОЛЛЕР ТЕЛЕКАМЕРЫ – ПЕРЕДНЯЯ ТЕЛЕКАМЕРА В СБОРЕ)

    Нажмите здесьClick here

    Результат

    Перейти к

    OK

    НЕ СООТВ.

    НЕ СООТВ.

    ОТРЕМОНТИРУЙТЕ ИЛИ ЗАМЕНИТЕ ЖГУТ ПРОВОДОВ ИЛИ РАЗЪЕМ

    СООТВ
  7. ПРОВЕРЬТЕ КОНТРОЛЛЕР ТЕЛЕКАМЕРЫ (BCV-, BGND)

    Нажмите здесьClick here

    Результат

    Перейти к

    OK

    NG

    СООТВ

    ЗАМЕНИТЕ КОНТРОЛЛЕР ТЕЛЕКАМЕРЫ

    Нажмите здесьClick here

    НЕ СООТВ.
  8. ПРОВЕРЬТЕ КОНТРОЛЛЕР ТЕЛЕКАМЕРЫ (BCB+, BGND)

    Нажмите здесьClick here

    Результат

    Перейти к

    OK

    НЕ СООТВ.

    НЕ СООТВ.

    ЗАМЕНИТЕ КОНТРОЛЛЕР ТЕЛЕКАМЕРЫ

    Нажмите здесьClick here

    СООТВ
  9. ПРОВЕРЬТЕ ПЕРЕДНЮЮ ТЕЛЕКАМЕРУ (BCV+, BGND)

    Нажмите здесьClick here

    Результат

    Перейти к

    OK

    НЕ СООТВ.

    СООТВ

    ЗАМЕНИТЕ КОНТРОЛЛЕР ТЕЛЕКАМЕРЫ

    Нажмите здесьClick here

    NG

    ЗАМЕНИТЕ ПЕРЕДНЮЮ ТЕЛЕКАМЕРУ В СБОРЕ

    Нажмите здесьClick here

  10. ПРОВЕРЬТЕ ЖГУТ ПРОВОДОВ И РАЗЪЕМ (КОНТРОЛЛЕР ТЕЛЕКАМЕРЫ – НАРУЖНОЕ ЗЕРКАЛО ЗАДНЕГО ВИДА С КРЫШКОЙ, ЛЕВЫЙ)

    Нажмите здесьClick here

    Результат

    Перейти к

    OK

    НЕ СООТВ.

    НЕ СООТВ.

    ОТРЕМОНТИРУЙТЕ ИЛИ ЗАМЕНИТЕ ЖГУТ ПРОВОДОВ ИЛИ РАЗЪЕМ

    СООТВ
  11. ПРОВЕРЬТЕ КОНТРОЛЛЕР ТЕЛЕКАМЕРЫ (LCV-, LGND)

    Нажмите здесьClick here

    Результат

    Перейти к

    OK

    НЕ СООТВ.

    НЕ СООТВ.

    ЗАМЕНИТЕ КОНТРОЛЛЕР ТЕЛЕКАМЕРЫ

    Нажмите здесьClick here

    СООТВ
  12. ПРОВЕРЬТЕ КОНТРОЛЛЕР ТЕЛЕКАМЕРЫ (LCB+, LGND)

    Нажмите здесьClick here

    Результат

    Перейти к

    OK

    НЕ СООТВ.

    НЕ СООТВ.

    ЗАМЕНИТЕ КОНТРОЛЛЕР ТЕЛЕКАМЕРЫ

    Нажмите здесьClick here

    СООТВ
  13. ПРОВЕРЬТЕ ЛЕВУЮ БОКОВУЮ ТЕЛЕКАМЕРУ (LCV+, LGND)

    Нажмите здесьClick here

    Результат

    Перейти к

    OK

    НЕ СООТВ.

    СООТВ

    ЗАМЕНИТЕ КОНТРОЛЛЕР ТЕЛЕКАМЕРЫ

    Нажмите здесьClick here

    NG
  14. ЗАМЕНИТЕ ЛЕВУЮ БОКОВУЮ ТЕЛЕКАМЕРУ В СБОРЕ

    1. Замените левую боковую телекамеру в сборе новой или заведомо исправной.

      Нажмите здесьClick here

    2. Проверьте, проявляется ли неисправность вновь при отображении экрана монитора бокового обзора.

    Result

    Result

    Перейти к

    Неисправность не повторяется (восстанавливается нормальная работа)

    A

    Неисправность возникает повторно

    Б

    А

    КОНЕЦ (ЛЕВАЯ БОКОВАЯ ТЕЛЕКАМЕРА НЕИСПРАВНА)

    B

    ЗАМЕНИТЕ ЛЕВОЕ НАРУЖНОЕ ЗЕРКАЛО ЗАДНЕГО ВИДА С КРЫШКОЙ В СБОРЕ

    Нажмите здесьClick here

  15. ПРОВЕРЬТЕ ЖГУТ ПРОВОДОВ И РАЗЪЕМ (КОНТРОЛЛЕР ТЕЛЕКАМЕРЫ – НАРУЖНОЕ ЗЕРКАЛО ЗАДНЕГО ВИДА С КРЫШКОЙ, ПРАВЫЙ)

    Нажмите здесьClick here

    Результат

    Перейти к

    OK

    НЕ СООТВ.

    НЕ СООТВ.

    ОТРЕМОНТИРУЙТЕ ИЛИ ЗАМЕНИТЕ ЖГУТ ПРОВОДОВ ИЛИ РАЗЪЕМ

    СООТВ
  16. ПРОВЕРЬТЕ КОНТРОЛЛЕР ТЕЛЕКАМЕРЫ (RCV-, RGND)

    Нажмите здесьClick here

    Результат

    Перейти к

    OK

    НЕ СООТВ.

    НЕ СООТВ.

    ЗАМЕНИТЕ КОНТРОЛЛЕР ТЕЛЕКАМЕРЫ

    Нажмите здесьClick here

    СООТВ
  17. ПРОВЕРЬТЕ КОНТРОЛЛЕР ТЕЛЕКАМЕРЫ (RCB+, RGND)

    Нажмите здесьClick here

    Результат

    Перейти к

    OK

    НЕ СООТВ.

    НЕ СООТВ.

    ЗАМЕНИТЕ КОНТРОЛЛЕР ТЕЛЕКАМЕРЫ

    Нажмите здесьClick here

    СООТВ
  18. ПРОВЕРЬТЕ ПРАВУЮ БОКОВУЮ ТЕЛЕКАМЕРУ (RCV+, RGND)

    Нажмите здесьClick here

    Результат

    Перейти к

    OK

    НЕ СООТВ.

    СООТВ

    ЗАМЕНИТЕ КОНТРОЛЛЕР ТЕЛЕКАМЕРЫ

    Нажмите здесьClick here

    NG
  19. ЗАМЕНИТЕ ПРАВУЮ БОКОВУЮ ТЕЛЕКАМЕРУ В СБОРЕ

    1. Замените правую боковую телекамеру в сборе новой или заведомо исправной.

      Нажмите здесьClick here

    2. Проверьте, проявляется ли неисправность вновь при отображении экрана монитора бокового обзора.

    Result

    Result

    Перейти к

    Неисправность не повторяется (восстанавливается нормальная работа)

    A

    Неисправность возникает повторно

    Б

    A

    КОНЕЦ (ПРАВАЯ БОКОВАЯ ТЕЛЕКАМЕРА НЕИСПРАВНА)

    B

    ЗАМЕНИТЕ ПРАВОЕ НАРУЖНОЕ ЗЕРКАЛО ЗАДНЕГО ВИДА С КРЫШКОЙ В СБОРЕ

    Нажмите здесьClick here

  20. ПРОВЕРЬТЕ ЖГУТ ПРОВОДОВ И РАЗЪЕМ (КОНТРОЛЛЕР ТЕЛЕКАМЕРЫ - РАДИОПРИЕМНИК С ДИСПЛЕЕМ В СБОРЕ)

    1. Отсоедините разъем R123 контроллер телекамеры.

    2. Отсоедините разъем K2 радиоприемника с дисплеем в сборе.

    3. Измерьте сопротивление в соответствии со значениями, приведенными в таблице ниже.

      Номинальное сопротивление

      Подключение диагностического прибора

      Условие

      Заданные условия

      K2-28 (NS+) - R123-28 (V)

      Всегда

      Менее 1 Ом

      R123-26 (NS-) - K2-29 (V-)

      Всегда

      Менее 1 Ом

      R123-27 (NSG) - масса

      Всегда

      Менее 1 Ом

      K2-28 (NS+) или R123-28 (V+) - масса

      Всегда

      10 кОм или более

      R123-26 (NS-) или K2-29 (V-) - масса

      Всегда

      10 кОм или более

    Результат

    Перейти к

    OK

    НЕ СООТВ.

    НЕ СООТВ.

    ОТРЕМОНТИРУЙТЕ ИЛИ ЗАМЕНИТЕ ЖГУТ ПРОВОДОВ ИЛИ РАЗЪЕМ

    СООТВ
  21. ПРОВЕРЬТЕ КОНТРОЛЛЕР ТЕЛЕКАМЕРЫ (NS-, NSG)

    1. Отсоедините разъем R123 контроллер телекамеры.

    2. E372786C01

      *a

      Устройство с неподсоединенным жгутом проводов

      (контроллер телекамеры)

      Измерьте сопротивление в соответствии со значениями, приведенными в таблице ниже.

      Номинальное сопротивление

      Подключение диагностического прибора

      Условие

      Заданные условия

      27 (NSG) - масса

      Всегда

      Менее 1 Ом

      26 (NS-) - масса

      Всегда

      Менее 1 Ом

    Результат

    Перейти к

    OK

    НЕ СООТВ.

    НЕ СООТВ.

    ЗАМЕНИТЕ КОНТРОЛЛЕР ТЕЛЕКАМЕРЫ

    Нажмите здесьClick here

    СООТВ
  22. ПРОВЕРЬТЕ КОНТРОЛЛЕР ТЕЛЕКАМЕРЫ (NS+, NSG)

    1. Снимите контроллер телекамеры вместе с установленным разъемом.

    2. С помощью осциллографа проверьте форму сигнала передней телекамеры.

      Tip:

      Разъем передней телекамеры в сборе является водонепроницаемым. Поэтому проверяйте форму сигнала на контроллер телекамеры вместе с подсоединенным разъемом.

      E372787C04

      *a

      Устройство с подсоединенным жгутом проводов

      (контроллер телекамеры)

      *b

      Осциллограмма 1

      *c

      Сигнал синхронизации

      *d

      Сигнал видеоизображения

      Tip:

      Форма видеосигнала изменяется в соответствии с изображением, которое передает передняя телекамера в сборе.

      Table 1. Условия измерений

      Наименование

      Описание

      Номера контактов (обозначения)

      (NS+) - R123-27 R123-28 (NSG)

      Настройки прибора

      200 мВ/дел., 50 мкс/дел.

      Условие

      Зажигание включено (IG), отображается изображение панорамного обзора

      СООТВ

      Форма сигнала подобна показанной на рисунке.

    Result

    Перейти к

    OK

    НЕ СООТВ.

    OK

    ЗАМЕНИТЕ РАДИОПРИЕМНИК С ДИСПЛЕЕМ В СБОРЕ

    Нажмите здесьClick here

    НЕ СООТВ.

    ЗАМЕНИТЕ КОНТРОЛЛЕР ТЕЛЕКАМЕРЫ

    Нажмите здесьClick here