DESCRIPTION
The main body ECU (network gateway ECU) receives headlight dimmer switch information signals, and illuminates the high beam headlight.
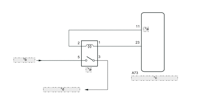
WIRING DIAGRAM
| *a | DIM |
| *b | from Battery |
| *c | Main Body ECU (Network Gateway ECU) |
| *d | to High Beam Headlight |
CAUTION / NOTICE / HINT
Tech Tips
Inspect the fuses and bulbs for circuits related to this system before performing the following inspection procedure.
PROCEDURE
PERFORM ACTIVE TEST USING GTS (HEAD LIGHT HI)
Connect the GTS to the DLC3.
Turn the ignition switch to ON.
Turn the GTS on.
Enter the following menus: Body Electrical / Main Body / Active Test
Check that the relay operates.
| Tester Display | Test Part | Control Range | Diagnostic Note |
|---|---|---|---|
| Head Light Hi | Headlight dimmer relay | ON/OFF | - |
| OK |
|---|
| Relay operates (high beam headlights illuminate). |
| Result | ||||||
|---|---|---|---|---|---|---|
|
| B |
|
REPLACE MAIN BODY ECU (NETWORK GATEWAY ECU) Click here |
| A |
|
INSPECT DIM RELAY
Remove the DIM relay from the engine room relay block.
Inspect the DIM relay Click here.
| NG |
|
REPLACE DIM RELAY |
| OK |
|
CHECK HARNESS AND CONNECTOR (BATTERY - DIM RELAY)
| *a | Engine Room Relay Block (DIM Relay Terminal) |
Measure the voltage according to the value(s) in the table below.
| Standard Voltage | ||||||
|---|---|---|---|---|---|---|
|
| NG |
|
REPAIR OR REPLACE HARNESS OR CONNECTOR |
| OK |
|
CHECK HARNESS AND CONNECTOR (DIM RELAY - MAIN BODY ECU (NETWORK GATEWAY ECU))
Disconnect the A73 main body ECU (network gateway ECU) connector.
Measure the resistance according to the value(s) in the table below.
| Standard Resistance (Check for Open) | |||||||||
|---|---|---|---|---|---|---|---|---|---|
|
| Standard Resistance (Check for Short) | |||||||||
|---|---|---|---|---|---|---|---|---|---|
|
| OK |
|
PROCEED TO NEXT SUSPECTED AREA SHOWN IN PROBLEM SYMPTOMS TABLE Click here |
| NG |
|
REPAIR OR REPLACE HARNESS OR CONNECTOR |