REAR DOOR SUNSHADE SYSTEM Front and Rear Switch cannot Operate Left Door Sunshade

DESCRIPTION

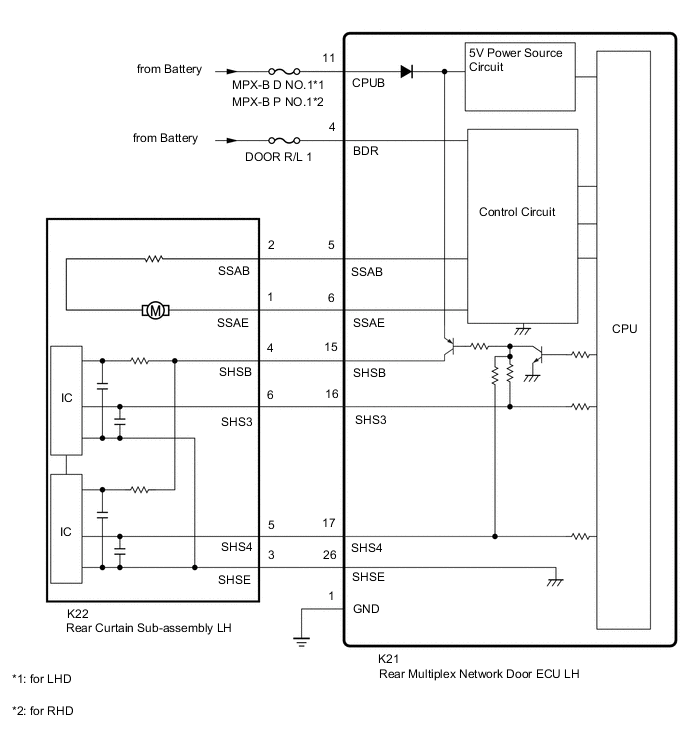
The left rear door sunshade is controlled by the rear multiplex network door ECU LH and operates the rear curtain sub-assembly LH.

WIRING DIAGRAM

B006DP1E09

CAUTION / NOTICE / HINT

Note

Inspect fuses for circuits related to this system before performing the following inspection procedure.

PROCEDURE


  1. PERFORM ACTIVE TEST USING GTS


    1. Using the GTS, perform the Active Test.

      Click here


      Body Electrical > Rear Left Door > Active Test
      Tester Display Measurement Item Control Range Diagnostic Note
      Rear Door Sunshade Up Rear curtain sub-assembly LH close operation Up or Stop w/ Side Window Curtain specification: a rear side window curtain assembly LH close operation is also performed
      Rear Door Sunshade Down Rear curtain sub-assembly LH open operation Down or Stop w/ Side Window Curtain specification: a rear side window curtain assembly LH open operation is also performed

      Body Electrical > Rear Left Door > Active Test
      Tester Display
      Rear Door Sunshade Up

      Body Electrical > Rear Left Door > Active Test
      Tester Display
      Rear Door Sunshade Down
      OK
      The Active Test is performed normally.
      Result
      Proceed to
      OK
      NG

    NG
    OK
  2. CHECK HARNESS AND CONNECTOR (REAR MULTIPLEX NETWORK DOOR ECU LH - REAR CURTAIN SUB-ASSEMBLY LH)


    1. Disconnect the K21 rear multiplex network door ECU LH connector.

    2. Disconnect the K22 rear curtain sub-assembly LH connector.

    3. Measure the resistance according to the value(s) in the table below.

      Standard Resistance
      Tester Connection Condition Specified Condition
      K21-15 (SHSB) - K22-4 (SHSB) Always Below 1 Ω
      K21-16 (SHS3) - K22-6 (SHS3) Always Below 1 Ω
      K21-17 (SHS4) - K22-5 (SHS4) Always Below 1 Ω
      K21-26 (SHSE) - K22-3 (SHSE) Always Below 1 Ω
      K21-15 (SHSB) or K22-4 (SHSB) - Body ground Always 10 kΩ or higher
      K21-16 (SHS3) or K22-6 (SHS3) - Body ground Always 10 kΩ or higher
      K21-17 (SHS4) or K22-5 (SHS4) - Body ground Always 10 kΩ or higher
      K21-26 (SHSE) or K22-3 (SHSE) - Body ground Always 10 kΩ or higher
      Result
      Proceed to
      OK
      NG

    NG
    OK
  3. CHECK REAR MULTIPLEX NETWORK DOOR ECU LH


    1. Disconnect the K21 rear multiplex network door ECU LH connector.

    2. Measure the resistance according to the value(s) in the table below.

      Standard Resistance
      Tester Connection Condition Specified Condition
      K22-3 (SHSE) - Body ground Always Below 1 Ω
    3. Measure the voltage according to the value(s) in the table below.

      Standard Voltage
      Tester Connection Switch Condition Specified Condition
      K22-4 (SHSB) - Body ground Engine switch on (IG) 11 to 14 V
      K22-5 (SHS4) - Body ground Engine switch on (IG) 11 to 14 V
      K22-6 (SHS3) - Body ground Engine switch on (IG) 11 to 14 V
      Result
      Proceed to
      OK
      NG

    OK
    NG
  4. CHECK HARNESS AND CONNECTOR (REAR MULTIPLEX NETWORK DOOR ECU LH - BATTERY AND BODY GROUND)


    1. Disconnect the K21 rear multiplex network door ECU LH connector.

    2. Measure the resistance according to the value(s) in the table below.

      Standard Resistance
      Tester Connection Condition Specified Condition
      K21-1 (GND) - Body ground Always Below 1 Ω
    3. Measure the voltage according to the value(s) in the table below.

      Standard Voltage
      Tester Connection Condition Specified Condition
      K21-4 (BDR) - Body ground Always 11 to 14 V
      K21-11 (CPUB) - Body ground Always 11 to 14 V
      Result
      Proceed to
      OK
      NG

    NG
    OK
  5. INSPECT REAR CURTAIN SUB-ASSEMBLY LH


    1. Remove the rear curtain sub-assembly LH.

      Click here

    2. Inspect the rear curtain sub-assembly LH.

      Click here

      Result
      Proceed to
      OK
      NG

    NG
    OK
  6. CHECK HARNESS AND CONNECTOR (REAR MULTIPLEX NETWORK DOOR ECU LH - REAR CURTAIN SUB-ASSEMBLY LH)


    1. Disconnect the K21 rear multiplex network door ECU LH connector.

    2. Disconnect the K22 rear curtain sub-assembly LH connector.

    3. Measure the resistance according to the value(s) in the table below.

      Standard Resistance
      Tester Connection Condition Specified Condition
      K21-5 (SSAB) - K22-2 (SSAB) Always Below 1 Ω
      K21-6 (SSAE) - K22-1 (SSAE) Always Below 1 Ω
      K21-5 (SSAB) or K22-2 (SSAB) - Body ground Always 10 kΩ or higher
      K21-6 (SSAE) or K22-1 (SSAE) - Body ground Always 10 kΩ or higher
      Result
      Proceed to
      OK
      NG

    OK
    NG