SFI SYSTEM VC Output Circuit

DTC Code DTC Name
VC Output Circuit

DESCRIPTION

The ECM constantly generates a 5 V power source voltage from the battery voltage supplied to the +B, +B2 (BATT) terminals to operate the microprocessor. The ECM also provides this power to the sensors through the VC output circuit.

A256646E28

When the VC circuit is short-circuited, the microprocessor in the ECM and sensors that are supplied with power through the VC circuit are deactivated because power is not supplied from the VC circuit. Under this condition, the system does not start up and the MIL does not illuminate even if the system malfunctions.

Tip:

Under normal conditions, the MIL is illuminated when the ignition switch is turned to ON. The MIL goes off when the engine is started.

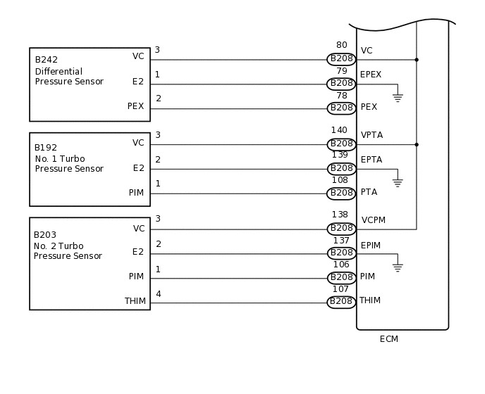
WIRING DIAGRAM

A349807E04
A426561E01
A426562E01

PROCEDURE

  1. CHECK MIL

    1. Check that the Malfunction Indicator Lamp (MIL) lights up when the ignition switch is turned to ON.

      OK

      MIL lights up.

    Result

    Proceed to

    OK

    NG

    OK

    PROCEED TO NEXT SUSPECTED AREA SHOWN IN PROBLEM SYMPTOMS TABLE

    NG
  2. CHECK COMMUNICATION BETWEEN GTS AND ECM

    1. Connect the GTS to the DLC3.

    2. Turn the ignition switch to ON.

    3. Turn the GTS on.

    4. Check the communication between the GTS and ECM.

    Result

    Result

    Proceed to

    Communication is not possible

    A

    Communication is possible

    B

    B

    GO TO MIL CIRCUIT

    A
  3. CHECK MIL (THROTTLE POSITION SENSOR)

    1. Disconnect the throttle body with motor assembly connector.

    2. Turn the ignition switch to ON.

    3. Check the MIL.

    Result

    Result

    Proceed to

    MIL does not illuminate

    A

    MIL illuminates

    B

    Tip:

    Perform "Inspection After Repair" after replacing the throttle body with motor assembly.

    Click here

    B

    REPLACE THROTTLE BODY WITH MOTOR ASSEMBLY

    A
  4. CHECK MIL (ACCELERATOR PEDAL SENSOR)

    1. Disconnect the accelerator pedal sensor assembly connector.

    2. Turn the ignition switch to ON.

    3. Check the MIL.

    Result

    Result

    Proceed to

    MIL does not illuminate

    A

    MIL illuminates

    B

    B

    REPLACE ACCELERATOR PEDAL SENSOR ASSEMBLY

    A
  5. CHECK MIL (CRANKSHAFT POSITION SENSOR)

    1. Disconnect the crankshaft position sensor connector.

    2. Turn the ignition switch to ON.

    3. Check the MIL.

    Result

    Result

    Proceed to

    MIL does not illuminate

    A

    MIL illuminates

    B

    B

    REPLACE CRANKSHAFT POSITION SENSOR

    A
  6. CHECK MIL (CAMSHAFT POSITION SENSOR (FOR INTAKE CAMSHAFT))

    1. Disconnect the camshaft position sensor (for intake camshaft) connector.

    2. Turn the ignition switch to ON.

    3. Check the MIL.

    Result

    Result

    Proceed to

    MIL does not illuminate

    A

    MIL illuminates

    B

    B

    REPLACE CAMSHAFT POSITION SENSOR (FOR INTAKE CAMSHAFT)

    A
  7. CHECK MIL (CAMSHAFT POSITION SENSOR (FOR EXHAUST CAMSHAFT))

    1. Disconnect the camshaft position sensor (for exhaust camshaft) connector.

    2. Turn the ignition switch to ON.

    3. Check the MIL.

    Result

    Result

    Proceed to

    MIL does not illuminate

    A

    MIL illuminates

    B

    B

    REPLACE CAMSHAFT POSITION SENSOR (FOR EXHAUST CAMSHAFT)

    A
  8. CHECK MIL (OIL PRESSURE SENDER GAUGE ASSEMBLY)

    1. Disconnect the oil pressure sender gauge assembly connector.

    2. Turn the ignition switch to ON.

    3. Check the MIL.

    Result

    Result

    Proceed to

    MIL does not illuminate

    A

    MIL illuminates

    B

    B

    REPLACE OIL PRESSURE SENDER GAUGE ASSEMBLY

    A
  9. CHECK MIL (FUEL PRESSURE SENSOR)

    1. Disconnect the fuel pressure sensor connector.

    2. Turn the ignition switch to ON.

    3. Check the MIL.

    Result

    Result

    Proceed to

    MIL does not illuminate

    A

    MIL illuminates

    B

    B

    REPLACE FUEL DELIVERY PIPE (FUEL PRESSURE SENSOR)

    A
  10. CHECK MIL (DIFFERENTIAL PRESSURE SENSOR)

    1. Disconnect the differential pressure sensor connector.

    2. Turn the ignition switch to ON.

    3. Check the MIL.

    Result

    Result

    Proceed to

    MIL does not illuminate

    A

    MIL illuminates

    B

    B

    REPLACE DIFFERENTIAL PRESSURE SENSOR

    A
  11. CHECK MIL (NO. 1 TURBO PRESSURE SENSOR)

    1. Disconnect the No. 1 turbo pressure sensor connector.

    2. Turn the ignition switch to ON.

    3. Check the MIL.

    Result

    Result

    Proceed to

    MIL does not illuminate

    A

    MIL illuminates

    B

    B

    REPLACE NO. 1 TURBO PRESSURE SENSOR

    A
  12. CHECK MIL (NO. 2 TURBO PRESSURE SENSOR)

    1. Disconnect the No. 2 turbo pressure sensor connector.

    2. Turn the ignition switch to ON.

    3. Check the MIL.

    Result

    Result

    Proceed to

    MIL does not illuminate (for CVT models)

    A

    MIL does not illuminate (for M/T models)

    B

    MIL illuminates

    C

    B

    CHECK HARNESS AND CONNECTORClick here

    C

    REPLACE NO. 2 TURBO PRESSURE SENSOR

    A
  13. CHECK MIL (OIL PRESSURE SENSOR)

    1. Disconnect the oil pressure sensor connector.

    2. Turn the ignition switch to ON.

    3. Check the MIL.

    Result

    Result

    Proceed to

    MIL does not illuminate

    A

    MIL illuminates

    B

    B

    REPLACE OIL PRESSURE SENSOR

    A
  14. CHECK HARNESS AND CONNECTOR

    1. Disconnect the throttle body with motor assembly connector.

    2. Disconnect the accelerator pedal sensor assembly connector.

    3. Disconnect the crankshaft position sensor connector.

    4. Disconnect the camshaft position sensor (for intake camshaft) connector.

    5. Disconnect the camshaft position sensor (for exhaust camshaft) connector.

    6. Disconnect the oil pressure sender gauge assembly connector.

    7. Disconnect the fuel pressure sensor connector.

    8. Disconnect the differential pressure sensor connector.

    9. Disconnect the No. 1 turbo pressure sensor connector.

    10. Disconnect the No. 2 turbo pressure sensor connector.

    11. Disconnect the oil pressure sensor connector (for CVT models).

    12. Disconnect the ECM connector.

    13. Measure the resistance according to the value(s) in the table below.

      Standard Resistance

      Tester Connection

      Condition

      Specified Condition

      B208-121 (VCTA) - Body ground

      Always

      10 kΩ or higher

      A173-49 (VCPA) - Body ground

      Always

      10 kΩ or higher

      A173-52 (VCP2) - Body ground

      Always

      10 kΩ or higher

      B208-113 (VCV1) - Body ground

      Always

      10 kΩ or higher

      B208-111 (VCE1) - Body ground

      Always

      10 kΩ or higher

      B208-110 (VCNE) - Body ground

      Always

      10 kΩ or higher

      B208-130 (VCPE) - Body ground

      Always

      10 kΩ or higher

      B208-136 (VCPR) - Body ground

      Always

      10 kΩ or higher

      B208-80 (VC) - Body ground

      Always

      10 kΩ or higher

      B208-140 (VPTA) - Body ground

      Always

      10 kΩ or higher

      B208-138 (VCPM) - Body ground

      Always

      10 kΩ or higher

      B208-118 (VCPT) - Body ground

      Always

      10 kΩ or higher

    Result

    Proceed to

    OK

    NG

    OK

    REPLACE ECM

    NG

    REPAIR OR REPLACE HARNESS OR CONNECTOR