CONTINUOUSLY VARIABLE TRANSAXLE SYSTEM(for 8NR-FTS) Shift Paddle Switch Circuit

DTC Code DTC Name
Shift Paddle Switch Circuit

DESCRIPTION

When the shift lever is in M, the shift range can be changed using the shift paddle switches. It is also possible to select the shift range when the vehicle is being driven with the shift lever in D by operating the shift paddle switches.

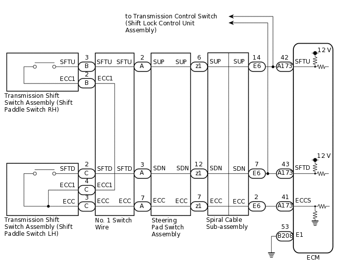
WIRING DIAGRAM

C302194E03

PROCEDURE

  1. READ VALUE USING GTS (SPORT SHIFT UP SW AND SPORT SHIFT DOWN SW)

    1. Connect the GTS to the DLC3.

    2. Turn the ignition switch to ON.

    3. Turn the GTS on.

    4. Enter the following menus: Powertrain / Engine / Data List.

    5. According to the display on the GTS, read the Data List.

      Powertrain > Engine > Data List

      Tester Display

      Measurement Item

      Range

      Normal Condition

      Diagnostic Note

      Sport Shift Up SW

      Sport shift up switch status

      OFF or ON

      • ON: Shift lever held in "+" or "+" shift paddle switch pulled

      • OFF: Shift lever not held in "+" and "+" shift paddle switch released

      -

      Sport Shift Down SW

      Sport shift down switch status

      OFF or ON

      • ON: Shift lever held in "-" or "-" shift paddle switch pulled

      • OFF: Shift lever not held in "-" and "-" shift paddle switch released

      -

      Powertrain > Engine > Data List

      Tester Display

      Sport Shift Up SW

      Sport Shift Down SW

    Result

    Result

    Proceed to

    Data List value is normal

    A

    Data List value is not normal

    B

    A

    CHECK FOR INTERMITTENT PROBLEMS

    B
  2. INSPECT TRANSMISSION SHIFT SWITCH ASSEMBLY (SHIFT PADDLE SWITCH)

    1. Disconnect the A173 ECM connector.

    2. Measure the resistance according to the value(s) in the table below.

      Standard Resistance

      Tester Connection

      Condition

      Specified Condition

      A173-42 (SFTU) - A173-41 (ECCS)

      "+" (Up shift) shift paddle operated and held

      Below 3 Ω

      A173-42 (SFTU) - A173-41 (ECCS)

      "+" (Up shift) shift paddle not operated

      10 kΩ or higher

      A173-43 (SFTD) - A173-41 (ECCS)

      "-" (Down shift) shift paddle operated and held

      Below 3 Ω

      A173-43 (SFTD) - A173-41 (ECCS)

      "-" (Down shift) shift paddle not operated

      10 kΩ or higher

    3. Connect the A173 ECM connector.

    Result

    Proceed to

    OK

    NG

    NG

    CHECK HARNESS AND CONNECTOR (SPIRAL CABLE SUB-ASSEMBLY - ECM)Click here

    OK
  3. CHECK WIRE HARNESS AND CONNECTORS (ECM - BODY GROUND)

    1. Disconnect the B208 ECM connector.

    2. Measure the resistance according to the value(s) in the table below.

      Standard Resistance

      Tester Connection

      Condition

      Specified Condition

      B208-53 (E1) - Body ground

      Always

      Below 1 Ω

    3. Connect the B208 ECM connector.

    Result

    Proceed to

    OK

    NG

    OK

    GO TO TRANSMISSION CONTROL SWITCH CIRCUIT

    NG

    REPAIR OR REPLACE HARNESS OR CONNECTOR (ECM - BODY GROUND)

  4. CHECK HARNESS AND CONNECTOR (SPIRAL CABLE SUB-ASSEMBLY - ECM)

    1. Disconnect the E6 spiral cable sub-assembly connector.

    2. Disconnect the A173 ECM connector.

    3. Measure the resistance according to the value(s) in the table below.

      Standard Resistance

      Tester Connection

      Condition

      Specified Condition

      A173-43 (SFTD) - E6-7 (SDN)

      Always

      Below 1 Ω

      A173-43 (SFTD) or E6-7 (SDN) - Body ground and other terminals

      Always

      10 kΩ or higher

      A173-42 (SFTU) - E6-14 (SUP)

      Always

      Below 1 Ω

      A173-42 (SFTU) or E6-14 (SUP) - Body ground and other terminals

      Always

      10 kΩ or higher

      A173-41 (ECCS) - E6-2 (ECC)

      Always

      Below 1 Ω

      A173-41 (ECCS) or E6-2 (ECC) - Body ground and other terminals

      Always

      10 kΩ or higher

    4. Connect the A173 ECM connector.

    5. Connect the E6 spiral cable sub-assembly connector.

    Result

    Proceed to

    OK

    NG

    NG

    REPAIR OR REPLACE HARNESS OR CONNECTOR (SPIRAL CABLE SUB-ASSEMBLY - ECM)

    OK
  5. CHECK WIRE HARNESS AND CONNECTORS (STEERING PAD SWITCH ASSEMBLY)

    1. C245153C07

      *a

      Front view of wire harness connector

      (to Spiral Cable Sub-assembly)

      Disconnect the z1 steering pad switch assembly connector from the spiral cable sub-assembly.

    2. Measure the resistance according to the value(s) in the table below.

      Standard Resistance

      Tester Connection

      Condition

      Specified Condition

      z1-6 (SUP) - z1-7 (ECC)

      "+" (Up shift) shift paddle operated and held

      Below 3 Ω

      z1-6 (SUP) - z1-7 (ECC)

      "+" (Up shift) shift paddle not operated

      10 kΩ or higher

      z1-12 (SDN) - z1-7 (ECC)

      "-" (Down shift) shift paddle operated and held

      Below 3 Ω

      z1-12 (SDN) - z1-7 (ECC)

      "-" (Down shift) shift paddle not operated

      10 kΩ or higher

    3. Connect the z1 steering pad switch assembly connector to the spiral cable sub-assembly.

    Result

    Proceed to

    OK

    NG

    NG

    INSPECT TRANSMISSION SHIFT SWITCH ASSEMBLY (SHIFT PADDLE SWITCH)Click here

    OK
  6. INSPECT SPIRAL CABLE SUB-ASSEMBLY

    1. Disconnect the z1 and E6 spiral cable sub-assembly connectors.

      C311339C01

      *a

      Component without harness connected

      (Spiral Cable Sub-assembly)

      *b

      Steering Pad Switch Side

      *c

      Vehicle Side

      -

      -

    2. Measure the resistance according to the value(s) in the table below.

      Standard Resistance

      Tester Connection

      Condition

      Specified Condition

      z1-7 (ECC) - E6-2 (ECC)

      Always

      Below 3 Ω

      z1-6 (SUP) - E6-14 (SUP)

      Always

      Below 3 Ω

      z1-12 (SDN) - E6-7 (SDN)

      Always

      Below 3 Ω

      z1-7 (ECC) or E6-2 (ECC) - Body ground and other terminals

      Always

      10 kΩ or higher

      z1-6 (SUP) or E6-14 (SUP) - Body ground and other terminals

      Always

      10 kΩ or higher

      z1-12 (SDN) or E6-7 (SDN) - Body ground and other terminals

      Always

      10 kΩ or higher

    Result

    Proceed to

    OK

    NG

    NG

    REPLACE SPIRAL CABLE SUB-ASSEMBLY

    OK
  7. REPLACE ECM

    1. Replace the ECM.

      Click here

    Result

    Proceed to

    NEXT

    NEXT

    PERFORM INITIALIZATION

  8. INSPECT TRANSMISSION SHIFT SWITCH ASSEMBLY (SHIFT PADDLE SWITCH)

    1. C207558C09

      *a

      Component without harness connected

      (Shift Paddle Switch LH)

      *b

      Component without harness connected

      (Shift Paddle Switch RH)

      Disconnect the C and B transmission shift switch assembly connectors.

    2. Measure the resistance according to the value(s) in the table below.

      Standard Resistance

      Table 1. Shift Paddle Switch LH:

      Tester Connection

      Condition

      Specified Condition

      C-3 (ECC) - C-2 (SFTD)

      "-" (Down shift) shift paddle operated and held

      Below 3 Ω

      C-3 (ECC) - C-2 (SFTD)

      "-" (Down shift) shift paddle not operated

      10 kΩ or higher

      C-4 (ECC1) - C-2 (SFTD)

      "-" (Down shift) shift paddle operated and held

      Below 3 Ω

      C-4 (ECC1) - C-2 (SFTD)

      "-" (Down shift) shift paddle not operated

      10 kΩ or higher

      Table 2. Shift Paddle Switch RH:

      Tester Connection

      Condition

      Specified Condition

      B-3 (SFTU) - B-2 (ECC1)

      "+" (Up shift) shift paddle operated and held

      Below 3 Ω

      B-3 (SFTU) - B-2 (ECC1)

      "+" (Up shift) shift paddle not operated

      10 kΩ or higher

    3. Connect the C and B transmission shift switch assembly connectors.

    Result

    Proceed to

    OK

    NG

    NG

    REPLACE TRANSMISSION SHIFT SWITCH ASSEMBLY (SHIFT PADDLE SWITCH)

    OK
  9. INSPECT NO. 1 SWITCH WIRE

    1. C245155C03

      *a

      Front view of wire harness connector

      (to Steering Pad Switch Assembly)

      Disconnect the A No. 1 switch wire connector.

    2. Measure the resistance according to the value(s) in the table below.

      Standard Resistance

      Tester Connection

      Condition

      Specified Condition

      A-2 (SFTU) - A-7 (ECC)

      "+" (Up shift) shift paddle operated and held

      Below 3 Ω

      A-2 (SFTU) - A-7 (ECC)

      "+" (Up shift) shift paddle not operated

      10 kΩ or higher

      A-3 (SFTD) - A-7 (ECC)

      "-" (Down shift) shift paddle operated and held

      Below 3 Ω

      A-3 (SFTD) - A-7 (ECC)

      "-" (Down shift) shift paddle not operated

      10 kΩ or higher

    Result

    Proceed to

    OK

    NG

    OK

    REPLACE STEERING PAD SWITCH ASSEMBLY

    NG

    REPLACE NO. 1 SWITCH WIRE