RELAY ON-VEHICLE INSPECTION

PROCEDURE

  1. INSPECT IGNITION CONTROL RELAY (IGCT)

    1. A281355C01

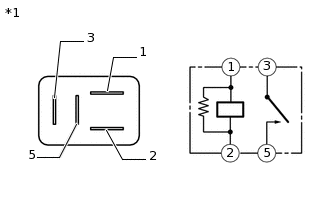
      *1

      Ignition Control Relay

      Measure the resistance according to the value(s) in the table below.

      Standard Resistance

      Tester Connection

      Condition

      Specified Condition

      3 - 5

      Auxiliary battery voltage is not applied across terminals 1 and 2

      10 kΩ or higher

      3 - 5

      Auxiliary battery voltage is applied across terminals 1 and 2

      Below 1 Ω

      If the result is not as specified, replace the ignition control relay.

  2. INSPECT HYBRID WATER PUMP RELAY (INV W/PMP)

    1. A281356C01

      *1

      Hybrid Water Pump Relay

      Measure the resistance according to the value(s) in the table below.

      Standard Resistance

      Tester Connection

      Condition

      Specified Condition

      3 - 5

      Auxiliary battery voltage is not applied across terminals 1 and 2

      10 kΩ or higher

      3 - 5

      Auxiliary battery voltage is applied across terminals 1 and 2

      Below 1 Ω

      If the result is not as specified, replace the hybrid water pump relay.