CONTINUOUSLY VARIABLE TRANSAXLE SYSTEM(for 8NR-FTS) Transmission Control Switch Circuit

DTC Code DTC Name
Transmission Control Switch Circuit

DESCRIPTION

After moving the shift lever to M, it is possible to change the shift range between M1 and M7 using the shift lever. Moving the shift lever to "+" once raises the shift range by one, and moving the shift lever to "-" lowers the shift range by one.

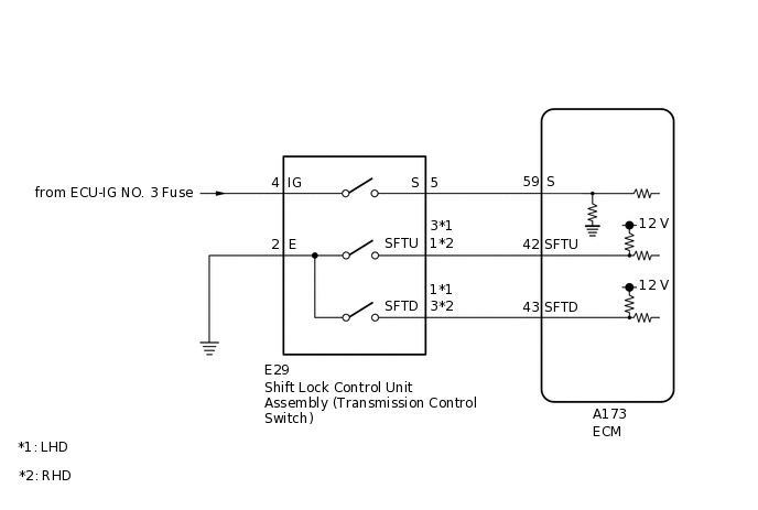
WIRING DIAGRAM

C311455E26

CAUTION / NOTICE / HINT

Note:

Inspect the fuses for circuits related to this system before performing the following inspection procedure.

PROCEDURE

  1. CHECK DTC OUTPUT

    1. Connect the GTS to the DLC3.

    2. Turn the ignition switch to ON.

    3. Turn the GTS on.

    4. Enter the following menus: Powertrain / Engine / Trouble Codes.

      Powertrain > Engine > Trouble Codes

    5. Read the DTCs using the GTS.

    Result

    Result

    Proceed to

    DTCs are not output

    A

    DTCs are output

    B

    B

    GO TO DTC CHART

    A
  2. READ VALUE USING GTS (SHIFT SW STATUS (S RANGE))

    1. Connect the GTS to the DLC3.

    2. Turn the ignition switch to ON.

    3. Turn the GTS on.

    4. Enter the following menus: Powertrain / Engine / Data List.

    5. According to the display on the GTS, read the Data List.

      Powertrain > Engine > Data List

      Tester Display

      Measurement Item

      Range

      Normal Condition

      Diagnostic Note

      Shift SW Status (S Range)

      Transmission control switch status

      ON or OFF

      • ON: Shift lever in M, "+" or "-"

      • OFF: Shift lever not in M, "+" or "-"

      -

      Powertrain > Engine > Data List

      Tester Display

      Shift SW Status (S Range)

    Result

    Result

    Proceed to

    Data List value is normal

    A

    Data List value is not normal

    B

    B

    INSPECT SHIFT LOCK CONTROL UNIT ASSEMBLY (TRANSMISSION CONTROL SWITCH)Click here

    A
  3. READ VALUE USING GTS (SPORT SHIFT UP SW AND SPORT SHIFT DOWN SW)

    1. Connect the GTS to the DLC3.

    2. Turn the ignition switch to ON.

    3. Turn the GTS on.

    4. Enter the following menus: Powertrain / Engine / Data List.

    5. According to the display on the GTS, read the Data List.

      Powertrain > Engine > Data List

      Tester Display

      Measurement Item

      Range

      Normal Condition

      Diagnostic Note

      Sport Shift Up SW

      Sport shift up switch status

      OFF or ON

      • ON: Shift lever held in "+" or "+" shift paddle switch pulled

      • OFF: Shift lever not held in "+" and "+" shift paddle switch released

      -

      Sport Shift Down SW

      Sport shift down switch status

      OFF or ON

      • ON: Shift lever held in "-" or "-" shift paddle switch pulled

      • OFF: Shift lever not held in "-" and "-" shift paddle switch released

      -

      Powertrain > Engine > Data List

      Tester Display

      Sport Shift Up SW

      Sport Shift Down SW

    Result

    Result

    Proceed to

    Data List value is normal

    A

    Data List value is not normal

    B

    A

    CHECK FOR INTERMITTENT PROBLEMS

    B
  4. INSPECT SHIFT LOCK CONTROL UNIT ASSEMBLY (TRANSMISSION CONTROL SWITCH)

    1. C239095C55

      *A

      for LHD

      *B

      for RHD

      *a

      Component without harness connected

      (Shift Lock Control Unit Assembly (Transmission Control Switch))

      Disconnect the E29 transmission control switch connector of the shift lock control unit assembly.

    2. Measure the resistance according to the value(s) in the table below.

      Standard Resistance (for LHD)

      Tester Connection

      Condition

      Specified Condition

      3 (SFTU) - 2 (E)

      Shift lever held in "+"

      Below 1 Ω

      3 (SFTU) - 2 (E)

      Shift lever in M

      10 kΩ or higher

      1 (SFTD) - 2 (E)

      Shift lever held in "-"

      Below 1 Ω

      1 (SFTD) - 2 (E)

      Shift lever in M

      10 kΩ or higher

      Standard Resistance (for RHD)

      Tester Connection

      Condition

      Specified Condition

      1 (SFTU) - 2 (E)

      Shift lever held in "+"

      Below 1 Ω

      1 (SFTU) - 2 (E)

      Shift lever in M

      10 kΩ or higher

      3 (SFTD) - 2 (E)

      Shift lever held in "-"

      Below 1 Ω

      3 (SFTD) - 2 (E)

      Shift lever in M

      10 kΩ or higher

    3. Connect the E29 transmission control switch connector of the shift lock control unit assembly.

    Result

    Proceed to

    OK

    NG

    NG

    REPLACE SHIFT LOCK CONTROL UNIT ASSEMBLY (TRANSMISSION CONTROL SWITCH)

    OK
  5. CHECK HARNESS AND CONNECTOR (TRANSMISSION CONTROL SWITCH - ECM)

    1. Disconnect the A173 ECM connector.

    2. Measure the resistance according to the value(s) in the table below.

      Standard Resistance

      Tester Connection

      Condition

      Specified Condition

      A173-43 (SFTD) - Body ground

      Shift lever held in "-"

      Below 1 Ω

      A173-43 (SFTD) - Body ground

      Shift lever in M

      10 kΩ or higher

      A173-42 (SFTU) - Body ground

      Shift lever held in "+"

      Below 1 Ω

      A173-42 (SFTU) - Body ground

      Shift lever in M

      10 kΩ or higher

    3. Connect the A173 ECM connector.

    Result

    Proceed to

    OK

    NG

    NG

    REPAIR OR REPLACE HARNESS OR CONNECTOR (TRANSMISSION CONTROL SWITCH - ECM)

    OK
  6. REPLACE ECM

    1. Replace the ECM.

      Click here

    Result

    Proceed to

    NEXT

    NEXT

    PERFORM INITIALIZATION

  7. INSPECT SHIFT LOCK CONTROL UNIT ASSEMBLY (TRANSMISSION CONTROL SWITCH)

    1. C239095C12

      *a

      Component without harness connected

      (Shift Lock Control Unit Assembly (Transmission Control Switch))

      Disconnect the E29 transmission control switch connector of the shift lock control unit assembly.

    2. Measure the resistance according to the value(s) in the table below.

      Standard Resistance

      Tester Connection

      Condition

      Specified Condition

      4 (IG) - 5 (S)

      Shift lever in M

      Below 1 Ω

      4 (IG) - 5 (S)

      Shift lever not in M

      10 kΩ or higher

    3. Connect the E29 transmission control switch connector of the shift lock control unit assembly.

    Result

    Proceed to

    OK

    NG

    NG

    REPLACE SHIFT LOCK CONTROL UNIT ASSEMBLY (TRANSMISSION CONTROL SWITCH)

    OK
  8. CHECK HARNESS AND CONNECTOR (TRANSMISSION CONTROL SWITCH POWER SOURCE)

    1. Disconnect the E29 transmission control switch connector of the shift lock control unit assembly.

    2. Measure the voltage according to the value(s) in the table below.

      Standard Voltage

      Tester Connection

      Condition

      Specified Condition

      E29-4 (IG) - Body ground

      Ignition switch ON

      11 to 14 V

      E29-4 (IG) - Body ground

      Ignition switch off

      Below 1 V

    3. Connect the E29 transmission control switch connector of the shift lock control unit assembly.

    Result

    Proceed to

    OK

    NG

    NG

    INSPECT POWER SOURCE CIRCUIT

    OK
  9. CHECK HARNESS AND CONNECTOR (TRANSMISSION CONTROL SWITCH - ECM)

    1. Disconnect the E29 transmission control switch connector of the shift lock control unit assembly.

    2. Disconnect the A173 ECM connector.

    3. Measure the resistance according to the value(s) in the table below.

      Standard Resistance

      Tester Connection

      Condition

      Specified Condition

      E29-5 (S) - A173-59 (S)

      Always

      Below 1 Ω

      E29-5 (S) - Body ground and other terminals

      Always

      10 kΩ or higher

      A173-59 (S) - Body ground and other terminals

      Always

      10 kΩ or higher

    4. Connect the A173 ECM connector.

    5. Connect the E29 transmission control switch connector of the shift lock control unit assembly.

    Result

    Proceed to

    OK

    NG

    NG

    REPAIR OR REPLACE HARNESS OR CONNECTOR (TRANSMISSION CONTROL SWITCH - ECM)

    OK
  10. REPLACE ECM

    1. Replace the ECM.

      Click here

    Result

    Proceed to

    NEXT

    NEXT

    PERFORM INITIALIZATION