INTAKE SYSTEM (w/ EGR Cooler) SYSTEM DIAGRAM


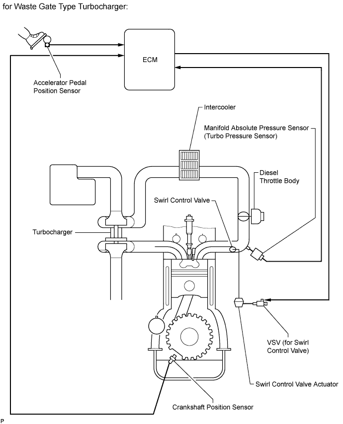
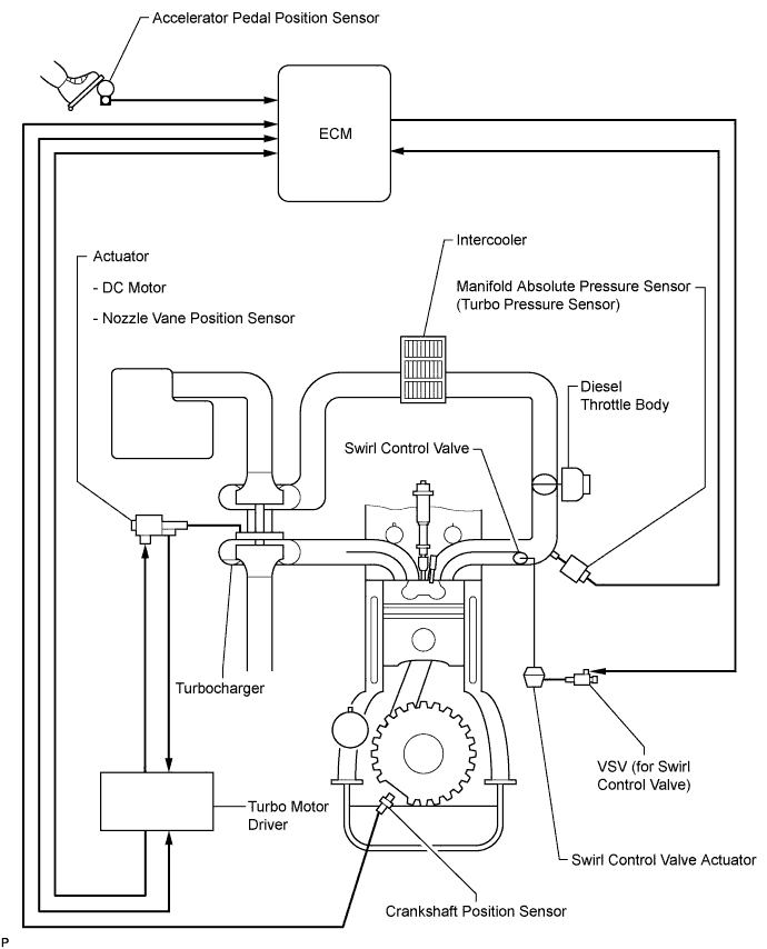
  1. INTAKE AIR CONTROL SYSTEM ILLUSTRATION

    The swirl control valve is mounted on the intake manifold. The Vacuum Switching Valve (VSV) for swirl control valve changes the vacuum to actuate the actuator.

    First, the ECM determines the opening angle of the swirl control valve. Then it uses the swirl control valve VSV to change the vacuum applied to the actuator's diaphragm to open and close the swirl control valve.

    A01DXFYE04
    A01DWI2E04
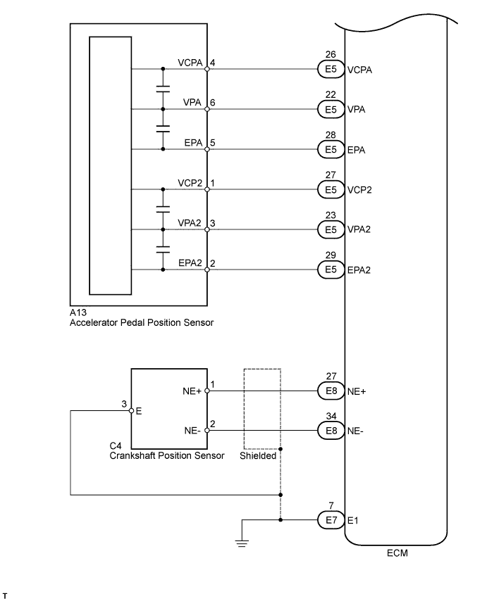
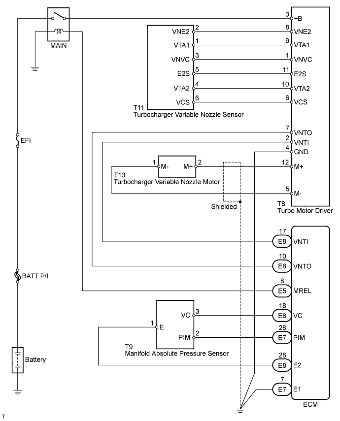
  2. INTAKE AIR CONTROL SYSTEM WIRING DIAGRAM

    A01E1HSE07
    A01DZF0E02
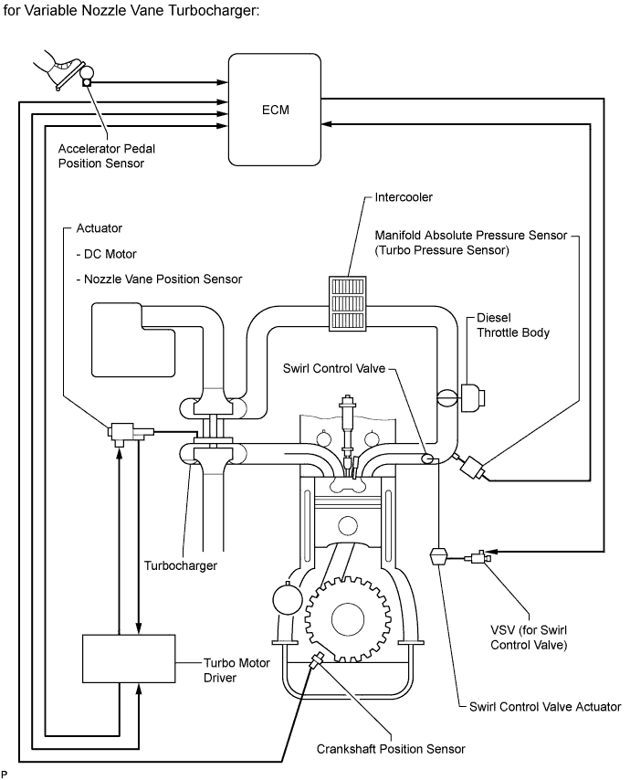
  3. TURBOCHARGER SYSTEM ILLUSTRATION (for Variable Nozzle Vane Turbocharger)


    • The turbocharger system is comprised of the Variable Nozzle (VN) type turbocharger, turbo motor driver and ECM.

    • The turbocharger has a nozzle vane which opens and closes to control the volume of the exhaust gas flowing into the turbine. This, in turn, controls the boost pressure. When the nozzle vane moves towards the closing direction, the pressure increases. When the vane moves towards the opening direction, the pressure decreases.

    • The turbocharger actuator built on the compressor housing side activates the nozzle vane. The nozzle vane position sensor built on the actuator detects the opening angle of the nozzle vane. The turbo motor driver receives an opening angle request from the ECM and a nozzle vane position sensor signal. Based on these signals, the turbo motor driver operates the DC motor and controls the turbocharger's opening angle. The turbo motor driver sends the status as a turbo driver status signal to the ECM.

    • The ECM sends a target nozzle vane position signal to the turbo motor driver to obtain the nozzle vane position for optimal pressure in accordance with the driving conditions.

    A01DXFYE02
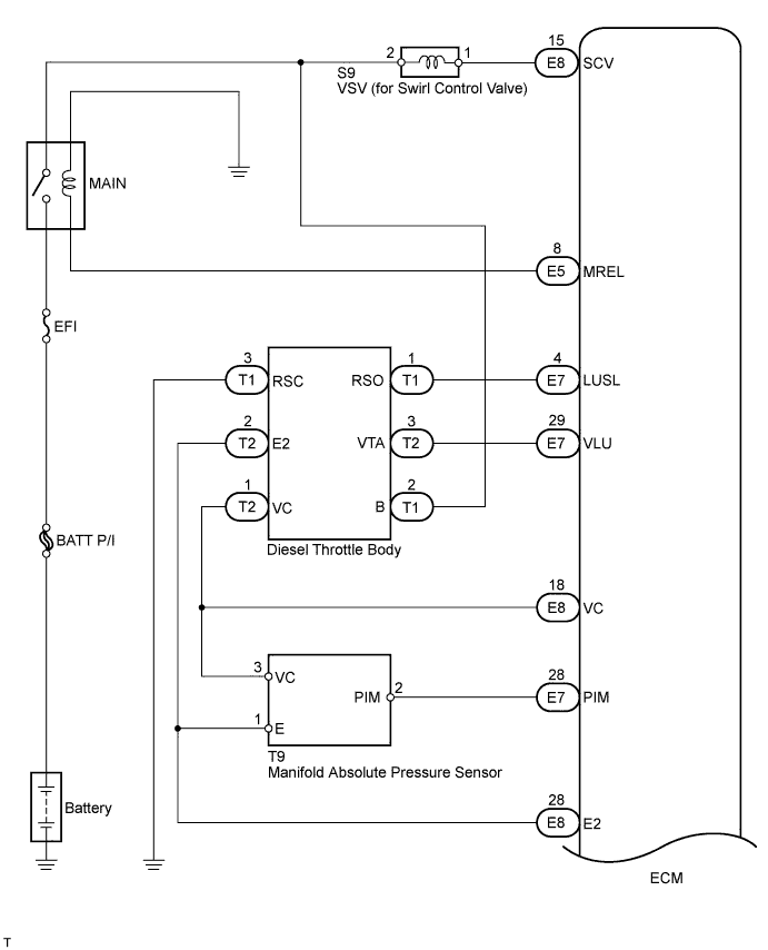
  4. TURBOCHARGER SYSTEM WIRING DIAGRAM (for Variable Nozzle Vane Turbocharger)

    A01E2JWE02