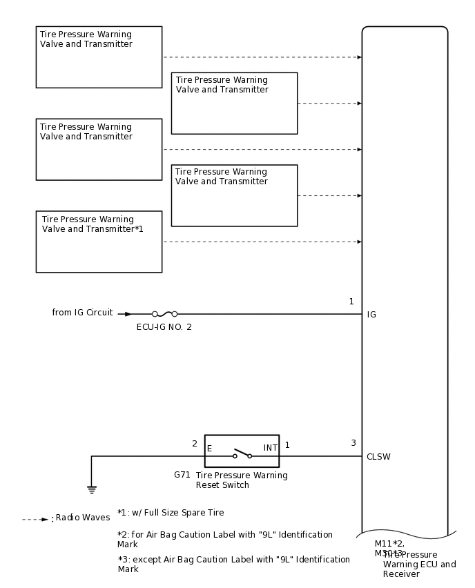
TIRE PRESSURE WARNING SYSTEM SYSTEM DIAGRAM
Tip:
Each tire pressure warning valve and transmitter sends its transmitter ID, temperature and tire pressure information to the tire pressure warning ECU and receiver.
Transmitting ECU (Transmitter) |
Receiving ECU |
Signal |
Communication Method |
|---|---|---|---|
Combination Meter Assembly |
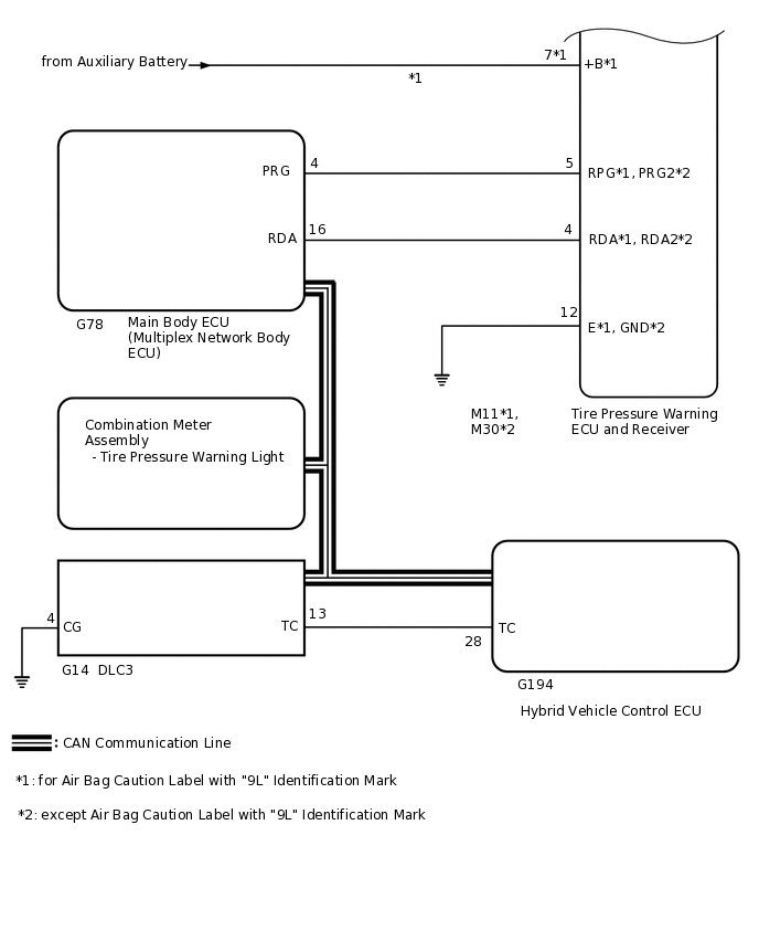
Main Body ECU (Multiplex Network Body ECU) |
Vehicle speed signal |
CAN communication line |
Main Body ECU (Multiplex Network Body ECU) |
Combination Meter Assembly |
Tire pressure warning light signal |
CAN communication line |