AIRBAG SYSTEM, Diagnostic DTC:B1905/74,B1906/74,B1907/74 and B1908/74

DTC Code DTC Name
B1905/74 Short in Front Pretensioner Squib LH Circuit
B1906/74 Open in Front Pretensioner Squib LH Circuit
B1907/74 Short to GND in Front Pretensioner Squib LH Circuit
B1908/74 Short to B+ in Front Pretensioner Squib LH Circuit

DESCRIPTION

The front pretensioner squib LH circuit consists of the center airbag sensor and front seat outer belt LH.

This circuit instructs the SRS to deploy when deployment conditions are met.

These DTCs are stored when a malfunction is detected in the front pretensioner squib LH circuit.

DTC Code

DTC Detection Condition

Trouble Area

B1905/74

One of the following conditions is met:

  • The center airbag sensor receives a line short circuit signal 5 times in the front pretensioner squib LH circuit during the primary check.

  • A front pretensioner squib LH malfunction.

  • A center airbag sensor malfunction.

  • Floor wire

  • Front seat outer belt assembly LH (Front pretensioner squib LH)

  • Center airbag sensor assembly

B1906/74

One of the following conditions is met:

  • The center airbag sensor receives an open circuit signal in the front pretensioner squib LH circuit for 2 seconds.

  • A front pretensioner squib LH malfunction.

  • A center airbag sensor malfunction.

  • Floor wire

  • Front seat outer belt assembly LH (Front pretensioner squib LH)

  • Center airbag sensor assembly

B1907/74

One of the following conditions is met:

  • The center airbag sensor receives a short circuit to ground signal in the front pretensioner squib LH circuit for 0.5 seconds.

  • A front pretensioner squib LH malfunction.

  • A center airbag sensor malfunction.

  • Floor wire

  • Front seat outer belt assembly LH (Front pretensioner squib LH)

  • Center airbag sensor assembly

B1908/74

One of the following conditions is met:

  • The center airbag sensor receives a short circuit to B+ signal in the front pretensioner squib LH circuit for 0.5 seconds.

  • A front pretensioner squib LH malfunction.

  • A center airbag sensor malfunction.

  • Floor wire

  • Front seat outer belt assembly LH (Front pretensioner squib LH)

  • Center airbag sensor assembly

WIRING DIAGRAM

C178002E39

CAUTION / NOTICE / HINT

Note:
  • After turning the ignition switch off, waiting time may be required before disconnecting the cable from the battery terminal. Therefore, make sure to read the disconnecting the cable from the battery terminal notice before proceeding with work (Click here).

  • When disconnecting the cable from the negative (-) battery terminal while performing repairs, some systems need to be initialized after the cable is reconnected (Click here).

Tip:

To perform the simulation method, enter check mode (signal check) with the intelligent tester (Click here), and then wiggle each connector of the airbag system or drive the vehicle on various types of roads (Click here).

PROCEDURE

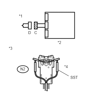
  1. CHECK FRONT SEAT OUTER BELT LH (FRONT PRETENSIONER SQUIB LH)

    1. U123063E02

      Turn the ignition switch off.

    2. Disconnect the cable from the negative (-) battery terminal, and wait for at least 90 seconds.

    3. Disconnect the connector from the front seat outer belt LH.

    4. Connect the white wire side of SST (resistance: 2.1 Ω) to connector C.

      CAUTION:

      Never connect the tester to the front seat outer belt LH (front pretensioner squib LH) for measurement, as this may lead to a serious injury due to airbag deployment.

      Note:
      • Do not forcibly insert SST into the terminals of the connector when connecting SST.

      • Insert SST straight into the terminals of the connector.

    5. Connect the cable to the negative (-) battery terminal, and wait for at least 2 seconds.

    6. Turn the ignition switch to ON, and wait for at least 60 seconds.

    7. Clear the DTCs (Click here).

    8. Turn the ignition switch off.

    9. Turn the ignition switch to ON, and wait for at least 60 seconds.

    10. Check for DTCs (Click here).

      OK

      DTC B1905, B1906, B1907 or B1908 is not output.

      Tip:

      Codes other than DTC B1905, B1906, B1907 and B1908 may be output at this time, but they are not related to this check.

      Table 1. Text in Illustration

      *1

      Front Pretensioner Squib LH

      *2

      Center Airbag Sensor

      *3

      Front view of wire harness connector

      (to Front Pretensioner Squib LH)

      *4

      Connector C

    09843-18061

    REPLACE FRONT SEAT OUTER BELT ASSEMBLY LH

  2. CHECK CONNECTOR

    1. Turn the ignition switch off.

    2. Disconnect the cable from the negative (-) battery terminal, and wait for at least 90 seconds.

    3. Disconnect SST from connector C.

    4. Check that the floor wire connector (on the front seat outer belt LH side) is not damaged.

      OK

      The lock button is not disengaged, and the claw of the lock is not deformed or damaged.

    REPLACE FLOOR WIRE

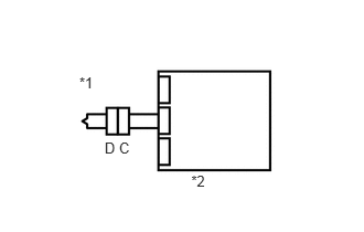
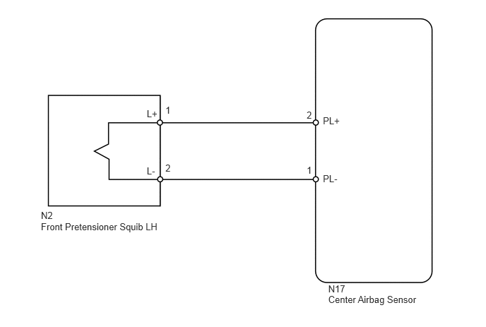
  3. CHECK FLOOR WIRE (FRONT PRETENSIONER SQUIB LH CIRCUIT)

    1. U123064E02

      Disconnect the connector from the center airbag sensor.

    2. Connect the cable to the negative (-) battery terminal, and wait for at least 2 seconds.

    3. Measure the voltage according to the value(s) in the table below.

      Standard Voltage

      Tester Connection

      Switch Condition

      Specified Condition

      N2-1 (L+) - Body ground

      Ignition switch ON

      Below 1 V

      N2-2 (L-) - Body ground

      Ignition switch ON

      Below 1 V

    4. Turn the ignition switch off.

    5. Disconnect the cable from the negative (-) battery terminal, and wait for at least 90 seconds.

    6. Measure the resistance according to the value(s) in the table below.

      Standard Resistance

      Tester Connection

      Condition

      Specified Condition

      N2-1 (L+) - N2-2 (L-)

      Always

      Below 1 Ω

    7. Release the activation prevention mechanism built into connector B (Click here).

    8. Measure the resistance according to the value(s) in the table below.

      Standard Resistance

      Tester Connection

      Condition

      Specified Condition

      N2-1 (L+) - N2-2 (L-)

      Always

      1 MΩ or higher

      N2-1 (L+) - Body ground

      Always

      1 MΩ or higher

      N2-2 (L-) - Body ground

      Always

      1 MΩ or higher

    Table 2. Text in Illustration

    *1

    Front Pretensioner Squib LH

    *2

    Floor Wire

    *3

    Center Airbag Sensor

    *4

    Front view of wire harness connector

    (to Front Pretensioner Squib LH)

    *5

    Connector C

    REPLACE FLOOR WIRE

  4. CHECK CENTER AIRBAG SENSOR

    1. C202683E03

      Connect the connectors to the front seat outer belt LH and center airbag sensor.

    2. Connect the cable to the negative (-) battery terminal, and wait for at least 2 seconds.

    3. Turn the ignition switch to ON, and wait for at least 60 seconds.

    4. Clear the DTCs (Click here).

    5. Turn the ignition switch off.

    6. Turn the ignition switch to ON, and wait for at least 60 seconds.

    7. Check for DTCs (Click here).

      OK

      DTC B1905, B1906, B1907 or B1908 is not output.

      Tip:

      Codes other than DTC B1905, B1906, B1907 and B1908 may be output at this time, but they are not related to this check.

      Table 3. Text in Illustration

      *1

      Front Pretensioner Squib LH

      *2

      Center Airbag Sensor

    USE SIMULATION METHOD TO CHECK

    REPLACE CENTER AIRBAG SENSOR ASSEMBLY