ДОПОЛНИТЕЛЬНАЯ ФОРСУНКА ПОДАЧИ ТОПЛИВА В ВЫПУСКНУЮ ТРУБУ (для DPF) УСТАНОВКА


  1. УСТАНОВИТЕ ДОПОЛНИТЕЛЬНУЮ ФОРСУНКУ ПОДАЧИ ТОПЛИВА В ВЫПУСКНУЮ ТРУБУ В СБОРЕ

    Note

    Если на установочной поверхности дополнительной форсунки подачи топлива в выпускную трубу в сборе имеется постороннее вещество, обязательно очистите форсунку подачи топлива в выпускную трубу в сборе перед установкой.


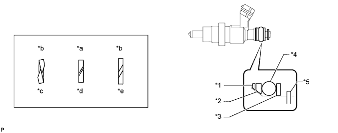
    1. Установите новое разрезное уплотнение, новое кольцевое уплотнение и 3 опорных кольца на дополнительную форсунку подачи топлива в выпускную трубу.

      B007U41E05
      Обозначения на рисунке
      *1 Опорное кольцо № 1 *2 Опорное кольцо № 2
      *3 Опорное кольцо № 3 *4 Кольцевое уплотнение
      *5 E-образное кольцо - -
      *a ПРАВИЛЬНО *b НЕПРАВИЛЬНО
      *c Перекрытие *d Нормальное состояние
      *e Растяжение - -

      Note


      • Убедитесь, что в канавке кольцевого уплотнения форсунки нет посторонних частиц и поврежденных участков.

      • Удостоверьтесь, что опорные кольца № 1 и № 2 установлены в правильном направлении.

      • Следите за тем, чтобы опорные кольца и кольцевое уплотнение были установлены в правильном порядке.

      • Убедитесь, что отверстия для выравнивания опорных колец не растянуты, и концы опорных колец не перекрываются, как показано на рисунке.

      • После установки кольцевого уплотнения удостоверьтесь, что оно не загрязнено посторонними частицами и не повреждено.

    2. Установите новую прокладку и держатель форсунки № 1, закрепив его 3 болтами.

      Torque:
      29 Н*м  { 296 кгс*см, 21 фунт-сила-фут }
    3. Установите новое седло распылителя форсунки на дополнительную форсунку подачи топлива в выпускную трубу в сборе.

    4. Установите фиксатор корпуса форсунки № 1 и закрепите его винтом с помощью торцевого ключа с головкой "TORX" T40.

      Torque:
      10 Н*м  { 102 кгс*см, 7 фунт-сила-футов }
    5. Временно установите держатель форсунки № 2 на держатель форсунки № 1 2 болтами.

    6. Закрепите держатель форсунки № 2 двумя болтами.

      Torque:
      21 Н*м  { 214 кгс*см, 15 фунт-сила-футов }
  2. УСТАНОВИТЕ ВЫХОДНОЙ ПАТРУБОК ТУРБИНЫ

    (см. стр. Click here).

  3. ПОДСОЕДИНИТЕ ПРОВОД К ОТРИЦАТЕЛЬНОМУ ВЫВОДУ АККУМУЛЯТОРНОЙ БАТАРЕИ

    Note

    После подсоединения провода необходимо инициализировать некоторые системы (см. стр. Click here).

  4. ДОБАВЬТЕ ОХЛАЖДАЮЩУЮ ЖИДКОСТЬ ДВИГАТЕЛЯ


    1. Надежно затяните сливные пробки.

    2. Залейте охлаждающую жидкость в расширительный бачок радиатора до верха горловины.

      Номинальный объем
      Параметр / Устройство Заданные условия
      Для моделей без отопителя 13,2 л (13,9 кварты США, 11,6 англ. кварты)
      Для моделей с передним подогревателем 14,2 л (15,0 кварты США, 12,5 англ. кварты)
      Для моделей с передним и задним подогревателями 16,2 л (17,1 кварты США, 14,3 англ. кварты)

      Note

      Не доливайте простую воду вместо охлаждающей жидкости двигателя.

      Tech Tips


      • Использование неподходящей охлаждающей жидкости может привести к повреждению системы охлаждения двигателя.

      • Разрешается использовать только охлаждающую жидкость "TOYOTA Super Long Life Coolant" или аналогичную высококачественную охлаждающую жидкость на основе этиленгликоля (а не на силикатной, аминовой, нитритной или борнокислой основе), изготовленную по гибридной технологии органических кислот с длительным сроком годности (охлаждающая жидкость, изготовленная по гибридной технологии органических кислот, состоит из низкофосфатных соединений и органических кислот).

    3. Ослабьте прокачной штуцер корпуса отводящего патрубка.

    4. После удаления воздуха и слива охлаждающей жидкости двигателя надежно затяните прокачной штуцер.

      Torque:
      8,0 Н*м  { 82 кгс*см, 71 фунт-сила-дюйм }
    5. B007OES

      Долейте охлаждающую жидкость в расширительный бачок радиатора до отметки B и установите пробку расширительного бачка радиатора.

    6. Прогревайте двигатель, пока не откроется термостат.


      1. Когда термостат откроется, несколько минут прокачивайте охлаждающую жидкость двигателя.

        Tech Tips

        Время открывания термостата можно проверить, сжав шланг радиатора № 3 рукой и определив, когда охлаждающая жидкость начинает поступать в шланг.

    7. B007W0B

      После охлаждения двигателя убедитесь, что уровень охлаждающей жидкости двигателя находится между отметками "LOW" и "FULL".

  5. ПРОВЕРЬТЕ, НЕТ ЛИ УТЕЧЕК ОХЛАЖДАЮЩЕЙ ЖИДКОСТИ

    CAUTION:

    Не снимайте пробку радиатора, пока двигатель и радиатор не остынут. Выброс горячей охлаждающей жидкости и пара под давлением может стать причиной серьезных ожогов.


    1. Заполните радиатор охлаждающей жидкостью и подсоедините к радиатору приспособление для опрессовки системы охлаждения и проверки пробки радиатора.

    2. Прогрейте двигатель.

    3. С помощью приспособления для опрессовки системы охлаждения и проверки пробки радиатора увеличьте давление в радиаторе до 137 кПа (1,4 кгс/см2, 19,9 фунтов на кв. дюйм) и убедитесь, что давление не падает.

      Tech Tips

      Если давление снижается, проверьте на наличие утечек шланги, радиатор и насос системы охлаждения. При отсутствии внешних утечек проверьте сердцевину отопителя, блок цилиндров и головку блока цилиндров.

  6. ПРОВЕРЬТЕ, НЕТ ЛИ УТЕЧЕК ТОПЛИВА


    1. Выполните диагностику в режиме Active Test.


      1. Подключите GTS к DLC3.

      2. Установите замок зажигания в положение ON (ВКЛ).

      3. Включите GTS.

      4. Войдите в следующие меню: Powertrain / Engine and ECT / Active Test.

      5. Выполните диагностику в режиме Active Test.

        Информация на дисплее прибора Испытываемое устройство Диапазон регулирования Примечания по диагностике
        Test the Fuel Leak Создание давления в топливной системе Common Rail для проверки наличия утечек топлива Stop/Start (остановить/запустить)
        • При выполнении активной диагностики давление в топливной системе Common Rail повышается до указанного значения, а частота вращения коленчатого вала двигателя увеличивается до 2000 об/мин

        • Вышеуказанные условия сохраняются во время выполнения активной диагностики