REAR DOOR SUNSHADE SYSTEM Front and Rear Switch cannot Operate Right Door Sunshade

DESCRIPTION

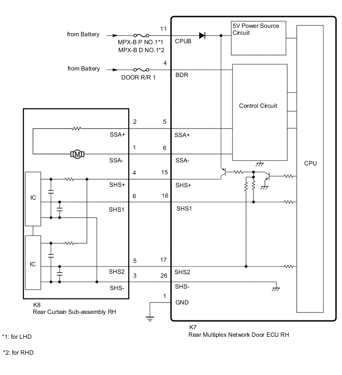
The left rear door sunshade is controlled by the rear multiplex network door ECU RH and operates the rear curtain sub-assembly RH.

WIRING DIAGRAM

B006DP1E10

CAUTION / NOTICE / HINT

Note

Inspect fuses for circuits related to this system before performing the following inspection procedure.

PROCEDURE


  1. PERFORM ACTIVE TEST USING GTS


    1. Using the GTS, perform the Active Test.

      Click here


      Body Electrical > Rear Right Door > Active Test
      Tester Display Measurement Item Control Range Diagnostic Note
      Rear Door Sunshade Up Rear curtain sub-assembly RH close operation Up or Stop w/ Side Window Curtain specification: a rear side window curtain assembly RH close operation is also performed
      Rear Door Sunshade Down Rear curtain sub-assembly RH open operation Down or Stop w/ Side Window Curtain specification: a rear side window curtain assembly RH open operation is also performed

      Body Electrical > Rear Right Door > Active Test
      Tester Display
      Rear Door Sunshade Up

      Body Electrical > Rear Right Door > Active Test
      Tester Display
      Rear Door Sunshade Down
      OK
      The Active Test is performed normally.
      Result
      Proceed to
      OK
      NG

    NG
    OK
  2. CHECK HARNESS AND CONNECTOR (REAR MULTIPLEX NETWORK DOOR ECU RH - REAR CURTAIN SUB-ASSEMBLY RH)


    1. Disconnect the K7 rear multiplex network door ECU RH connector.

    2. Disconnect the K8 rear curtain sub-assembly RH connector.

    3. Measure the resistance according to the value(s) in the table below.

      Standard Resistance
      Tester Connection Condition Specified Condition
      K7-15 (SHS+) - K8-4 (SHS+) Always Below 1 Ω
      K7-16 (SHS1) - K8-6 (SHS1) Always Below 1 Ω
      K7-17 (SHS2) - K8-5 (SHS2) Always Below 1 Ω
      K7-26 (SHS-) - K8-3 (SHS-) Always Below 1 Ω
      K7-15 (SHS+) or K8-4 (SHS+) - Body ground Always 10 kΩ or higher
      K7-16 (SHS1) or K8-6 (SHS1) - Body ground Always 10 kΩ or higher
      K7-17 (SHS2) or K8-5 (SHS2) - Body ground Always 10 kΩ or higher
      K7-26 (SHS-) or K8-3 (SHS-) - Body ground Always 10 kΩ or higher
      Result
      Proceed to
      OK
      NG

    NG
    OK
  3. CHECK REAR MULTIPLEX NETWORK DOOR ECU RH


    1. Disconnect the K8 rear curtain sub-assembly RH connector.

    2. Measure the resistance according to the value(s) in the table below.

      Standard Resistance
      Tester Connection Condition Specified Condition
      K8-3 (SHS-) - Body ground Always Below 1 Ω
    3. Measure the voltage according to the value(s) in the table below.

      Standard Voltage
      Tester Connection Switch Condition Specified Condition
      K8-4 (SHS+) -Body ground Engine switch on (IG) 11 to 14 V
      K8-5 (SHS2) - Body ground Engine switch on (IG) 11 to 14 V
      K8-6 (SHS1) - Body ground Engine switch on (IG) 11 to 14 V
      Result
      Proceed to
      OK
      NG

    OK
    NG
  4. CHECK HARNESS AND CONNECTOR (REAR MULTIPLEX NETWORK DOOR ECU RH - BATTERY AND BODY GROUND)


    1. Disconnect the K7 rear multiplex network door ECU RH connector.

    2. Measure the resistance according to the value(s) in the table below.

      Standard Resistance
      Tester Connection Condition Specified Condition
      K7-1 (GND) - Body ground Always Below 1 Ω
    3. Measure the voltage according to the value(s) in the table below.

      Standard Voltage
      Tester Connection Condition Specified Condition
      K7-4 (BDR) - Body ground Always 11 to 14 V
      K7-11 (CPUB) - Body ground Always 11 to 14 V
      Result
      Proceed to
      OK
      NG

    NG
    OK
  5. INSPECT REAR CURTAIN SUB-ASSEMBLY RH


    1. Remove the rear curtain sub-assembly RH.

      Click here

    2. Inspect the rear curtain sub-assembly RH.

      Click here

      Result
      Proceed to
      OK
      NG

    NG
    OK
  6. CHECK HARNESS AND CONNECTOR (REAR MULTIPLEX NETWORK DOOR ECU RH - REAR CURTAIN SUB-ASSEMBLY RH)


    1. Disconnect the K7 rear multiplex network door ECU RH connector.

    2. Disconnect the K8 rear curtain sub-assembly RH connector.

    3. Measure the resistance according to the value(s) in the table below.

      Standard Resistance
      Tester Connection Condition Specified Condition
      K7-5 (SSA+) - K8-2 (SSA+) Always Below 1 Ω
      K7-6 (SSA-) - K8-1 (SSA-) Always Below 1 Ω
      K7-5 (SSA+) or K8-2 (SSA+) - Body ground Always 10 kΩ or higher
      K7-6 (SSA-) or K8-1 (SSA-) - Body ground Always 10 kΩ or higher
      Result
      Proceed to
      OK
      NG

    OK
    NG