СИСТЕМА ПРЕДУПРЕЖДЕНИЯ О НЕПРИСТЕГНУТОМ РЕМНЕ БЕЗОПАСНОСТИ (для моделей без системы классификации пассажиров) СХЕМА СИСТЕМЫ

  1. ПРЕДУПРЕЖДЕНИЕ О НЕПРИСТЕГНУТОМ РЕМНЕ БЕЗОПАСНОСТИ ПЕРЕДНЕГО СИДЕНЬЯ

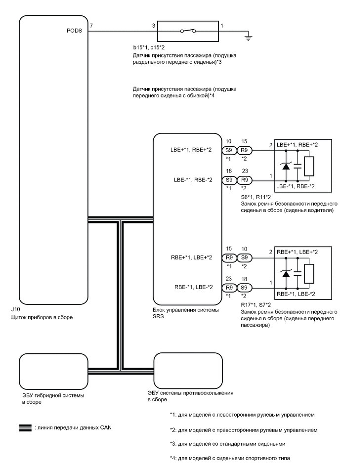
    B427346E03

    уровня

    Приемник

    Сигнал

    Метод передачи данных

    Блок управления системы SRS

    Щиток приборов в сборе

    • Выключатель пряжки замка ремня безопасности переднего сиденья в сборе (для сиденья водителя)

    • Выключатель пряжки замка ремня безопасности переднего сиденья в сборе (сиденья переднего пассажира)

    CAN

    ЭБУ системы противоскольжения

    Скорость движения автомобиля

    ЭБУ гибридной системы в сборе

    Положение рычага переключения передач

  2. ПРЕДУПРЕЖДЕНИЕ О НЕПРИСТЕГНУТЫХ РЕМНЯХ БЕЗОПАСНОСТИ ЗАДНИХ СИДЕНИЙ (для моделей с функцией предупреждения о непристегнутых ремнях безопасности задних сидений)

    B427403E10
    B457121E07