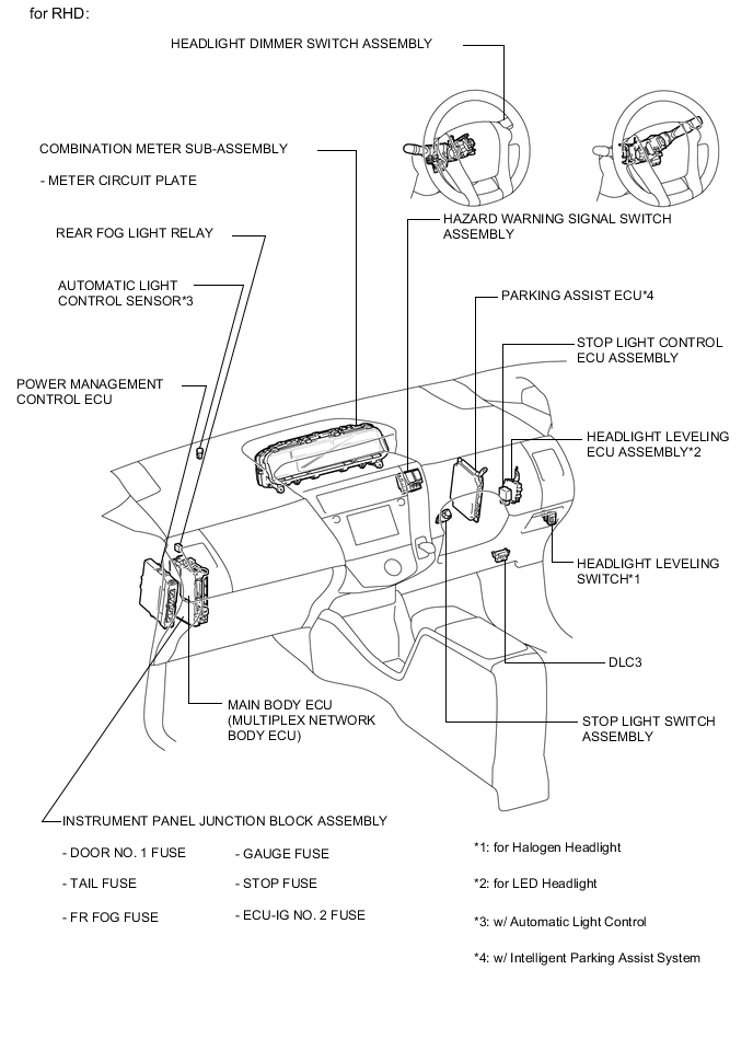
LIGHTING SYSTEM PARTS LOCATION

ILLUSTRATION

A005C2YE02

ILLUSTRATION

A005AMOE03

ILLUSTRATION

A005E0HE02

ILLUSTRATION

A005E3RE02