AIRBAG SYSTEM(w/o Occupant Classification System) Diagnosis Circuit

DTC Code DTC Name
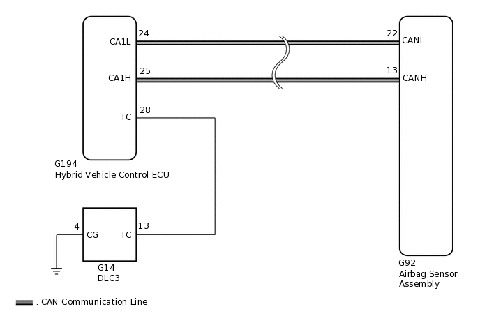
Diagnosis Circuit

DESCRIPTION

DTC output mode is set by connecting terminals TC and CG of the DLC3.

DTCs are output by the blinking of the SRS warning light.

Tip:
  • When each warning light continues blinking, a ground short in the wiring of terminal TC of the DLC3 or an internal ground short in each ECU is suspected.

  • A DTC output mode signal is transmitted through the CAN communication system to each ECU, including the airbag ECU assembly. Thus, when all systems do not enter DTC output mode, there may be a hybrid vehicle control ECU malfunction.

WIRING DIAGRAM

C261918E22

CAUTION / NOTICE / HINT

Note:
  • After turning the power switch off, waiting time may be required before disconnecting the cable from the negative (-) auxiliary battery terminal. Therefore, make sure to read the disconnecting the cable from the negative (-) auxiliary battery terminal notices before proceeding with work.

    Click hereClick hereClick hereClick here

  • When disconnecting the cable from the negative (-) auxiliary battery terminal while performing repairs, some systems need to be initialized after the cable is reconnected.

    Click hereClick hereClick here

  • After replacing the airbag sensor assembly, refer to initialization.

    Click hereClick hereClick here

PROCEDURE

  1. CHECK CAN COMMUNICATION SYSTEM

    1. Check if a CAN communication DTC is output.

      Result

      Proceed to

      DTCs are output

      DTC is not output

    DTCs are output

    GO TO CAN COMMUNICATION SYSTEM

    DTC is not output
  2. CHECK HARNESS AND CONNECTOR (DLC3 - HYBRID VEHICLE CONTROL ECU)

    1. Turn the power switch off.

      C301860C05

      *c

      *a

      Front view of DLC3

      *b

      Front view of wire harness connector

      (to Hybrid Vehicle Control ECU)

    2. Disconnect the G194 connector from the hybrid vehicle control ECU.

    3. Measure the resistance according to the value(s) in the table below.

      Standard Resistance

      Tester Connection

      Condition

      Specified Condition

      G14-13 (TC) - G194-28 (TC)

      Always

      Below 1 Ω

    Result

    Proceed to

    OK

    NG

    NG

    REPAIR OR REPLACE HARNESS OR CONNECTOR

    OK
  3. CHECK HARNESS AND CONNECTOR (DLC3 - BODY GROUND)

    1. C198509C04

      *a

      Front view of DLC3

      Measure the resistance according to the value(s) in the table below.

      Standard Resistance

      Tester Connection

      Condition

      Specified Condition

      G14-4 (CG) - Body ground

      Always

      Below 1 Ω

    Result

    Proceed to

    OK

    NG

    NG

    REPAIR OR REPLACE HARNESS OR CONNECTOR

    OK
  4. CHECK HARNESS AND CONNECTOR (HYBRID VEHICLE CONTROL ECU - BODY GROUND)

    1. C285696C81

      *a

      Front view of wire harness connector

      (to Hybrid Vehicle Control ECU)

      Measure the resistance according to the value(s) in the table below.

      Standard Resistance

      Tester Connection

      Condition

      Specified Condition

      G194-28 (TC) - Body ground

      Always

      Below 1 Ω

    Result

    Proceed to

    OK

    NG

    OK

    REPLACE AIRBAG SENSOR ASSEMBLY

    NG

    REPAIR OR REPLACE HARNESS OR CONNECTOR OR EACH ECU