AIR CONDITIONING SYSTEM, Diagnostic DTC:B1497/97

DTC Code DTC Name
B1497/97 BUS IC Communication Malfunction

DESCRIPTION

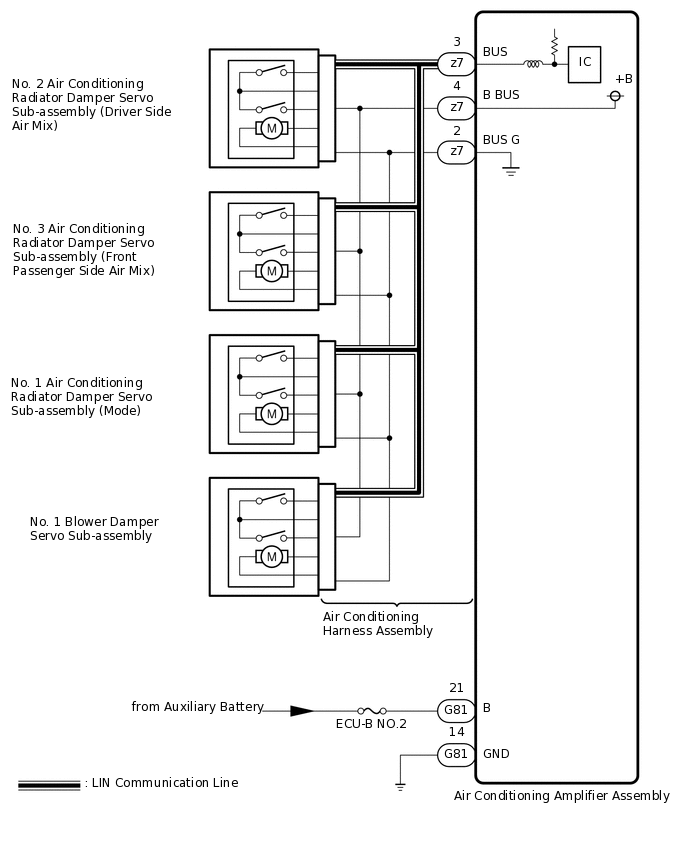
The air conditioning harness assembly connects the air conditioning amplifier assembly and the servo motors. The air conditioning amplifier assembly supplies power and sends operation instructions to each servo motor through the air conditioning harness assembly. Each servo motor sends damper position information to the air conditioning amplifier assembly.

DTC No.

Detection Item

DTC Detection Condition

Trouble Area

Memory

Note

B1497/97

BUS IC Communication Malfunction

Error or open in communication line

  • Harness or connector

  • No. 1 air conditioning radiator damper servo sub-assembly (driver side air mix), (front passenger side air mix), (mode)

  • No. 1 blower damper servo sub-assembly

  • No. 2 air conditioning radiator damper servo sub-assembly

  • Air conditioning harness assembly

  • Air conditioning amplifier assembly

Memorized (10 seconds or more)

-

Tip:

The air conditioning amplifier assembly stores the DTC of the respective malfunction if it has occurred for the period of time indicated in the parentheses.

WIRING DIAGRAM

E334426E01

CAUTION / NOTICE / HINT

Note:
  • Inspect the fuses for circuits related to this system before performing the following procedure.

  • When the servo motor or air conditioning amplifier assembly is replaced, be sure to perform servo motor initialization.

    Click here

PROCEDURE

  1. CHECK FOR DTC

    1. Clear the DTCs.

      Click here

      Body Electrical > Air Conditioner > Clear DTCs

    2. Check for DTCs.

      Click here

      Body Electrical > Air Conditioner > Trouble Codes

      OK

      DTC B1497/97 is not output.

    Result

    Proceed to

    OK

    NG

    OK

    USE SIMULATION METHOD TO CHECK

    NG
  2. CHECK HARNESS AND CONNECTOR (AIR CONDITIONING AMPLIFIER ASSEMBLY - BATTERY AND BODY GROUND)

    1. E269948C36

      *a

      Rear view of wire harness connector

      (to Air Conditioning Amplifier Assembly)

      Disconnect the air conditioning amplifier assembly connectors.

    2. Measure the resistance according to the value(s) in the table below.

      Standard Resistance

      Tester Connection

      Condition

      Specified Condition

      G81-14 (GND) - Body ground

      Always

      Below 1 Ω

    3. Measure the voltage according to the value(s) in the table below.

      Standard Voltage

      Tester Connection

      Switch Condition

      Specified Condition

      G81-21 (B) - Body ground

      Power switch off

      11 to 14 V

    Result

    Proceed to

    OK

    NG

    NG

    REPAIR OR REPLACE HARNESS OR CONNECTOR

    OK
  3. PERFORM ACTIVE TEST USING GTS (AIR MIX SERVO TARG PULSE[D], AIR MIX TARG PULSE[P], AIR OUTLET PULSE [D], AIR INLET DAMPER TARG PULSE)

    1. Connect the GTS to the DLC3.

    2. Turn the power switch on (IG).

    3. Turn the GTS on.

    4. Enter the following menus: Body Electrical / Air Conditioner / Active Test.

    5. Check the operation by referring to the table below.

      Body Electrical > Air Conditioner > Active Test

      Tester Display

      Measurement Item

      Control Range

      Diagnostic Note

      Air Mix Servo Targ Pulse(D)

      No. 2 air conditioning radiator damper servo sub-assembly (driver side air mix) pulse

      Min.: 0, Max.: 255

      • Operates between 5 and 92 pulse (for LHD)

      • Operates between 6 and 93 pulse (for RHD)

      Air Mix Servo Targ Pulse(P)

      No. 3 air conditioning radiator damper servo sub-assembly (front passenger side air mix) pulse

      Min.: 0, Max.: 255

      • Operates between 6 and 93 pulse (for LHD)

      • Operates between 5 and 92 pulse (for RHD)

      Air Outlet Servo Pulse (D)

      No. 1 air conditioning radiator damper servo sub-assembly (mode) pulse

      Min.: 0, Max.: 255

      Operates between 5 and 47 pulses

      Air Inlet Damper Targ Pulse

      No. 1 blower damper servo sub-assembly target pulse

      Min.: 0, Max.: 255

      Operates between 7 and 19 pulses

      Body Electrical > Air Conditioner > Active Test

      Tester Display

      Air Mix Servo Targ Pulse(D)

      Body Electrical > Air Conditioner > Active Test

      Tester Display

      Air Mix Servo Targ Pulse(P)

      Body Electrical > Air Conditioner > Active Test

      Tester Display

      Air Outlet Servo Pulse (D)

      Body Electrical > Air Conditioner > Active Test

      Tester Display

      Air Inlet Damper Targ Pulse

      OK

      Arm of the damper servo motor selected in the Active Test moves smoothly.

    6. According to the test result, proceed to the next step.

    Result

    Result

    Proceed to

    No. 2 air conditioning radiator damper servo sub-assembly (driver side air mix) is malfunctioning

    A

    No. 3 air conditioning radiator damper servo sub-assembly (front passenger side air mix) is malfunctioning

    B

    No. 1 air conditioning radiator damper servo sub-assembly (mode) is malfunctioning

    C

    No. 1 blower damper servo sub-assembly is malfunctioning

    D

    B

    CHECK NO. 3 AIR CONDITIONING RADIATOR DAMPER SERVO SUB-ASSEMBLY (FRONT PASSENGER SIDE AIR MIX)Click here

    C

    CHECK NO. 1 AIR CONDITIONING RADIATOR DAMPER SERVO SUB-ASSEMBLY (MODE)Click here

    D

    CHECK NO. 1 BLOWER DAMPER SERVO SUB-ASSEMBLYClick here

    A
  4. CHECK NO. 2 AIR CONDITIONING RADIATOR DAMPER SERVO SUB-ASSEMBLY (DRIVER SIDE AIR MIX)

    1. Replace the No. 2 air conditioning radiator damper servo sub-assembly (driver side air mix).

      Click here

      Tip:

      Since the servo motor cannot be inspected while it is removed from the vehicle, replace the servo motor with a new or known good one and check that the condition returns to normal.

    2. Clear the DTCs.

      Click here

      Body Electrical > Air Conditioner > Clear DTCs

    3. Check for DTCs.

      Click here

      Body Electrical > Air Conditioner > Trouble Codes

      OK

      DTC B1497/97 is not output.

    Result

    Proceed to

    OK

    NG

    OK

    END (NO. 2 AIR CONDITIONING RADIATOR DAMPER SERVO SUB-ASSEMBLY [DRIVER SIDE AIR MIX] WAS DEFECTIVE)

    NG
  5. CHECK AIR CONDITIONING HARNESS ASSEMBLY

    1. Replace the air conditioning harness assembly.

      Click here

      Tip:

      Since the air conditioning harness assembly cannot be inspected while it is removed from the vehicle, replace the air conditioning harness assembly with a new or known good one and check that the condition returns to normal.

    2. Clear the DTCs.

      Click here

      Body Electrical > Air Conditioner > Clear DTCs

    3. Check for DTCs.

      Click here

      Body Electrical > Air Conditioner > Trouble Codes

      OK

      DTC B1497/97 is not output.

    Result

    Proceed to

    OK

    NG

    OK

    END (AIR CONDITIONING HARNESS ASSEMBLY WAS DEFECTIVE)

    NG

    REPLACE AIR CONDITIONING AMPLIFIER ASSEMBLY

  6. CHECK NO. 3 AIR CONDITIONING RADIATOR DAMPER SERVO SUB-ASSEMBLY (FRONT PASSENGER SIDE AIR MIX)

    1. Replace the No. 2 air conditioning radiator damper servo sub-assembly (front passenger side air mix).

      Click here

      Tip:

      Since the servo motor cannot be inspected while it is removed from the vehicle, replace the servo motor with a new or known good one and check that the condition returns to normal.

    2. Clear the DTCs.

      Click here

      Body Electrical > Air Conditioner > Clear DTCs

    3. Check for DTCs.

      Click here

      Body Electrical > Air Conditioner > Trouble Codes

      OK

      DTC B1497/97 is not output.

    Result

    Proceed to

    OK

    NG

    OK

    END (NO. 3 AIR CONDITIONING RADIATOR DAMPER SERVO SUB-ASSEMBLY [FRONT PASSENGER SIDE AIR MIX] WAS DEFECTIVE)

    NG

    CHECK AIR CONDITIONING HARNESS ASSEMBLYClick here

  7. CHECK NO. 1 AIR CONDITIONING RADIATOR DAMPER SERVO SUB-ASSEMBLY (MODE)

    1. Replace the No. 1 air conditioning radiator damper servo sub-assembly (mode).

      Click here

      Tip:

      Since the servo motor cannot be inspected while it is removed from the vehicle, replace the servo motor with a new or known good one and check that the condition returns to normal.

    2. Clear the DTCs.

      Click here

      Body Electrical > Air Conditioner > Clear DTCs

    3. Check for DTCs.

      Click here

      Body Electrical > Air Conditioner > Trouble Codes

      OK

      DTC B1497/97 is not output.

    Result

    Proceed to

    OK

    NG

    OK

    END (NO. 1 AIR CONDITIONING RADIATOR DAMPER SERVO SUB-ASSEMBLY [MODE] WAS DEFECTIVE)

    NG

    CHECK AIR CONDITIONING HARNESS ASSEMBLYClick here

  8. CHECK NO. 1 BLOWER DAMPER SERVO SUB-ASSEMBLY

    1. Replace the No. 1 blower damper servo sub-assembly.

      Click here

      Tip:

      Since the servo motor cannot be inspected while it is removed from the vehicle, replace the servo motor with a new or known good one and check that the condition returns to normal.

    2. Clear the DTC.

      Click here

      Body Electrical > Air Conditioner > Clear DTCs

    3. Check for DTC.

      Click here

      Body Electrical > Air Conditioner > Trouble Codes

      OK

      DTC B1497/97 is not output.

    Result

    Proceed to

    OK

    NG

    OK

    END (NO. 1 BLOWER DAMPER SERVO SUB-ASSEMBLY WAS DEFECTIVE)

    NG

    CHECK AIR CONDITIONING HARNESS ASSEMBLYClick here