AIRBAG SYSTEM, Diagnostic DTC:B1810/53, B1811/53, B1812/53, B1813/53

DTC Code DTC Name
B1810/53 Short in Driver Side Squib 2nd Step Circuit
B1811/53 Open in Driver Side Squib 2nd Step Circuit
B1812/53 Short to GND in Driver Side Squib 2nd Step Circuit
B1813/53 Short to B+ in Driver Side Squib 2nd Step Circuit

DESCRIPTION

The driver side squib 2nd step circuit consists of the airbag sensor assembly, spiral cable sub-assembly and horn button assembly.

The airbag sensor assembly uses this circuit to deploy the airbag when deployment conditions are met.

These DTCs are stored when a malfunction is detected in the driver side squib 2nd step circuit.

DTC No. Detection Item DTC Detection Condition Trouble Area Test Mode / Check Mode
B1810/53 Short in Driver Side Squib 2nd Step Circuit
  • The airbag sensor assembly detects a line short in the driver side squib 2nd step circuit during the primary check.

  • Spiral cable sub-assembly malfunction

  • Driver side squib 2nd step malfunction

  • Airbag sensor assembly malfunction


  • Instrument panel wire

  • Spiral cable sub-assembly

  • Driver side squib 2nd step (Horn button assembly)

  • Airbag sensor assembly

Applies to check mode
B1811/53 Open in Driver Side Squib 2nd Step Circuit
  • The airbag sensor assembly detects an open in the driver side squib 2nd step circuit.

  • Spiral cable sub-assembly malfunction

  • Driver side squib 2nd step malfunction

  • Airbag sensor assembly malfunction


  • Instrument panel wire

  • Spiral cable sub-assembly

  • Driver side squib 2nd step (Horn button assembly)

  • Airbag sensor assembly

Applies to check mode
B1812/53 Short to GND in Driver Side Squib 2nd Step Circuit
  • The airbag sensor assembly detects a short to ground in the driver side squib 2nd step circuit.

  • Spiral cable sub-assembly malfunction

  • Driver side squib 2nd step malfunction

  • Airbag sensor assembly malfunction


  • Instrument panel wire

  • Spiral cable sub-assembly

  • Driver side squib 2nd step (Horn button assembly)

  • Airbag sensor assembly

Applies to check mode
B1813/53 Short to B+ in Driver Side Squib 2nd Step Circuit
  • The airbag sensor assembly detects a short to B+ in the driver side squib 2nd step circuit.

  • Spiral cable sub-assembly malfunction

  • Driver side squib 2nd step malfunction

  • Airbag sensor assembly malfunction


  • Instrument panel wire

  • Spiral cable sub-assembly

  • Driver side squib 2nd step (Horn button assembly)

  • Airbag sensor assembly

Applies to check mode

WIRING DIAGRAM

B007WVME07
*a Driver Side Squib 2nd Step (Horn Button Assembly)
*b Spiral Cable Sub-assembly
*c Airbag Sensor Assembly

CAUTION / NOTICE / HINT

Note

After turning the engine switch off, waiting time may be required before disconnecting the cable from the negative (-) battery terminal. Therefore, make sure to read the disconnecting the cable from the negative (-) battery terminal notices before proceeding with work.

Click here

Tech Tips


  • Perform the simulation method by selecting check mode (Signal Check) using the GTS.

    Click here

  • After selecting check mode (Signal Check), perform the simulation method by wiggling each connector of the airbag system or driving the vehicle on a city road or rough road.

    Click here

PROCEDURE


  1. CHECK CONNECTORS


    1. B007Y4LC01
      *1 Horn Button Assembly
      *2 Spiral Cable Sub-assembly
      *3 Airbag Sensor Assembly
      *4 Instrument Panel Wire

      Turn the engine switch off.

    2. Disconnect the cable from the negative (-) battery terminal.

      CAUTION:

      Wait at least 90 seconds after disconnecting the cable from the negative (-) battery terminal to disable the SRS system.

    3. Check that the connectors are properly connected to the horn button assembly, spiral cable sub-assembly and airbag sensor assembly.

      OK
      The connectors are properly connected.

      Tech Tips

      If the connectors are not properly connected, reconnect the connectors and proceed to the next inspection.

    4. Disconnect the connectors from the horn button assembly, spiral cable sub-assembly and airbag sensor assembly.

    5. Check that the terminals of the connectors are not deformed or damaged.

      OK
      The terminals are not deformed or damaged.
    6. Check that the spiral cable sub-assembly connector (on the horn button assembly side) is not loose, deformed or damaged.

      OK
      The connector locking button is not disengaged, and the claw of the lock is not deformed or damaged.
    7. Check that the short springs of the activation prevention mechanisms of the instrument panel wire connector and spiral cable sub-assembly connector are not deformed or damaged.

      OK
      The short springs are not deformed or damaged.
      Result
      Proceed to
      OK
      NG

    NG
    OK
  2. CHECK HORN BUTTON ASSEMBLY


    1. B007X9UC06
      *1 Horn Button Assembly
      *2 Spiral Cable Sub-assembly
      *3 Airbag Sensor Assembly
      *a

      Front view of wire harness connector

      (to Horn Button Assembly)

      *b Color: Black

      Connect the instrument panel wire to the airbag sensor assembly and spiral cable sub-assembly.

    2. Connect SST (resistance 2.1 Ω) to connector E (black connector).

      CAUTION:

      Never connect a tester to the horn button assembly for measurement, as this may lead to a serious injury due to airbag deployment.

      Note


      • Do not forcibly insert SST into the terminals of the connector when connecting it.

      • Insert SST straight into the terminals of the connector.

      SST
      09843-18061
    3. Connect the cable to the negative (-) battery terminal.

    4. Clear the DTCs stored in memory.

      Click here


      Body Electrical > SRS Airbag > Clear DTCs
    5. Turn the engine switch off.

    6. Turn the engine switch on (IG), and wait for at least 60 seconds.

    7. Check for DTCs.

      Click here


      Body Electrical > SRS Airbag > Trouble Codes
      OK
      DTC B1810/53, B1811/53, B1812/53 or B1813/53 is not output.

      Tech Tips

      Codes other than DTCs B1810/53, B1811/53, B1812/53 and B1813/53 may be output at this time, but they are not related to this check.

    8. Turn the engine switch off.

    9. Disconnect the cable from the negative (-) battery terminal.

      CAUTION:

      Wait at least 90 seconds after disconnecting the cable from the negative (-) battery terminal to disable the SRS system.

    10. Disconnect SST from connector E.

      Result
      Proceed to
      OK
      NG

    OK
    NG
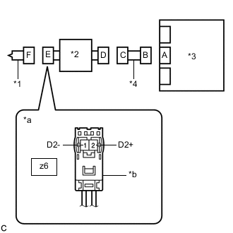
  3. CHECK DRIVER SIDE SQUIB 2ND STEP CIRCUIT


    1. B007YQLC06
      *1 Horn Button Assembly
      *2 Spiral Cable Sub-assembly
      *3 Airbag Sensor Assembly
      *a

      Front view of wire harness connector

      (to Horn Button Assembly)

      *b Color: Black

      Disconnect the instrument panel wire from the airbag sensor assembly.

    2. Check for a short to B+ in the circuit.


      1. Connect the cable to the negative (-) battery terminal.

      2. Turn the engine switch on (IG).

      3. Measure the voltage according to the value(s) in the table below.

        Standard Voltage
        Tester Connection Condition Specified Condition
        z6-2 (D2+) - Body ground Engine switch on (IG) Below 1 V
        z6-1 (D2-) - Body ground Engine switch on (IG) Below 1 V
      4. Turn the engine switch off.

      5. Disconnect the cable from the negative (-) battery terminal.

        CAUTION:

        Wait at least 90 seconds after disconnecting the cable from the negative (-) battery terminal to disable the SRS system.

    3. Check for an open in the circuit.


      1. Measure the resistance according to the value(s) in the table below.

        Standard Resistance
        Tester Connection Condition Specified Condition
        z6-2 (D2+) - z6-1 (D2-) Always Below 1 Ω
    4. Check for a short to ground in the circuit.


      1. Measure the resistance according to the value(s) in the table below.

        Standard Resistance
        Tester Connection Condition Specified Condition
        z6-2 (D2+) - Body ground Always 1 MΩ or higher
        z6-1 (D2-) - Body ground Always 1 MΩ or higher
    5. Check for a short in the circuit.


      1. Release the activation prevention mechanism built into connector B.

        Click here

      2. Measure the resistance according to the value(s) in the table below.

        Standard Resistance
        Tester Connection Condition Specified Condition
        z6-2 (D2+) - z6-1 (D2-) Always 1 MΩ or higher
      3. Restore the released activation prevention mechanism of connector B to the original condition.

      Result
      Proceed to
      OK
      NG

    NG
    OK
  4. CHECK DTC


    1. B007X8UC01
      *1 Horn Button Assembly
      *2 Spiral Cable Sub-assembly
      *3 Airbag Sensor Assembly

      Connect the connectors to the horn button assembly and airbag sensor assembly.

    2. Connect the cable to the negative (-) battery terminal.

    3. Clear the DTCs stored in memory.

      Click here


      Body Electrical > SRS Airbag > Clear DTCs
    4. Turn the engine switch off.

    5. Turn the engine switch on (IG), and wait for at least 60 seconds.

    6. Check for DTCs.

      Click here


      Body Electrical > SRS Airbag > Trouble Codes
      OK
      DTC B1810/53, B1811/53, B1812/53 or B1813/53 is not output.

      Tech Tips

      Codes other than DTCs B1810/53, B1811/53, B1812/53 and B1813/53 may be output at this time, but they are not related to this check.

      Result
      Proceed to
      OK
      NG

    OK
    NG
  5. CHECK INSTRUMENT PANEL WIRE


    1. B00803EC22
      *1 Horn Button Assembly
      *2 Spiral Cable Sub-assembly
      *3 Airbag Sensor Assembly
      *4 Instrument Panel Wire
      *a

      Front view of wire harness connector

      (to Spiral Cable Sub-assembly)

      Disconnect the instrument panel wire from the spiral cable sub-assembly.

    2. Check for a short to B+ in the circuit.


      1. Connect the cable to the negative (-) battery terminal.

      2. Turn the engine switch on (IG).

      3. Measure the voltage according to the value(s) in the table below.

        Standard Voltage
        Tester Connection Condition Specified Condition
        J30-4 (D2+) - Body ground Engine switch on (IG) Below 1 V
        J30-3 (D2-) - Body ground Engine switch on (IG) Below 1 V
      4. Turn the engine switch off.

      5. Disconnect the cable from the negative (-) battery terminal.

        CAUTION:

        Wait at least 90 seconds after disconnecting the cable from the negative (-) battery terminal to disable the SRS system.

    3. Check for an open in the circuit.


      1. Measure the resistance according to the value(s) in the table below.

        Standard Resistance
        Tester Connection Condition Specified Condition
        J30-4 (D2+) - J30-3 (D2-) Always Below 1 Ω
    4. Check for a short to ground in the circuit.


      1. Measure the resistance according to the value(s) in the table below.

        Standard Resistance
        Tester Connection Condition Specified Condition
        J30-4 (D2+) - Body ground Always 1 MΩ or higher
        J30-3 (D2-) - Body ground Always 1 MΩ or higher
    5. Check for a short in the circuit.


      1. Release the activation prevention mechanism built into connector B.

        Click here

      2. Measure the resistance according to the value(s) in the table below.

        Standard Resistance
        Tester Connection Condition Specified Condition
        J30-4 (D2+) - J30-3 (D2-) Always 1 MΩ or higher
      3. Restore the released activation prevention mechanism of connector B to the original condition.

      Result
      Proceed to
      OK
      NG

    NG
    OK
  6. CHECK SPIRAL CABLE SUB-ASSEMBLY


    1. B007Z51C06
      *1 Horn Button Assembly
      *2 Spiral Cable Sub-assembly
      *3 Airbag Sensor Assembly
      *4 Instrument Panel Wire
      *a

      Front view of wire harness connector

      (to Horn Button Assembly)

      *b Color: Black

      Check for a short to B+ in the circuit.


      1. Connect the cable to the negative (-) battery terminal.

      2. Turn the engine switch on (IG).

      3. Measure the voltage according to the value(s) in the table below.

        Standard Voltage
        Tester Connection Condition Specified Condition
        z6-2 (D2+) - Body ground Engine switch on (IG) Below 1 V
        z6-1 (D2-) - Body ground Engine switch on (IG) Below 1 V
      4. Turn the engine switch off.

      5. Disconnect the cable from the negative (-) battery terminal.

        CAUTION:

        Wait at least 90 seconds after disconnecting the cable from the negative (-) battery terminal to disable the SRS system.

    2. Check for an open in the circuit.


      1. Measure the resistance according to the value(s) in the table below.

        Standard Resistance
        Tester Connection Condition Specified Condition
        z6-2 (D2+) - z6-1 (D2-) Always Below 1 Ω
    3. Check for a short to ground in the circuit.


      1. Measure the resistance according to the value(s) in the table below.

        Standard Resistance
        Tester Connection Condition Specified Condition
        z6-2 (D2+) - Body ground Always 1 MΩ or higher
        z6-1 (D2-) - Body ground Always 1 MΩ or higher
    4. Check for a short in the circuit.


      1. Release the activation prevention mechanism built into connector D.

        Click here

      2. Measure the resistance according to the value(s) in the table below.

        Standard Resistance
        Tester Connection Condition Specified Condition
        z6-2 (D2+) - z6-1 (D2-) Always 1 MΩ or higher
      3. Restore the released activation prevention mechanism of connector D to the original condition.

      Result
      Proceed to
      OK
      NG

    OK
    NG