AIRBAG SYSTEM(w/o Occupant Classification System) SRS Warning Light Remains ON

DTC Code DTC Name
SRS Warning Light Remains ON

DESCRIPTION

The SRS warning light is located in the combination meter assembly.

When the SRS is normal, the SRS warning light comes on for approximately 6 seconds after the power switch is turned from off to on (IG), and then goes off automatically.

If there is a malfunction in the SRS, the SRS warning light comes on to inform the driver of a problem.

When terminals TC and CG of the DLC3 are connected, DTCs are output by the blinking of the SRS warning light.

The SRS is equipped with a voltage-increase circuit (DC-DC converter) in the airbag sensor assembly in case the source voltage drops.

When the auxiliary battery voltage drops, the voltage-increase circuit (DC-DC converter) functions to increase the voltage of the SRS to normal voltage.

A malfunction in this circuit is not recorded in the airbag sensor assembly. The SRS warning light automatically goes off when the source voltage returns to normal.

The signal to illuminate the SRS warning light is transmitted from the airbag sensor assembly to the combination meter assembly through the CAN communication system.

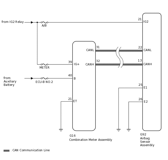
WIRING DIAGRAM

C279126E13

CAUTION / NOTICE / HINT

Note:
  • After turning the power switch off, waiting time may be required before disconnecting the cable from the negative (-) auxiliary battery terminal. Therefore, make sure to read the disconnecting the cable from the negative (-) auxiliary battery terminal notices before proceeding with work.

    Click hereClick hereClick hereClick here

  • When disconnecting the cable from the negative (-) auxiliary battery terminal while performing repairs, some systems need to be initialized after the cable is reconnected.

    Click hereClick hereClick here

  • After replacing the airbag sensor assembly, refer to initialization.

    Click hereClick hereClick here

  • Inspect the fuses for circuits related to this system before performing the following inspection procedure.

PROCEDURE

  1. CHECK CAN COMMUNICATION SYSTEM

    1. Check if a CAN communication DTC is output.

      Result

      Proceed to

      DTCs are output

      DTC is not output

    DTCs are output

    GO TO CAN COMMUNICATION SYSTEM

    DTC is not output
  2. CHECK AUXILIARY BATTERY

    1. Measure the voltage of the auxiliary battery.

      Standard voltage

      11 to 14 V

    Result

    Proceed to

    OK

    NG

    NG

    REPLACE OR RECHARGE AUXILIARY BATTERY

    OK
  3. CHECK CONNECTION OF CONNECTORS

    1. Turn the power switch off.

    2. Disconnect the cable from the negative (-) auxiliary battery terminal, and wait for at least 90 seconds.

    3. Check that the connectors are properly connected to the airbag sensor assembly and combination meter assembly.

    Result

    Proceed to

    The connectors are properly connected

    The connectors are not properly connected

    The connectors are not properly connected

    CONNECT CONNECTORS PROPERLY

    The connectors are properly connected
  4. CHECK HARNESS AND CONNECTOR (AIRBAG SENSOR ASSEMBLY - AUXILIARY BATTERY AND BODY GROUND)

    1. C198548C04

      *a

      Rear view of wire harness connector

      (to Airbag Sensor Assembly)

      Disconnect the connectors from the airbag sensor assembly.

    2. Connect the cable to the negative (-) auxiliary battery terminal, and wait for at least 2 seconds.

    3. Turn the power switch to on (IG).

    4. Operate all the components of the electrical system (defogger, wipers, headlights, heater blower, etc.).

    5. Measure the voltage according to the value(s) in the table below.

      Standard Voltage

      Tester Connection

      Switch Condition

      Specified Condition

      G92-21 (IG2) - G92-25 (E1)

      Power switch on (IG)

      11 to 14 V

      G92-21 (IG2) - G92-26 (E2)

      Power switch off

      Below 1 V

    6. Measure the resistance according to the value(s) in the table below.

      Standard Resistance

      Tester Connection

      Condition

      Specified Condition

      G92-25 (E1) - Body ground

      Always

      Below 1 Ω

      G92-26 (E2) - Body ground

      Always

      Below 1 Ω

    Result

    Proceed to

    OK

    NG

    NG

    REPLACE HARNESS AND CONNECTOR

    OK
  5. CHECK HARNESS AND CONNECTOR (COMBINATION METER ASSEMBLY - AUXILIARY BATTERY AND BODY GROUND)

    1. C253599C03

      *a

      Front view of wire harness connector

      (to Combination Meter Assembly)

      Disconnect the cable from the negative (-) auxiliary battery terminal, and wait for at least 90 seconds.

    2. Disconnect the G16 connector from the combination meter assembly.

    3. Connect the cable to the negative (-) auxiliary battery terminal, and wait for at least 2 seconds.

    4. Turn the power switch to on (IG).

    5. Measure the voltage according to the value(s) in the table below.

      Standard Voltage

      Tester Connection

      Condition

      Specified Condition

      G16-39 (IG+) - G16-21 (ET)

      Power switch on (IG)

      11 to 14 V

      G16-40 (B) - G16-21 (ET)

      Always

      11 to 14 V

    6. Measure the resistance according to the value(s) in the table below.

      Standard Resistance

      Tester Connection

      Condition

      Specified Condition

      G16-21 (ET) - Body ground

      Always

      Below 1 Ω

    Result

    Proceed to

    OK

    NG

    NG

    REPAIR OR REPLACE HARNESS OR CONNECTOR

    OK
  6. CHECK SRS WARNING LIGHT (SHORT TO GROUND)

    1. Turn the power switch off.

    2. Disconnect the cable from the negative (-) auxiliary battery terminal, and wait for at least 90 seconds.

    3. Connect the connector to the combination meter assembly.

    4. Connect the cable to the negative (-) auxiliary battery terminal, and wait for at least 2 seconds.

    5. Turn the power switch to on (IG).

    6. Check the SRS warning light condition.

      OK

      After the primary check period, the SRS warning light goes off for approximately 10 seconds and then remains on.

      Tip:

      The primary check period is approximately 6 seconds after the power switch is turned on (IG).

    Result

    Proceed to

    OK

    NG

    OK

    REPLACE AIR BAG SENSOR ASSEMBLY

    NG

    GO TO METER / GAUGE SYSTEM