SHIFT LEVER POSITION SENSOR ADJUSTMENT

PROCEDURE


  1. INSPECT SHIFT LEVER POSITION SENSOR POSITION


    1. Apply the parking brake.

    2. Chock all 4 wheels to secure the vehicle.

    3. Turn the power switch on (READY).

    4. Move the shift lever to D and release the brake.

      Note

      Be sure to apply the parking brake and chock all 4 wheels to secure the vehicle.

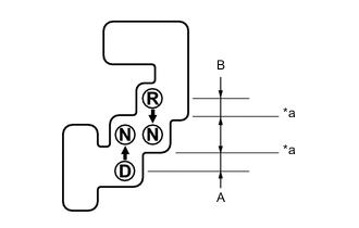
    5. B004GKNC01
      *a Gear Disengagement Point

      Slowly move the shift lever to N and measure the moving distance (A) of the shift lever from the original point to the gear disengagement point.

      Note

      Be sure to move the shift lever slowly.

    6. Move the shift lever to R and release the brake.

      Note

      Be sure to apply the parking brake and chock all 4 wheels to secure the vehicle.

    7. Slowly move the shift lever to N and measure the moving distance (B) of the shift lever from the original point to the gear disengagement point.

      Note

      Be sure to move the shift lever slowly.

    8. Check that the moving distances (A) and (B) shown in the illustration are almost the same.

      Tech Tips


      • If the moving distances (A) and (B) are almost the same, adjustment of the shift lever position is not necessary.

      • If the moving distance (A) is shorter than (B), proceed to step [*1] to perform adjustment of the shift lever position.

      • If the moving distance (B) is shorter than (A), proceed to step [*2] to perform adjustment of the shift lever position.

  2. ADJUST SHIFT LEVER POSITION SENSOR POSITION


    1. If the moving distance (A) is shorter than (B) [*1]


      1. Move the shift lever to N.

      2. B004ERB

        Loosen the 2 bolts.

      3. B004FJP

        Slightly turn the shift lever position sensor counterclockwise.

        Tech Tips

        If the shift lever is moved from D to N, the moving distance of the shift lever from the original point to the gear disengagement point becomes longer.

      4. Tighten the 2 bolts.

        Torque:
        5.4 N*m  { 55 kgf*cm, 48 in.*lbf }
      5. Recheck the shift lever position sensor position.

    2. If the moving distance (B) is shorter than (A) [*2]


      1. Move the shift lever to N.

      2. B004ERB

        Loosen the 2 bolts.

      3. B004EAZ

        Slightly turn the shift lever position sensor clockwise.

        Tech Tips

        If the shift lever is moved from R to N, the moving distance of the shift lever from the original point to the gear disengagement point becomes longer.

      4. Tighten the 2 bolts.

        Torque:
        5.4 N*m  { 55 kgf*cm, 48 in.*lbf }
      5. Recheck the shift lever position sensor position.