SPEED LIMITER SYSTEM Speed Limiter System does not Operate

DTC Code DTC Name
Speed Limiter System does not Operate

DESCRIPTION

When the speed limiter system is turned on using the adjustable speed limiter switch (cruise control main switch), the ECM illuminates the speed limiter indicator and activates the speed limiter system. Each function of the speed limiter system can be activated by operating the adjustable speed limiter switch (cruise control main switch).

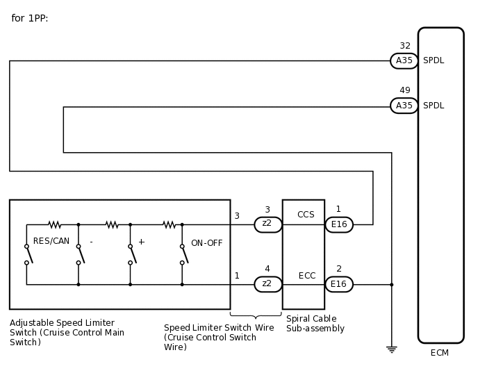
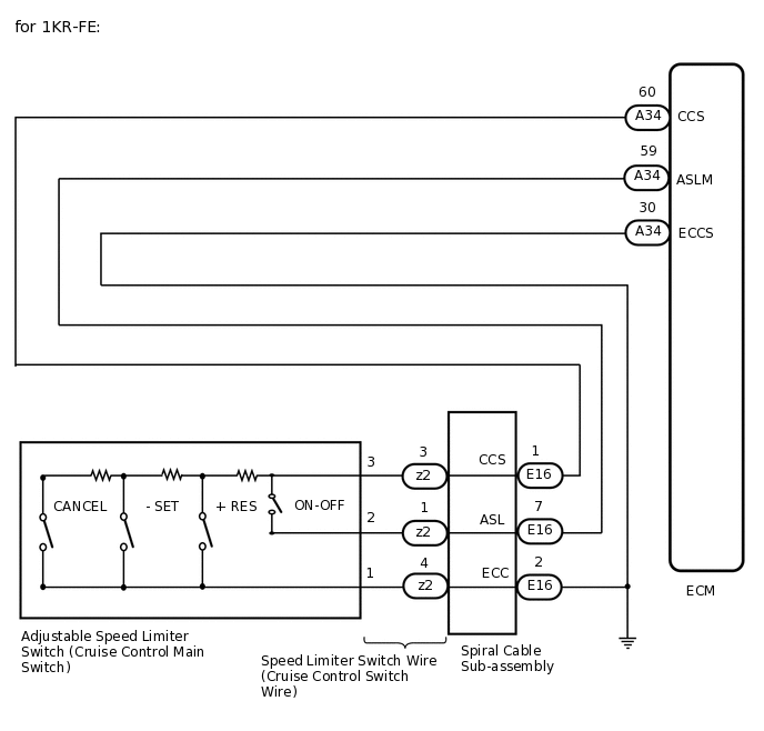
WIRING DIAGRAM

A324537E02
A324538C01

PROCEDURE

  1. CONFIRM MODEL

    1. Choose the model to be inspected.

      Result

      Result

      Proceed to

      for 1KR-FE

      A

      for 1PP

      B

    B

    INSPECT ADJUSTABLE SPEED LIMITER SWITCH (CRUISE CONTROL MAIN SWITCH)Click here

    A
  2. READ VALUE ON GTS

    1. A331667C01

      *a

      ON-OFF

      *b

      - SET

      *c

      + RES

      *d

      CANCEL

      Connect the GTS to the DLC3.

    2. Turn the ignition switch to ON.

    3. Turn the GTS on.

    4. Enter the following menus: Powertrain / Engine and ECT / Data List.

    5. Check the Data List to confirm proper functioning of the adjustable speed limiter switch (cruise control main switch).

      Powertrain > Engine and ECT > Data List

      Tester Display

      Measurement Item

      Range

      Normal Condition

      Diagnostic Note

      Cancel Switch

      CANCEL switch signal

      ON or OFF

      ON: CANCEL switch operated

      OFF: CANCEL switch released

      -

      SET/COAST Switch

      - SET switch signal

      ON or OFF

      ON: - SET switch operated

      OFF: - SET switch released

      -

      RES/ACC Switch

      + RES switch signal

      ON or OFF

      ON: + RES switch operated

      OFF: + RES switch released

      -

      ASL Main Switch

      Adjustable speed limiter switch (Cruise control main switch) (ON-OFF button) signal

      ON or OFF

      ON: Adjustable speed limiter switch (Cruise control main switch) (ON-OFF button) pushed and held

      OFF: Adjustable speed limiter switch (Cruise control main switch) (ON-OFF button) released

      -

      OK

      When the adjustable speed limiter switch (cruise control main switch) is operated, the display changes as shown above.

    Result

    Proceed to

    OK

    NG

    OK

    PROCEED TO NEXT SUSPECTED AREA SHOWN IN PROBLEM SYMPTOMS TABLE

    NG
  3. INSPECT ADJUSTABLE SPEED LIMITER SWITCH (CRUISE CONTROL MAIN SWITCH)

    1. Remove the adjustable speed limiter switch (cruise control main switch).

      Click here

    2. Measure the resistance according to the value(s) in the table below.

      1. for 1KR-FE:

        A331668C01

        *1

        Adjustable Speed Limiter Switch (Cruise Control Main Switch) (ON-OFF button)

        -

        -

        *a

        Component without harness connected

        (Adjustable Speed Limiter Switch (Cruise Control Main Switch))

        *b

        ON-OFF

        *c

        + RES

        *d

        - SET

        *e

        CANCEL

        -

        -

        Standard Resistance

        Tester Connection

        Condition

        Specified Condition

        1 - 2

        Adjustable speed limiter switch (Cruise control main switch) (ON-OFF button) released

        1 MΩ or higher

        1 - 2

        Adjustable speed limiter switch (Cruise control main switch) (ON-OFF button) pushed

        Below 2.5 Ω

        1 - 3

        + RES switch operated

        235 to 245 Ω

        1 - 3

        - SET switch operated

        617 to 643 Ω

        1 - 3

        CANCEL switch operated

        1509 to 1571 Ω

      2. for 1PP:

        A326994C01

        *1

        Adjustable Speed Limiter Switch (Cruise Control Main Switch) (ON-OFF button)

        -

        -

        *a

        Component without harness connected

        (Adjustable Speed Limiter Switch (Cruise Control Main Switch))

        *b

        ON-OFF

        *c

        +

        *d

        -

        *e

        RES/CAN

        -

        -

        Standard Resistance

        Tester Connection

        Condition

        Specified Condition

        1 - 3

        Adjustable speed limiter switch (Cruise control main switch) (ON-OFF button) released

        1 MΩ or higher

        1 - 3

        Adjustable speed limiter switch (Cruise control main switch) (ON-OFF button) pushed

        Below 2.5 Ω

        1 - 3

        + switch operated

        235 to 245 Ω

        1 - 3

        - switch operated

        617 to 643 Ω

        1 - 3

        RES/CAN switch operated

        1509 to 1571 Ω

    Result

    Proceed to

    OK

    NG

    NG

    REPLACE ADJUSTABLE SPEED LIMITER SWITCH (CRUISE CONTROL MAIN SWITCH)

    OK
  4. CHECK SPEED LIMITER SWITCH WIRE (CRUISE CONTROL SWITCH WIRE)

    1. E232246C11

      *A

      w/ Steering Pad Switch Assembly

      *a

      Front view of wire harness connector

      (to Spiral Cable Sub-assembly)

      *b

      Front view of wire harness connector

      (to Adjustable Speed Limiter Switch (Cruise Control Main Switch))

      Remove the speed limiter switch wire (cruise control switch wire).

    2. Measure the resistance according to the value(s) in the table below.

      Standard Resistance (Check for Open) (for 1KR-FE)

      Tester Connection

      Specified Condition

      z2-1 - Adjustable speed limiter switch (Cruise control main switch) side connector terminal 2

      Below 1 Ω

      z2-3 - Adjustable speed limiter switch (Cruise control main switch) side connector terminal 3

      Below 1 Ω

      z2-4 - Adjustable speed limiter switch (Cruise control main switch) side connector terminal 1

      Below 1 Ω

      Standard Resistance (Check for Open) (for 1PP)

      Tester Connection

      Specified Condition

      z2-3 - Adjustable speed limiter switch (Cruise control main switch) side connector terminal 3

      Below 1 Ω

      z2-4 - Adjustable speed limiter switch (Cruise control main switch) connector terminal 1

      Below 1 Ω

    Result

    Proceed to

    OK

    NG

    NG

    REPLACE SPEED LIMITER SWITCH WIRE (CRUISE CONTROL SWITCH WIRE)

    OK
  5. INSPECT SPIRAL CABLE SUB-ASSEMBLY

    1. Inspect the spiral cable sub-assembly.

      Click hereClick here

    Result

    Proceed to

    OK

    NG

    NG

    REPLACE SPIRAL CABLE SUB-ASSEMBLY

    OK
  6. CHECK HARNESS AND CONNECTOR (ECM - SPIRAL CABLE SUB-ASSEMBLY)

    1. Disconnect the A34*1 or A35*2 ECM connector.

      • *1: for 1KR-FE

      • *2: for 1PP

    2. Disconnect the E16 spiral cable sub-assembly connector.

    3. Measure the resistance according to the value(s) in the table below.

      Standard Resistance (Check for Open)

      Table 1. for 1KR-FE

      Tester Connection

      Condition

      Specified Condition

      A34-59 (ASLM) - E16-7 (ASL)

      Always

      Below 1 Ω

      A34-60 (CCS) - E16-1 (CCS)

      Always

      Below 1 Ω

      Table 2. for 1PP

      Tester Connection

      Condition

      Specified Condition

      A35-32 (SPDL) - E16-1 (CCS)

      Always

      Below 1 Ω

      Standard Resistance (Check for Short)

      Table 3. for 1KR-FE

      Tester Connection

      Condition

      Specified Condition

      A34-59 (ASLM) or E16-7 (ASL) - Body ground

      Always

      10 kΩ or higher

      A34-60 (CCS) or E16-1 (CCS) - Body ground

      Always

      10 kΩ or higher

      Table 4. for 1PP

      Tester Connection

      Condition

      Specified Condition

      A35-32 (SPDL) or E16-1 (CCS) - Body ground

      Always

      10 kΩ or higher

    Result

    Proceed to

    OK

    NG

    NG

    REPAIR OR REPLACE HARNESS OR CONNECTOR (ECM - SPIRAL CABLE SUB-ASSEMBLY)

    OK
  7. CHECK HARNESS AND CONNECTOR (SPIRAL CABLE SUB-ASSEMBLY - BODY GROUND)

    1. Disconnect the E16 spiral cable sub-assembly connector.

    2. Measure the resistance according to the value(s) in the table below.

      Standard Resistance (Check for Open)

      Tester Connection

      Condition

      Specified Condition

      E16-2 (ECC) - Body ground

      Always

      Below 1 Ω

      Result

      Proceed to

      OK

      NG

    OK

    REPLACE ECM

    for 1KR-FE:Click here

    for 1PP:Click here

    NG

    REPAIR OR REPLACE HARNESS OR CONNECTOR (SPIRAL CABLE SUB-ASSEMBLY - BODY GROUND)