AIRBAG SYSTEM(w/o Occupant Classification System), Diagnostic DTC:B1612/83 and B1613/83

DTC Code DTC Name
B1612/83 Lost Communication with Front Airbag Sensor RH
B1613/83 Front Airbag Sensor RH Initialization Incomplete

DESCRIPTION

The front airbag sensor RH circuit consists of the airbag sensor assembly and front airbag sensor RH.

The front airbag sensor RH detects impacts to the vehicle and sends signals to the airbag sensor assembly to determine if the airbag should be deployed.

DTC B1612/83 or B1613/83 is stored when a malfunction is detected in the front airbag sensor RH circuit.

DTC No.

Detection Item

DTC Detection Condition

Trouble Area

B1612/83

Lost Communication with Front Airbag Sensor RH

One of the following conditions is met:

  • The airbag sensor assembly detects a line short circuit signal, open circuit signal, short circuit to ground signal or short circuit to B+ signal in the front airbag sensor RH circuit for 2 seconds.

  • A front airbag sensor RH malfunction.

  • A airbag sensor assembly malfunction.

  • Instrument panel wire

  • Engine room main wire

  • Front airbag sensor RH

  • Airbag sensor assembly

B1613/83

Front Airbag Sensor RH Initialization Incomplete

One of the following conditions is met:

  • The airbag sensor assembly detects a line short circuit signal, open circuit signal, short circuit to ground signal or short circuit to B+ signal in the front airbag sensor RH circuit for 2 seconds.

  • A front airbag sensor RH malfunction.

  • A airbag sensor assembly malfunction.

  • Instrument panel wire

  • Engine room main wire

  • Front airbag sensor RH

  • Airbag sensor assembly

WIRING DIAGRAM

C279108E01

CAUTION / NOTICE / HINT

Note:
  • After turning the power switch off, waiting time may be required before disconnecting the cable from the negative (-) auxiliary battery terminal. Therefore, make sure to read the disconnecting the cable from the negative (-) auxiliary battery terminal notices before proceeding with work.

    Click hereClick hereClick hereClick here

  • When disconnecting the cable from the negative (-) auxiliary battery terminal while performing repairs, some systems need to be initialized after the cable is reconnected.

    Click hereClick hereClick here

  • After replacing the airbag sensor assembly, refer to initialization.

    Click hereClick hereClick here

PROCEDURE

  1. CHECK CONNECTION OF CONNECTORS

    1. Turn the power switch off.

    2. Disconnect the cable from the negative (-) auxiliary battery terminal, and wait for at least 90 seconds.

    3. Check that the connectors are properly connected to the airbag sensor assembly and front airbag sensor RH.

      Result

      Proceed to

      The connectors are properly connected

      The connectors are not properly connected

    The connectors are not properly connected

    CONNECT CONNECTORS PROPERLY

    The connectors are properly connected
  2. CHECK CONNECTORS

    1. Disconnect the connectors from the airbag sensor assembly and front airbag sensor RH.

    2. C213959C01

      *1

      Front Airbag Sensor RH

      *2

      Airbag Sensor Assembly

      Check that the connectors (on the airbag sensor assembly side and front airbag sensor RH side) are not damaged.

    Result

    Proceed to

    The connectors are not deformed or damaged

    The connectors are deformed or damaged

    The connectors are deformed or damaged

    REPLACE HARNESS AND CONNECTOR

    The connectors are not deformed or damaged
  3. CHECK FRONT AIRBAG SENSOR RH CIRCUIT

    1. Connect the cable to the negative (-) auxiliary battery terminal, and wait for at least 2 seconds.

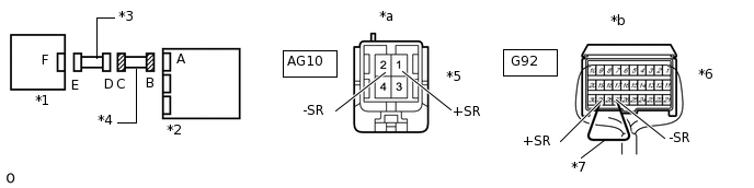
      C214250C01

      *1

      Front Airbag Sensor RH

      *2

      Airbag Sensor Assembly

      *3

      Connector E

      *4

      Connector B

      *5

      Service Wire

      -

      -

      *a

      Front view of wire harness connector

      (to Front Airbag Sensor RH)

      *b

      Rear view of wire harness connector

      (to Airbag Sensor Assembly)

    2. Turn the power switch to on (IG).

    3. Measure the voltage according to the value(s) in the table below.

      Standard Voltage

      Tester Connection

      Switch Condition

      Specified Condition

      A49-2 (+SR) - Body ground

      Power switch on (IG)

      Below 1 V

      A49-1 (-SR) - Body ground

      Power switch on (IG)

      Below 1 V

    4. Turn the power switch off.

    5. Disconnect the cable from the negative (-) auxiliary battery terminal, and wait for at least 90 seconds.

    6. Using a service wire, connect terminals 29 (+SR) and 27 (-SR) of connector B.

      Note:

      Do not forcibly insert the service wire into the terminals of the connector when connecting a service wire.

    7. Measure the resistance according to the value(s) in the table below.

      Standard Resistance

      Tester Connection

      Condition

      Specified Condition

      A49-2 (+SR) - A49-1 (-SR)

      Always

      Below 1 Ω

    8. Disconnect the service wire from connector B.

    9. Measure the resistance according to the value(s) in the table below.

      Standard Resistance

      Tester Connection

      Condition

      Specified Condition

      A49-2 (+SR) - A49-1 (-SR)

      Always

      1 MΩ or higher

      A49-2 (+SR) - Body ground

      Always

      1 MΩ or higher

      A49-1 (-SR) - Body ground

      Always

      1 MΩ or higher

    Result

    Proceed to

    OK

    NG

    NG

    CHECK INSTRUMENT PANEL WIREClick here

    OK
  4. CHECK FRONT AIRBAG SENSOR RH

    1. C171014C02

      *1

      Front Airbag Sensor LH

      *2

      Airbag Sensor Assembly

      Connect the connectors to the airbag sensor assembly.

    2. Interchange the front airbag sensor RH with LH and connect the connectors to them.

    3. Connect the cable to the negative (-) auxiliary battery terminal, and wait for at least 2 seconds.

    4. Turn the power switch to on (IG), and wait for at least 60 seconds.

    5. Clear the DTCs stored in memory.

      Click here

      Body Electrical > SRS Airbag > Clear DTCs

    6. Turn the power switch off.

    7. Turn the power switch to on (IG), and wait for at least 60 seconds.

    8. Check for DTCs.

      Click here

      Body Electrical > SRS Airbag > Trouble Codes

      Result

      Proceed to

      DTC B1612/83 or B1613/83 is output

      DTC B1617/84 or B1618/84 is output

      DTC B1612/83, B1613/83, B1617/84 and B1618/84 are not output

      Tip:

      Codes other than DTC B1612/83, B1613/83, B1617/84 and B1618/84 may be output at this time, but they are not related to this check.

    9. Turn the power switch off.

    10. Disconnect the cable from the negative (-) auxiliary battery terminal, and wait for at least 90 seconds.

    11. Return the front airbag sensor LH and RH to their original positions and connect the connectors to them.

    DTC B1612/83 or B1613/83 is output

    REPLACE AIRBAG SENSOR ASSEMBLY

    DTC B1617/84 or B1618/84 is output

    REPLACE FRONT AIRBAG SENSOR RH

    DTC B1612/83, B1613/83, B1617/84 and B1618/84 are not output

    USE SIMULATION METHOD TO CHECK

  5. CHECK INSTRUMENT PANEL WIRE

    1. Disconnect the instrument panel wire connector from the engine room main wire.

      C279668C01

      *1

      Front Airbag Sensor RH

      *2

      Airbag Sensor Assembly

      *3

      Engine Room Main Wire

      *4

      Instrument Panel Wire

      *5

      Connector C

      *6

      Connector B

      *7

      Service Wire

      -

      -

      *a

      Front view of wire harness connector

      (to Engine Room Main Wire)

      *b

      Rear view of wire harness connector

      (to Airbag Sensor Assembly)

    2. Connect the cable to the negative (-) auxiliary battery terminal, and wait for at least 2 seconds.

    3. Turn the power switch to on (IG).

    4. Measure the voltage according to the value(s) in the table below.

      Standard Voltage

      Tester Connection

      Switch Condition

      Specified Condition

      AG10-1 (+SR) - Body ground

      Power switch on (IG)

      Below 1 V

      AG10-2 (-SR) - Body ground

      Power switch on (IG)

      Below 1 V

    5. Turn the power switch off.

    6. Disconnect the cable from the negative (-) auxiliary battery terminal, and wait for at least 90 seconds.

    7. Using a service wire, connect terminals 29 (+SR) and 27 (-SR) of connector B.

      Note:

      Do not forcibly insert the service wire into the terminals of the connector when connecting a service wire.

    8. Measure the resistance according to the value(s) in the table below.

      Standard Resistance

      Tester Connection

      Condition

      Specified Condition

      AG10-1 (+SR) - AG10-2 (-SR)

      Always

      Below 1 Ω

    9. Disconnect the service wire from connector B.

    10. Measure the resistance according to the value(s) in the table below.

      Standard Resistance

      Tester Connection

      Condition

      Specified Condition

      AG10-1 (+SR) - AG10-2 (-SR)

      Always

      1 MΩ or higher

      AG10-1 (+SR) - Body ground

      Always

      1 MΩ or higher

      AG10-2 (-SR) - Body ground

      Always

      1 MΩ or higher

    Result

    Proceed to

    OK

    NG

    OK

    REPLACE ENGINE ROOM MAIN WIRE

    NG

    REPLACE INSTRUMENT PANEL WIRE