ELECTRONICALLY CONTROLLED BRAKE SYSTEM SYSTEM DIAGRAM

C279471E14
C313846E05
C346884E02
C347636E01
C316491E04
C298058E12
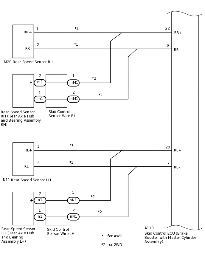
C346885E03
C346886E02

Transmitting ECU (Transmitter)

Receiving ECU

Signal

Communication Method

Skid control ECU (Brake booster with master cylinder assembly)

Power steering ECU assembly

  • Target steering angle signal

  • Wheel speed signal

  • Vehicle speed signal

CAN communication line

Power steering ECU assembly

Skid control ECU (Brake booster with master cylinder assembly)

Sensor check (TS terminal) signal

CAN communication line

Main body ECU (Multiplex network body ECU)

Skid control ECU (Brake booster with master cylinder assembly)

  • Hood courtesy switch signal

  • Back door courtesy switch signal

  • Driver's side seat belt buckle switch signal

CAN communication line

Skid control ECU (Brake booster with master cylinder assembly)

Hybrid vehicle control ECU

  • Wheel speed signal

  • Electronically controlled brake system data signal

CAN communication line

Hybrid vehicle control ECU

Skid control ECU (Brake booster with master cylinder assembly)

  • Shift information signal

  • Ready status signal

  • Actual torque data signal

CAN communication line

Skid control ECU (Brake booster with master cylinder assembly)

Steering angle sensor (Spiral with sensor cable sub-assembly)

Steering angle sensor request signal

CAN communication line

Steering angle sensor (Spiral with sensor cable sub-assembly)

Skid control ECU (Brake booster with master cylinder assembly)

Steering angle sensor signal

CAN communication line

Skid control ECU (Brake booster with master cylinder assembly)

Yaw rate and acceleration sensor (Airbag ECU assembly)

Yaw rate and acceleration request signal

CAN communication line

Yaw rate and acceleration sensor (Airbag ECU assembly)

Skid control ECU (Brake booster with master cylinder assembly)

Yaw rate and acceleration signal

CAN communication line

Skid control ECU (Brake booster with master cylinder assembly)

Combination meter assembly

  • ABS warning light signal

  • Brake warning light / red (malfunction) signal

  • Brake warning light / yellow (minor malfunction) signal

  • Slip indicator light signal

  • VSC OFF indicator light signal

  • Multi-information display (TRC OFF) signal

  • Meter buzzer signal

CAN communication line

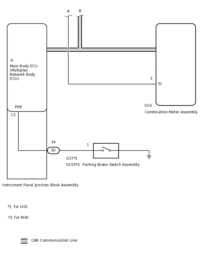
Main body ECU (Multiplex network body ECU)

Skid control ECU (Brake booster with master cylinder assembly)

Parking brake switch signal

CAN communication line