POWER DOOR LOCK CONTROL SYSTEM All Doors LOCK/UNLOCK Functions do not Operate Via Door Control Switch or Door Key Cylinder

DTC Code DTC Name
All Doors LOCK/UNLOCK Functions do not Operate Via Door Control Switch or Door Key Cylinder

DESCRIPTION

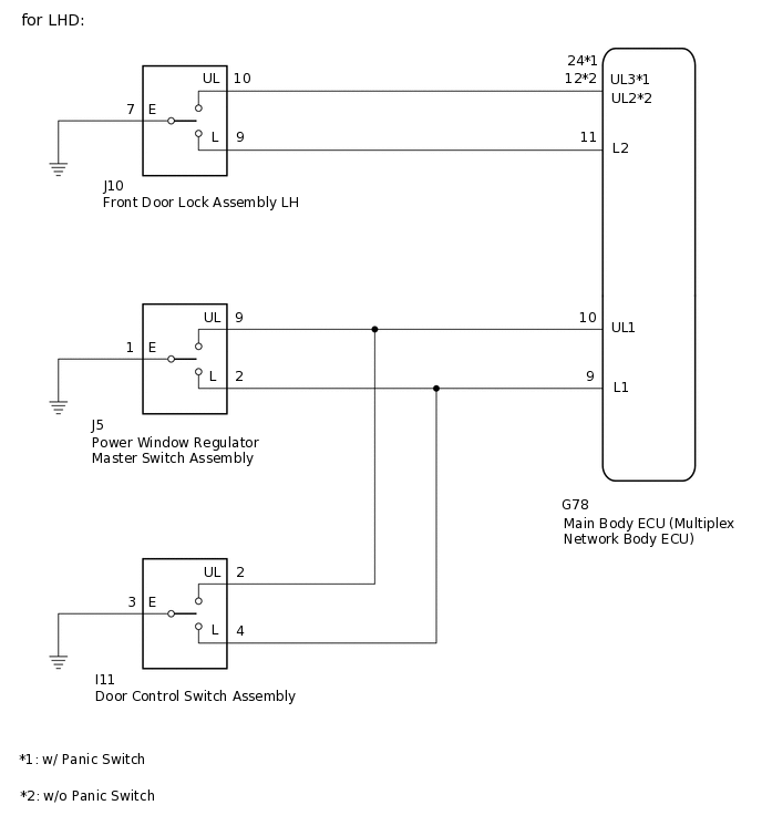
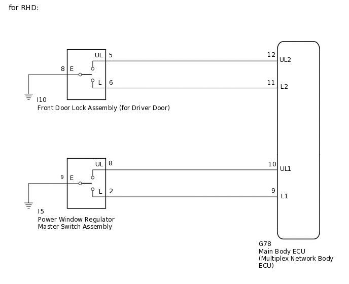
The main body ECU (multiplex network body ECU) receives switch signals from the power window regulator master switch assembly, door control switch assembly, driver door key cylinder lock or unlock switch signals from the front door lock assembly RH*1 or front door lock assembly LH*2. The main body ECU (multiplex network body ECU) activates the door lock motor on each door according to these signals.

  • *1: for RHD

  • *2: for LHD

WIRING DIAGRAM

B336417E04
B298281E31

CAUTION / NOTICE / HINT

Note:

When replacing the main body ECU (multiplex network body ECU), make sure to replace it with a new one.

PROCEDURE

  1. CHECK DOOR LOCK OPERATION

    1. Check door lock operation.

      Click hereClick here

    Result

    Result

    Proceed to

    All doors cannot be locked by power window regulator master switch assembly

    A

    All doors cannot be locked by door control switch assembly (w/ Door Control Switch Assembly)

    B

    All doors cannot be locked by driver door key cylinder

    C

    B

    READ VALUE USING GTS (Door Lock SW-Lock, Door Lock SW-Unlock)Click here

    C

    READ VALUE USING GTS (Door Key SW-Lock, Door Key SW-Unlock)Click here

    A
  2. READ VALUE USING GTS (Door Lock SW-Lock, Door Lock SW-Unlock)

    1. Connect the GTS to the DLC3.

    2. Turn the power switch to ON.

    3. Turn the GTS on.

    4. Enter the following menus: Body Electrical / Main Body / Data List.

    5. Read the Data List according to the display on the GTS.

      Body Electrical > Main Body > Data List

      Tester Display

      Measurement Item

      Range

      Normal Condition

      Diagnostic Note

      Door Lock SW-Lock

      Door control switch (power window regulator master switch assembly) lock signal

      ON or OFF

      ON: Lock side of door control switch (power window regulator master switch assembly) pushed

      OFF: Lock side of door control switch (power window regulator master switch assembly) not pushed

      -

      Door Lock SW-Unlock

      Door control switch (power window regulator master switch assembly) unlock signal

      ON or OFF

      ON: Unlock side of door control switch (power window regulator master switch assembly) pushed

      OFF: Unlock side of door control switch (power window regulator master switch assembly) not pushed

      -

      Body Electrical > Main Body > Data List

      Tester Display

      Door Lock SW-Lock

      Door Lock SW-Unlock

      OK

      The GTS indicates ON or OFF according to the switch operation shown in the table.

    Result

    Proceed to

    OK

    NG

    OK

    REPLACE MAIN BODY ECU (MULTIPLEX NETWORK BODY ECU)

    for LHD:Click here

    for RHD:Click here

    NG

    INSPECT POWER WINDOW REGULATOR MASTER SWITCH ASSEMBLYClick here

  3. READ VALUE USING GTS (Door Lock SW-Lock, Door Lock SW-Unlock)

    1. Connect the GTS to the DLC3.

    2. Turn the power switch to ON.

    3. Turn the GTS on.

    4. Enter the following menus: Body Electrical / Main Body / Data List.

    5. Read the Data List according to the display on the Techstream.

      Body Electrical > Main Body > Data List

      Tester Display

      Measurement Item

      Range

      Normal Condition

      Diagnostic Note

      Door Lock SW-Lock

      Door control switch assembly lock signal

      ON or OFF

      ON: Lock side of door control switch assembly pushed

      OFF: Lock side of door control switch assembly not pushed

      -

      Door Lock SW-Unlock

      Door control switch assembly unlock signal

      ON or OFF

      ON: Unlock side of door control switch assembly pushed

      OFF: Unlock side of door control switch assembly not pushed

      -

      Body Electrical > Main Body > Data List

      Tester Display

      Door Lock SW-Lock

      Door Lock SW-Unlock

      OK

      The GTS indicates ON or OFF according to the switch operation shown in the table.

    Result

    Proceed to

    OK

    NG

    OK

    REPLACE MAIN BODY ECU (MULTIPLEX NETWORK BODY ECU)

    for LHD:Click here

    NG

    INSPECT DOOR CONTROL SWITCH ASSEMBLYClick here

  4. INSPECT POWER WINDOW REGULATOR MASTER SWITCH ASSEMBLY

    1. for LHD:

      1. Remove the power window regulator master switch assembly.

        Click here

      2. Inspect the power window regulator master switch assembly.

        Click here

    2. for RHD:

      1. Remove the power window regulator master switch assembly.

        Click here

      2. Inspect the power window regulator master switch assembly.

        Click here

    Result

    Proceed to

    OK

    NG

    NG

    REPLACE POWER WINDOW REGULATOR MASTER SWITCH ASSEMBLY

    OK
  5. CHECK HARNESS AND CONNECTOR (POWER WINDOW REGULATOR MASTER SWITCH ASSEMBLY - MAIN BODY ECU [MULTIPLEX NETWORK BODY ECU] AND BODY GROUND)

    1. for LHD

      1. Disconnect the G78 main body ECU (multiplex network body ECU) connector.

      2. Measure the resistance according to the value(s) in the table below.

        Standard Resistance

        Tester Connection

        Condition

        Specified Condition

        J5-2 (L) - G78-9 (L1)

        Always

        Below 1 Ω

        J5-9 (UL) - G78-10 (UL1)

        J5-1 (E) - Body ground

        J5-2 (L) or G78-9 (L1) - Body ground

        Always

        10 kΩ or higher

        J5-9 (UL) or G78-10 (UL1) - Body ground

    2. for RHD

      1. Disconnect the G78 main body ECU (multiplex network body ECU) connector.

      2. Measure the resistance according to the value(s) in the table below.

        Standard Resistance

        Tester Connection

        Condition

        Specified Condition

        I5-2 (L) - G78-9 (L1)

        Always

        Below 1 Ω

        I5-8 (UL) - G78-10 (UL1)

        I5-9 (E) - Body ground

        I5-2 (L) or G78-9 (L1) - Body ground

        Always

        10 kΩ or higher

        I5-8 (UL) or G78-10 (UL1) - Body ground

    Result

    Proceed to

    OK

    NG

    OK

    REPLACE MAIN BODY ECU (MULTIPLEX NETWORK BODY ECU)

    for LHD:Click here

    for RHD:Click here

    NG

    REPAIR OR REPLACE HARNESS OR CONNECTOR

  6. READ VALUE USING GTS (Door Key SW-Lock, Door Key SW-Unlock)

    1. Connect the GTS to the DLC3.

    2. Turn the power switch to ON.

    3. Turn the GTS on.

    4. Enter the following menus: Body Electrical / Main Body / Data List.

    5. Read the Data List according to the display on the GTS.

      Body Electrical > Main Body > Data List

      Tester Display

      Measurement Item

      Range

      Normal Condition

      Diagnostic Note

      Door Key SW-Lock

      Driver door key-linked lock/unlock switch lock signal

      ON or OFF

      ON: Driver door key cylinder turned to lock position

      OFF: Driver door key cylinder not turned to lock position

      -

      Door Key SW-Unlock

      Driver door key-linked lock/unlock switch unlock signal

      ON or OFF

      ON: Driver door key cylinder turned to unlock position

      OFF: Driver door key cylinder not turned to unlock position

      -

      Body Electrical > Main Body > Data List

      Tester Display

      Door Key SW-Lock

      Door Key SW-Unlock

      OK

      The GTS indicates ON or OFF according to the key cylinder operation shown in the table.

    Result

    Proceed to

    OK

    NG

    OK

    REPLACE MAIN BODY ECU (MULTIPLEX NETWORK BODY ECU)

    for LHD:Click here

    for RHD:Click here

    NG

    INSPECT FRONT DOOR LOCK ASSEMBLY (for Driver Door)Click here

  7. INSPECT DOOR CONTROL SWITCH ASSEMBLY

    1. Remove the door control switch assembly.

      Click here

    2. Inspect the door control switch assembly.

      Click here

    Result

    Proceed to

    OK

    NG

    NG

    REPLACE DOOR CONTROL SWITCH ASSEMBLY

    OK
  8. CHECK HARNESS AND CONNECTOR (DOOR CONTROL SWITCH ASSEMBLY - MAIN BODY ECU [MULTIPLEX NETWORK BODY ECU] AND BODY GROUND)

    1. Disconnect the G78 main body ECU (multiplex network body ECU) connector.

    2. Disconnect the I11 door control switch assembly connector.

    3. Disconnect the J5 power window regulator master switch assembly connector.

    4. Measure the resistance according to the value(s) in the table below.

      Standard Resistance

      Tester Connection

      Condition

      Specified Condition

      I11-4 (L) - G78-9 (L1)

      Always

      Below 1 Ω

      I11-2 (UL) - G78-10 (UL1)

      I11-3 (E) - Body ground

      I11-4 (L) or G78-9 (L1) - Body ground

      Always

      10 kΩ or higher

      I11-2 (UL) or G78-10 (UL1) - Body ground

    Result

    Proceed to

    OK

    NG

    OK

    REPLACE MAIN BODY ECU (MULTIPLEX NETWORK BODY ECU)

    for LHD:Click here

    NG

    REPAIR OR REPLACE HARNESS OR CONNECTOR

  9. INSPECT FRONT DOOR LOCK ASSEMBLY (for Driver Door)

    1. for LHD:

      1. Remove the front door lock assembly LH.

        Click here

      2. Inspect the front door lock assembly LH.

        Click here

    2. for RHD:

      1. Remove the front door lock assembly RH.

        Click here

      2. Inspect the front door lock assembly RH.

        Click here

    Result

    Proceed to

    OK

    NG

    NG

    REPLACE FRONT DOOR LOCK ASSEMBLY (for Driver Door)

    OK
  10. CHECK HARNESS AND CONNECTOR (FRONT DOOR LOCK ASSEMBLY [for Driver Door] - MAIN BODY ECU [MULTIPLEX NETWORK BODY ECU] AND BODY GROUND)

    1. for LHD (w/ Door Control Switch Assembly)

      1. Disconnect the G78 main body ECU (multiplex network body ECU) connector.

      2. Measure the resistance according to the value(s) in the table below.

        Standard Resistance

        Tester Connection

        Condition

        Specified Condition

        J10-9 (L) - G78-11 (L2)

        Always

        Below 1 Ω

        J10-10 (UL) - G78-24 (UL3)

        J10-7 (E) - Body ground

        J10-9 (L) or G78-11 (L2) - Body ground

        Always

        10 kΩ or higher

        J10-10 (UL) or G78-24 (UL3) - Body ground

    2. for LHD (w/o Door Control Switch Assembly)

      1. Disconnect the G78 main body ECU (multiplex network body ECU) connector.

      2. Measure the resistance according to the value(s) in the table below.

        Standard Resistance

        Tester Connection

        Condition

        Specified Condition

        J10-9 (L) - G78-11 (L2)

        Always

        Below 1 Ω

        J10-10 (UL) - G78-12 (UL2)

        J10-7 (E) - Body ground

        J10-9 (L) or G78-11 (L2) - Body ground

        Always

        10 kΩ or higher

        J10-10 (UL) or G78-12 (UL2) - Body ground

    3. for RHD

      1. Disconnect the G78 main body ECU (multiplex network body ECU) connector.

      2. Measure the resistance according to the value(s) in the table below.

        Standard Resistance

        Tester Connection

        Condition

        Specified Condition

        I10-6 (L) - G78-11 (L2)

        Always

        Below 1 Ω

        I10-5 (UL) - G78-12 (UL2)

        I10-8 (E) - Body ground

        I10-6 (L) or G78-11 (L2) - Body ground

        Always

        10 kΩ or higher

        I10-5 (UL) or G78-12 (UL2) - Body ground

    Result

    Proceed to

    OK

    NG

    OK

    REPLACE MULTIPLEX NETWORK BODY ECU

    for LHD:Click here

    for RHD:Click here

    NG

    REPAIR OR REPLACE HARNESS OR CONNECTOR