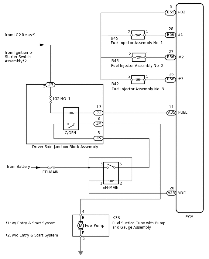
FUEL SYSTEM SYSTEM DIAGRAM

A331065E01