СИСТЕМА ЗАПУСКА И ОСТАНОВА, диагностический DTC: P0617

Код DTC Наименование DTC
P0617 Высокий уровень сигнала в цепи реле стартера

ОПИСАНИЕ

Если двигатель запускается системой запуска и останова, ЭБУ запуска и останова двигателя управляет работой стартера в сборе, активируя реле ST (включения шестерни стартера) посредством подачи напряжения с контакта STA, а затем посредством цепи задержки стартера активируя реле ST № 2 (включения электродвигателя стартера) посредством подачи напряжения с контакта STA2.

При обнаружении чрезмерного тока в цепи реле стартера ЭБУ запуска и останова двигателя сохраняет DTC P0617 и инициирует мигание контрольной лампы отключения системы запуска и останова.

№ DTC

Неисправность

Условие обнаружения DTC

Неисправный участок

Индикация предупреждения

Память

P0617

Высокий уровень сигнала в цепи реле стартера

В течение 1 с регистрируются оба следующих условия (логика диагностирования за 1 поездку):

  • Питание включено (IG)

  • Обнаружена перегрузка по току в реле ST или реле ST № 2.

  • Жгут проводов или разъем

  • Реле ST

  • Реле ST № 2

  • ЭБУ запуска и останова двигателя

Мигает

Код DTC сохраняется

ПРОВЕРОЧНАЯ ПОЕЗДКА

Tip:

Коды DTC системы запуска и останова не удаляются, даже если неисправность устранена. Поэтому после устранения неисправности необходимо самостоятельно удалить коды DTC.

Нажмите здесьClick here

  1. Tip:
    • Когда провод отсоединяется от вывода аккумуляторной батареи, работа системы запуска и останова запрещается до завершения режима восстановительной подзарядки.

      В этом случае необходимо дать автомобилю поработать на холостому ходу, чтобы завершить режим восстановительной подзарядки. Режим восстановительной подзарядки завершается, если значение параметра Data List "Status of Battery Charge Control" изменяется со значения "Refresh Charge Mode". (Как правило, режим восстановительной подзарядки завершается при работе двигателя на холостом ходу в течение от 5 до 60 минут при температуре электролита аккумуляторной батареи не менее 11°C (52°F).)

    • Если GTS не доступен и параметр режима Data List "Status of Battery Charge Control" невозможно проверить, зарядите аккумуляторную батарею, двигатель работает на холостом ходу в течение 5 – 60 мин или движения автомобиля, а затем совершите поездку на автомобиле и убедитесь, что система запуска и останова работает.

      Если двигатель запускается при открытом капоте, система определяет, что произошел запуск от внешнего источника. По этой причине убедитесь, что капот закрыт перед запуском двигателя и поездкой на автомобиле.

    • После завершения режима восстановительной подзарядки выключите зажигание и подождите не менее 30 с, а затем снова запустите двигатель. Если автомобиль снова переходит в режим восстановительной подзарядки во время работы двигателя на холостом ходу, первоначальный режим восстановительной подзарядки не был завершен должным образом, поэтому дождитесь полного завершения режима восстановительной подзарядки.

    • После прогрева двигателя дайте ему поработать на холостом ходу в течение 3 мин и убедитесь, что частота вращения коленчатого вала двигателя отличается от заданной частоты вращения не более чем на 50 об/мин.

    ПРОВЕРКА ПОСЛЕ УСТРАНЕНИЯ НЕИСПРАВНОСТИ

    1. Подключите GTS к DLC3.

    2. Включите зажигание (IG) и включите GTS.

    3. Сбросьте коды DTC.

      Нажмите здесьClick here

      Powertrain > Stop and Start > Clear DTCs

    4. Запустите и прогрейте двигатель.

    5. Совершите поездку на автомобиле со скоростью 7 км/час (4,3 мили в час) или выше.

      CAUTION:

      Во время поездки в проверочном режиме соблюдайте все ограничения скорости и правила дорожного движения.

    6. Нажмите на педаль тормоза и остановите двигатель.

    7. Оставьте двигатель остановленным системой запуска и останова не менее чем на 1 с. (Поддерживайте рычаг переключения передач в положении D.)

    8. Отпустите педаль тормоза, когда рычаг переключения передач находится в положении D, чтобы запустить двигатель.

    9. Убедитесь, что коды DTC не выводятся.

      Нажмите здесьClick here

      Powertrain > Stop and Start > Trouble Codes

  2. ПРОВЕРКА РАБОТЫ СИСТЕМЫ ЗАПУСКА И ОСТАНОВА

    Tip:
    • Когда провод отсоединяется от вывода аккумуляторной батареи, работа системы запуска и останова запрещается до завершения режима восстановительной подзарядки.

      В этом случае необходимо дать автомобилю поработать на холостому ходу, чтобы завершить режим восстановительной подзарядки. Режим восстановительной подзарядки завершается, если значение параметра Data List "Status of Battery Charge Control" изменяется со значения "Refresh Charge Mode". (Как правило, режим восстановительной подзарядки завершается при работе двигателя на холостом ходу в течение от 5 до 60 минут при температуре электролита аккумуляторной батареи не менее 11°C (52°F).)

    • Если GTS не доступен и параметр режима Data List "Status of Battery Charge Control" невозможно проверить, зарядите аккумуляторную батарею, двигатель работает на холостом ходу в течение 5 – 60 мин или движения автомобиля, а затем совершите поездку на автомобиле и убедитесь, что система запуска и останова работает.

      Если двигатель запускается при открытом капоте, система определяет, что произошел запуск от внешнего источника. По этой причине убедитесь, что капот закрыт перед запуском двигателя и поездкой на автомобиле.

    • После завершения режима восстановительной подзарядки выключите зажигание и подождите не менее 30 с, а затем снова запустите двигатель. Если автомобиль снова переходит в режим восстановительной подзарядки во время работы двигателя на холостом ходу, первоначальный режим восстановительной подзарядки не был завершен должным образом, поэтому дождитесь полного завершения режима восстановительной подзарядки.

    1. Запустите и прогрейте двигатель.

    2. Выключите систему кондиционирования.

    3. Совершите поездку на автомобиле со скоростью 7 км/час (4,3 мили в час) или выше.

      CAUTION:

      Во время поездки в проверочном режиме соблюдайте все ограничения скорости и правила дорожного движения.

    4. Нажмите на педаль тормоза и остановите двигатель.

    5. Дайте двигателю остановится под управлением системы запуска и останова. (Поддерживайте рычаг переключения передач в положении D.)

    6. Отпустите педаль тормоза, когда рычаг переключения передач находится в положении D, чтобы запустить двигатель.

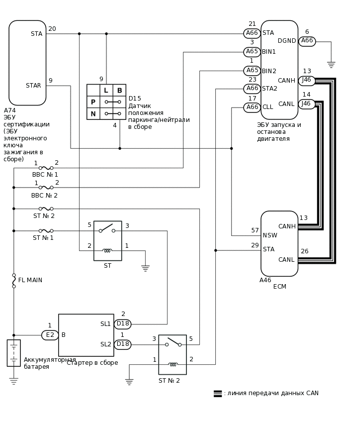
СХЕМА ЭЛЕКТРИЧЕСКИХ СОЕДИНЕНИЙ

A360657E08

ПРЕДОСТЕРЕЖЕНИЕ / ПРИМЕЧАНИЕ / УКАЗАНИЕ

Note:
  • Перед тем, как заменять ЭБУ запуска и останова двигателя, считайте число запусков стартера и общее количество запусков двигателя и запишите их в новый ЭБУ запуска и останова двигателя.

    Нажмите здесьClick here

  • После замены ЭБУ запуска и останова двигателя или блока управления системой кондиционирования выполните сброс и настройте данные системы кондиционирования в ЭБУ запуска и останова двигателя.

    Нажмите здесьClick here

  • После замены ЭБУ запуска и останова двигателя, ЭБУ системы SRS в сборе*1 или датчика замедления и рысканья*2 выполните удаление и калибровку "нуля" датчика замедления в ЭБУ запуска и останова двигателя.

    Нажмите здесьClick here

    • *1: для моделей с щитком приборов с оригинальной системой подсветки "Optitron"

    • *2: для моделей с щитком приборов с TFT-дисплеем

  • Перед выполнением последующей процедуры проверки проверьте плавкие предохранители цепей, относящихся к данной системе.

Tip:

Перед диагностикой считайте данные фиксированного набора параметров с помощью GTS. Одновременно с записью в память кода DTC состояние системы сохраняется в данных фиксированного набора параметров. Эта информация может быть полезна при поиске и устранении неисправностей.

Нажмите здесьClick here

ПОРЯДОК ВЫПОЛНЕНИЯ

  1. ПРОВЕРЬТЕ ЖГУТ ПРОВОДОВ И РАЗЪЕМ (ЭБУ ЗАПУСКА И ОСТАНОВА ДВИГАТЕЛЯ - ПРЕДОХРАНИТЕЛЬ BBC)

    1. Отсоедините разъем A65 ЭБУ запуска и останова двигателя.

    2. Извлеките предохранители BBC № 1 и BBC № 2 из блока реле № 1 и распределительного блока № 1 моторного отсека в сборе.

    3. Измерьте сопротивление в соответствии со значениями, приведенными в таблице ниже.

      Номинальное сопротивление

      Подключение диагностического прибора

      Условие

      Заданные условия

      A65-1 (BIN2) - контакт 1 предохранителя BBC № 2

      Всегда

      Менее 1 Ом

      A65-3 (BIN1) - контакт 2 предохранителя BBC № 2

      Всегда

      Менее 1 Ом

      A65-1 (BIN2) - масса

      Всегда

      10 кОм или более

      A65-3 (BIN1) - масса

      Всегда

      10 кОм или более

      Контакт 2 предохранителя BBC № 1 - масса

      Всегда

      10 кОм или более

      Контакт 2 предохранителя BBC № 2 - масса

      Всегда

      10 кОм или более

    Результат

    Перейти к

    OK

    НЕ СООТВ.

    НЕ СООТВ.

    ОТРЕМОНТИРУЙТЕ ИЛИ ЗАМЕНИТЕ ЖГУТ ПРОВОДОВ ИЛИ РАЗЪЕМ

    СООТВ
  2. ПРОВЕРЬТЕ ЖГУТ ПРОВОДОВ И РАЗЪЕМ (ЭБУ ЗАПУСКА И ОСТАНОВА ДВИГАТЕЛЯ — РЕЛЕ ST, ST № 2)

    1. Отсоедините разъемы A65 и A66 ЭБУ запуска и останова двигателя.

    2. Извлеките реле ST и ST № 2 из блока реле № 1 и распределительного блока № 1 моторного отсека в сборе.

    3. Извлеките предохранители BBC № 1 и BBC № 2 из блока реле № 1 и распределительного блока № 1 моторного отсека в сборе.

    4. Отсоедините разъем А74 ЭБУ сертификации (ЭБУ электронного ключа зажигания).

    5. Отсоедините разъем D15 датчика положения паркинга/нейтрали.

    6. Отсоедините разъем A46 ECM.

    7. Измерьте сопротивление в соответствии со значениями, приведенными в таблице ниже.

      Номинальное сопротивление

      Подключение диагностического прибора

      Условие

      Номинальное значение

      A66-21 (STA) - контакт 2 реле ST

      Всегда

      Менее 1 Ом

      A66-23 (STA2) - контакт 2 реле ST № 2

      Всегда

      Менее 1 Ом

      A66-21 (STA) - масса

      Всегда

      10 кОм или более

      Контакт 2 реле ST - масса

      Всегда

      10 кОм или более

      A66-23 (STA2) - масса

      Всегда

      10 кОм или более

      Контакт 2 реле ST № 2 - масса

      Всегда

      10 кОм или более

      A65-1 (BIN2) - A66-21 (STA)

      Всегда

      10 кОм или более

      A65-3 (BIN1) - A66-21 (STA)

      Всегда

      10 кОм или более

      A65-1 (BIN2) - A66-23 (STA2)

      Всегда

      10 кОм или более

      A65-3 (BIN1) - A66-23 (STA2)

      Всегда

      10 кОм или более

    Результат

    Перейти к

    OK

    НЕ СООТВ.

    НЕ СООТВ.

    ОТРЕМОНТИРУЙТЕ ИЛИ ЗАМЕНИТЕ ЖГУТ ПРОВОДОВ ИЛИ РАЗЪЕМ

    СООТВ
  3. ПРОВЕРЬТЕ ЭБУ ЗАПУСКА И ОСТАНОВА ДВИГАТЕЛЯ

    1. Отсоедините разъем ЭБУ запуска и останова двигателя.

      B412468C23

      *a

      Устройство с отсоединенным жгутом проводов

      (ЭБУ запуска и останова двигателя)

      -

      -

    2. Измерьте сопротивление в соответствии со значениями, приведенными в таблице.

      Номинальное сопротивление

      Подключение диагностического прибора

      Условие

      Заданные условия

      A66-21 (STA) - A66-6 (DGND)

      Всегда

      10 кОм или более

      A66-23 (STA2) - A66-6 (DGND)

      Всегда

      10 кОм или более

    Результат

    Перейти к

    OK

    НЕ СООТВ.

    НЕ СООТВ.

    ЗАМЕНИТЕ ЭБУ ЗАПУСКА И ОСТАНОВА ДВИГАТЕЛЯ

    Нажмите здесьClick hereClick here

    СООТВ
  4. ПРОВЕРЬТЕ РЕЛЕ (РЕЛЕ ST, ST № 2)

    1. Проверьте реле ST.

      Нажмите здесьClick here

    2. Проверьте реле ST № 2.

      Нажмите здесьClick here

    Результат

    Перейти к

    OK

    НЕ СООТВ.

    OK

    ВЫПОЛНИТЕ ПРОВЕРКУ С ИМИТАЦИЕЙ УСЛОВИЙ ВОЗНИКНОВЕНИЯ НЕИСПРАВНОСТИ

    Нажмите здесьClick hereClick hereClick hereClick here

    NG

    ЗАМЕНИТЕ РЕЛЕ (РЕЛЕ ST, РЕЛЕ ST № 2)