HYBRID CONTROL SYSTEM


  1. OUTLINE


    1. The hybrid system of this hybrid vehicle employs the LEXUS Hybrid Drive under the "Hybrid Synergy Drive" concept*.

      Tech Tips

      *: The "Hybrid Synergy Drive" concept consists of 4 key benefits: fuel efficiency, low emissions, seamless acceleration and silent performance.

    2. This hybrid vehicles use a combination of 2 kinds of power sources, such as an engine and electric motor, so as to take advantage of the benefits provided by each power source while compensating for each other's shortcomings. As a result, efficient operation is achieved.

    3. Hybrid vehicles do not need their batteries to be charged externally unlike conventional electric-only vehicles. Therefore, special infrastructure is not required to use hybrid vehicles.

    4. The hybrid system is a flexible system that uses a high-efficiency power unit and electric motors.

    5. Hybrid vehicles have high-voltage electrical circuits. Hybrid vehicles have been developed with consideration given to the protection of drivers and technicians against electrocution.

  2. SPECIFICATION

    Hybrid System
    Maximum System Output* 264 kW (353 HP)

    Tech Tips

    *: Maximum system output is the combined power of the engine and the electric motor.

    Motor Generator
    Item Specification
    Motor Generator No. 1 (MG1) Motor Generator No. 2 (MG2)
    Type Permanent Magnet Motor Permanent Magnet Motor
    Function Generates Electricity Starts Engine Drives Rear Wheels Generates Electricity
    Maximum System Voltage V DC 650 DC 650
    Maximum Output kW (HP) - 132 (177)
    Maximum Torque N*m (ft.*lbf) - 300 (221)
    Cooling System Water-cooled Water-cooled
    Inverter with Converter Assembly
    Boost Converter Rated Voltage (Inverter Side) DC 650 V
    Rated Voltage (HV Battery (HV Supply Battery Assembly) Side) DC 310.8 V
    Hybrid Vehicle Converter Assembly (DC-DC Converter) Rated Output Voltage DC 13.5 V - DC 15 V
    Maximum Output Current 150 A
    Cooling System
    Inverter Water Pump with Motor Assembly Motor Type Brushless
    Discharge Volume 12 L/min. (12.7 US qts, 10.6 Imp. qts) or Greater at 65°C (149°F)
    Inverter Coolant Type Toyota Genuine Super Long Life Coolant (SLLC) or Equivalent
    Color Pink
    Capacity 2.3 Liters (2.4 US qts, 2.0 Imp. qts)
    Maintenance Intervals First Time 240000 km (150000 miles)
    Subsequent Every 80000 km (50000 miles)
  3. MAIN FEATURES


    1. Hybrid vehicles have the following features:

      Features Outline
      Idle Stop (Reduction of Energy Loss) Idling of the engine is automatically stopped (idle stop) to reduce energy loss.
      EV Drive (Efficient Drive Control) This allows the vehicle to be driven using only the electric motor when engine efficiency is low. In addition, electricity is generated when engine efficiency is high. Control is performed to maximize the total efficiency of the vehicle.
      EV Mode If the driver operates the switch and the operating conditions are met, the vehicle can run on only the electric motor.
      Motor Assist An electric motor supplements the engine power when accelerating.
      Regenerative Braking (Energy Regeneration) During deceleration and while depressing the brake pedal, part of the energy that was lost as heat is collected as electrical energy to be reused, for example as motor power.
    2. Generally, there are 3 types of hybrid systems: a series-type hybrid system, a parallel-type hybrid system and a series/parallel-type hybrid system.


      1. Series-type Hybrid System


        • The motor rotates the wheels, and the engine acts as an electric power source for the motor using a generator.

          A004C06C01
          *1 Engine *2 Generator
          *3 Inverter *4 HV Battery (HV Supply Battery Assembly)
          *5 Motor - -
          A004CMG Mechanical Power Path B0049RK Electrical Power Path (DC)
          B0049OY Electrical Power Path (AC) - -
      2. Parallel-type Hybrid System


        • Both the engine and the motor directly rotate the wheels. In addition to supplementing the power of the gasoline engine, the electric motor can also serve as a generator to charge the high-voltage battery pack while the vehicle is in motion. Driving the vehicle with the motor only is also possible.

          A004CPUC01
          *1 Engine *2 Transmission
          *3 HV Battery (HV Supply Battery Assembly) *4 Inverter
          *5 Motor Generator - -
          A004CMG Mechanical Power Path B0049RK Electrical Power Path (DC)
          B0049OY Electrical Power Path (AC) - -
      3. Series/Parallel-type Hybrid System


        • Features of both a series-type hybrid system and a parallel-type hybrid system are combined. The system has 2 motor generators. Electricity can be generated by Motor Generator No. 1 (MG1) using engine power. The generated electricity is used to charge the HV battery (HV supply battery assembly) and/or also to power Motor Generator No. 2 (MG2).

          A004BYXC01
          *1 Engine *2 Power Split Device
          *3 HV Battery (HV Supply Battery Assembly) *4 Inverter
          *5 MG1 *6 MG2
          A004CMG Mechanical Power Path B0049RK Electrical Power Path (DC)
          B0049OY Electrical Power Path (AC) - -
    3. The LEXUS Hybrid Drive aims for a high-level simultaneous pursuit of ecology and power, which embodies the hybrid synergy drive concept.


      1. The LEXUS Hybrid Drive consists of mainly an engine, hybrid transmission, inverter with converter assembly and HV battery (HV supply battery assembly), and employs the series/parallel-type hybrid system.

        A004CFZC01
        *1 Engine *2 Hybrid Transmission (Hybrid Vehicle Transmission Assembly)
        *3 Power Split Device *4 Shift Device
        *5 MG1 *6 MG2
        *7 Inverter with Converter Assembly *8 Differential
        *9 HV Battery (HV Supply Battery Assembly) - -
        B0049P9 Mechanical Power Path B0049RK Electrical Power Path (DC)
        B0049OY Electrical Power Path (AC) - -
      2. The LEXUS Hybrid Drive optimally performs cooperative control of the high-output 8GR-FXS engine and the high-speed, high-output MG1 and MG2 in the L310 hybrid transmission (hybrid vehicle transmission assembly) that provides excellent transmission performance.

      3. Hybrid vehicles have 2 batteries that are used for different purposes. One is the HV battery (HV supply battery assembly) (nominal voltage of DC 310.8 V) that stores electrical power to drive the vehicle, and the other is the auxiliary battery (nominal voltage of DC 12 V) that supplies electrical power to the electrical components.

      4. Furthermore, hybrid vehicles use a variable-voltage system consisting of a high-output HV battery (HV supply battery assembly) with a nominal voltage of DC 310.8 V, a boost converter that boosts the operating voltage of the system to a maximum voltage of DC 650 V and an inverter that converts direct current and alternating current

      5. Since hybrid vehicles are not equipped with a conventional alternator, the high-voltage from the HV battery (HV supply battery assembly) is stepped down to approximately DC 14 V using a hybrid vehicle converter assembly (DC-DC converter) in order to charge the auxiliary battery. Also, the HV battery (HV supply battery assembly) regularly charges and discharges within the constant State of Charge (SOC) range while the vehicle is running, so, recharging from external power sources is not necessary.

        A004CMVC01
        *A LHD Models *B RHD Models
        *1

        Inverter with Converter Assembly


        • Boost Converter

        • Inverter

        • Hybrid Vehicle Converter Assembly (DC-DC Converter)

        *2 8GR-FXS Engine
        *3

        L310 Hybrid Transmission (Hybrid Vehicle Transmission Assembly)


        • Motor Generator No. 1 (MG1)

        • Motor Generator No. 2 (MG2)

        *4 Auxiliary Battery (DC 12 V)
        *5 HV Battery (HV Supply Battery Assembly) (DC 310.8 V) - -
  4. PRECAUTION


    1. Hybrid Vehicle High-voltage Safety Measures


      1. High-voltage safety is comprised of 2 points: insulation of high-voltage circuits and cut-off of high-voltage circuits. The hybrid system also detects whether or not a decrease in insulation resistance has occurred between the high-voltage system and body ground.

    2. Insulation of High-voltage Circuits


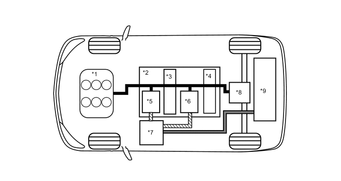
      1. High-voltage circuits are used between the HV battery (HV supply battery assembly), inverter with converter assembly, hybrid transmission (hybrid vehicle transmission assembly) and compressor with motor assembly. Each of these items is connected by a power cable and electrically insulated using cases and covers.

      2. Cables are also shielded using a mesh conductor built into the electrical insulation of the wires. The shielding is grounded to the chassis of the vehicle and the main purpose is to prevent electromagnetic interference.

        A004C9TC01
        *A LHD Models *B RHD Models
        *1 Compressor with Motor Assembly *2 Inverter with Converter Assembly
        *3 Power Cable *4 HV Battery (HV Supply Battery Assembly)
        *5 Service Plug Grip *6

        L310 Hybrid Transmission (Hybrid Vehicle Transmission Assembly)


        • Motor Generator No. 1 (MG1)

        • Motor Generator No. 2 (MG2)

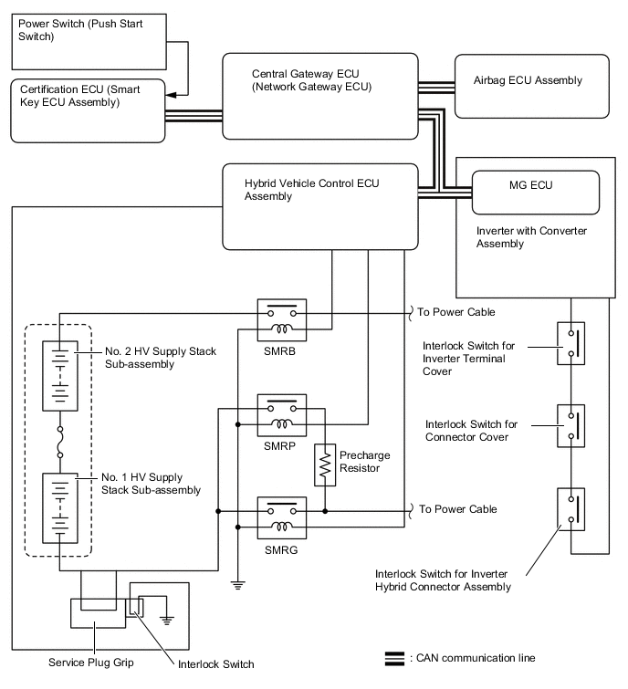
    3. Cut-off of High-voltage Circuits


      1. When any of the conditions below occurs, the System Main Relays (SMRs) are automatically shut off by the hybrid vehicle control ECU assembly.


        • Power switch (push start switch) is turned off.

        • Any airbag is deployed.

        • Inverter terminal cover is removed (interlock circuit is opened).

        • Connector cover assembly is removed (interlock circuit is opened).

        • Connector of the inverter hybrid connector assembly is disconnected (interlock circuit is opened).

        • Service plug grip handle is raised partway (interlock circuit is opened)*.

        • Specified malfunction occurs.

          Tech Tips

          *: The service plug grip should never be removed when the vehicle is in the on (READY) state.

      2. The service plug grip is used to cut off the high-voltage circuit manually for when service is to be performed on the vehicle.

        A004C1QE01

        CAUTION:

        Regarding discharge of the capacitor in the inverter with converter assembly: a charge remains in the high-voltage capacitor in the inverter with converter assembly after the high voltage circuits are shut down. When servicing a hybrid vehicle, after the service plug grip is removed, wait at least 10 minutes to allow the capacitor in the inverter to discharge before beginning work.