BRAKE CONTROL SYSTEM


  1. OUTLINE


    1. The following brake control functions are provided: Anti-lock Brake System (ABS), Electronic Brake force Distribution (EBD), Brake Assist, Traction Control (TRC), Vehicle Stability Control (VSC), trailer sway control, hill-start assist control, Brake Hold and Cooperative Control with EPS.

    2. A VSC OFF switch is used.

    3. Cooperative control with the EPS and AWD* system is used.


      • *: AWD models

  2. MAIN FEATURES


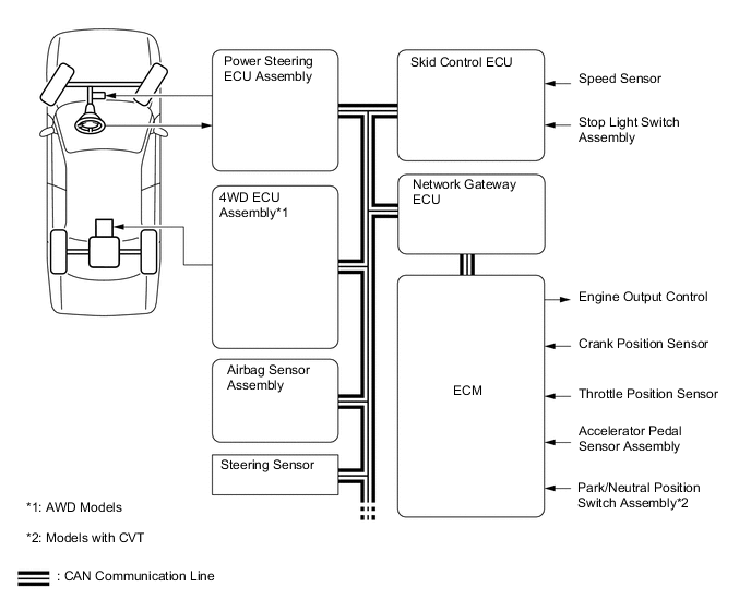
    1. Cooperative Control with EPS and AWD* system


      1. The cooperative control with EPS and AWD* system uses a cooperative control function that performs integrated control of the brake control system, Electric Power Steering (EPS) system and dynamic torque control AWD* system in accordance with driving conditions. Thus, the cooperative control with the EPS and AWD* system improves the dynamic performance of the vehicle to run, turn and stop, and enhances driving stability, driveability and acceleration performance during cornering.


        • *: AWD models

        A001MNNE02
  3. PRECAUTION


    1. When a brake control system is activated, the brake pedal may shudder. This is a normal occurrence of the system in operation and should not be considered a malfunction.

    2. The TRC and VSC functions control brake hydraulic pressure and engine output to enhance vehicle stability. Therefore, operate the VSC OFF switch (to stop the operation of the TRC and VSC functions) only when it is necessary.

    3. Ignition Switch Expressions


      1. The type of ignition switch used on this model differs depending on the specifications of the vehicle. The expressions listed in the table below are used in this section.

        Expression Ignition Switch (Position) Engine Switch (Condition)
        Ignition Switch off LOCK Off (Lock)
        Ignition Switch ACC ACC On (ACC)
        Ignition Switch ON ON On (IG)
        Engine Start START On (Start)