СИСТЕМА СТЕКЛООЧИСТИТЕЛЕЙ И СТЕКЛООМЫВАТЕЛЕЙ


  1. НАЗНАЧЕНИЕ ОСНОВНЫХ УСТРОЙСТВ

    Система передних стеклоочистителей
    Устройство Функция

    Переключатель стеклоочистителя ветрового стекла в сборе


    • Переключатель стеклоочистителя

    • Регулятор интервала включения*1

    • Переключатель Auto*2

    • Регулятор чувствительности датчика дождя*2

    • Выключатель стеклоомывателя


    • Устанавливает положение переключателя стеклоочистителя, состояние вкл/выкл выключателя стеклоомывателя и регулятора интервала включения.*1

    • Устанавливает положение переключателя стеклоочистителя, состояние вкл./выкл. выключателя стеклоомывателя, регулятора чувствительности датчика дождя*3 и регулятора интервала включения*3.*2

    Датчик дождя*2 Регистрирует дождь, когда переключатель AUTO (выключатель стеклоочистителя ветрового стекла в сборе) находится во включенном положении, и передает сигналы в реле стеклоочистителя ветрового стекла в сборе.

    Реле стеклоочистителя ветрового стекла в сборе*2


    • ЭБУ стеклоочистителя


    • Управляет функцией регистрации и контроля интенсивности дождя на основе заданного положения переключателя стеклоочистителя и сигналов, поступающих от датчика дождя и блок управления системой кондиционирования.

    • Обеспечивает управление передними стеклоочистителями в аварийном режиме работы, если в ЭБУ стеклоочистителя происходит неисправность.

    Электродвигатель стеклоочистителя ветрового стекла в сборе Работает под управлением переключателя стеклоочистителя ветрового стекла в сборе*1 и реле стеклоочистителя ветрового стекла в сборе*2 и приводит в действие рычаг переднего стеклоочистителя со щеткой переднего стеклоочистителя посредством тяги стеклоочистителя ветрового стекла в сборе.
    Тяга стеклоочистителя ветрового стекла в сборе Передает движение электродвигателя стеклоочистителя ветрового стекла в сборе рычагу переднего стеклоочистителя.
    Рычаг переднего стеклоочистителя Работает в зависимости от управления электродвигателем стеклоочистителя ветрового стекла в сборе.
    Держатель щетки переднего
    Насос и электродвигатель насоса стеклоомывателя ветрового стекла в сборе Приводится в действие в соответствии с сигналом от выключателя стеклоочистителя ветрового стекла в сборе.
    Узел форсунки стеклоомывателя Распыляет жидкость стеклоомывателя.
    Блок управления системой кондиционирования в сборе Передает сигналы скорости автомобиля в реле стеклоочистителя ветрового стекла в сборе.

    *1: для моделей без функции регистрации и контроля интенсивности дождя

    *2: для моделей с функцией регистрации и контроля интенсивности дождя

    *3: Когда с помощью настраиваемых параметров в Global TechStream (GTS) для функции регистрации и контроля интенсивности дождя установлено состояние "недоступно", режим регулятора чувствительности датчика дождя изменяется на режим с функцией регулировки интервала включения стеклоочистителей в зависимости от скорости автомобиля.

    Система заднего стеклоочистителя
    Устройство Функция

    Переключатель стеклоочистителя ветрового стекла в сборе


    • Переключатель стеклоочистителя

    • Выключатель стеклоомывателя

    Устанавливает положение переключателя стеклоочистителя и состояние вкл/выкл выключателя стеклоомывателя.
    Электродвигатель заднего стеклоочистителя в сборе Приводит в действие рычаг заднего стеклоочистителя со щеткой в сборе в соответствии с сигналом от переключателя стеклоочистителя ветрового стекла в сборе.
    Рычаг заднего стеклоочистителя Работает в зависимости от управления электродвигателем заднего стеклоочистителя в сборе.
    Щетка заднего стеклоочистителя
    Насос и электродвигатель насоса стеклоомывателя ветрового стекла в сборе Приводится в действие в соответствии с сигналом от выключателя стеклоочистителя ветрового стекла в сборе.
    Форсунка заднего стеклоомывателя Распыляет жидкость стеклоомывателя.
    Функция предупреждения о недостаточном уровне жидкости стеклоомывателя (для моделей с функцией предупреждения о недостаточном уровне жидкости стеклоомывателя)
    Устройство Функция
    Датчик уровня жидкости стеклоомывателя Передает сигнал предупреждения в щиток приборов в сборе, когда уровень жидкости стеклоомывателя падает ниже определенного значения.

    Щиток приборов в сборе


    • Мультиинформационный дисплей

    Отображает предупреждающее сообщение, если уровень жидкости стеклоомывателя ниже определенного значения.
  2. ФУНКЦИИ


    1. Система передних стеклоочистителей


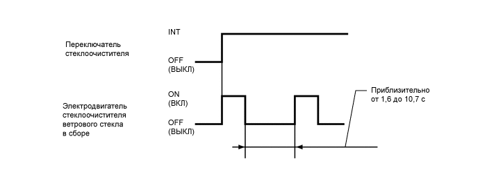
      1. Функция регулировки интервала включения (для моделей без функции регистрации и контроля интенсивности дождя)


        • Когда переключатель стеклоочистителя (переключатель стеклоочистителя ветрового стекла в сборе) установлен в положение прерывистого режима работы, время интервала можно отрегулировать от приблизительно 1,6 с до10,7 с посредством регулятора интервала включения.

        A01RGXYE02
      2. Функция согласования работы стеклоочистителя и стеклоомывателя (для моделей без функции регистрации и контроля интенсивности дождя)


        • Если выключатель стеклоомывателя (переключатель стеклоочистителя ветрового стекла в сборе) удерживается нажатым в течение не менее 0,5 с, жидкость стеклоомывателя распыляется и передние стеклоочистители работают в режиме LO. Если выключатель стеклоомывателя (переключатель стеклоочистителя ветрового стекла в сборе) удерживается нажатым в течение не менее 1,5 с, то передние стеклоочистители работают в режиме LO в течение 2,2 с и прекращают работать после выключения выключателя стеклоомывателя (переключателя стеклоочистителя ветрового стекла в сборе).

        A01RGMAE02
      3. Функция регистрации и контроля интенсивности дождя (для моделей с функцией регистрации и контроля интенсивности дождя)


        • Когда переключатель AUTO (выключатель стеклоочистителя ветрового стекла) находится во включенном положении, датчик дождя, закрепленный в верхней зоне ветрового стекла, определяет интенсивность дождя и освещенность окружающего пространства. Когда датчик дождя регистрирует наличие дождя, он передает сигнал оптимальных временных характеристик работы стеклоочистителей в ЭБУ стеклоочистителя (реле стеклоочистителя ветрового стекла в сборе) в зависимости от скорости автомобиля, освещенности окружающего пространства и измеренной интенсивности дождя.

        • ЭБУ стеклоочистителя (реле стеклоочистителя ветрового стекла в сборе) изменяет режим работы электродвигателя стеклоочистителя ветрового стекла, как показано в таблице ниже, на основании сигналов запроса включения стеклоочистителей, передаваемых датчиком дождя. Если из-за резкого увеличения интенсивности дождя, например, вследствие обрызгивания ветрового стекла, поступает сигнал запроса включения стеклоочистителей в режиме высокой скорости, стеклоочистители начинают непрерывно работать с высокой скоростью.

        • Датчик дождя также определяет освещенность окружающего пространства. Если освещенность изменяется, например, из-за въезда автомобиля в туннель или выезда оттуда, датчик дождя передает сигнал запроса включения стеклоочистителей в соответствии с ситуацией, что обеспечивает более комфортную работу стеклоочистителей.

        Действие стеклоочистителя
        Интенсивность дождя Во время движения Во время остановки
        Высокая Непрерывно (с высокой скоростью) Непрерывно (с низкой скоростью)
        ↓↑ Непрерывно (с низкой скоростью) Непрерывно (с низкой скоростью)
        ↓↑ Прерывисто с интервалом примерно 0,6 с Прерывисто с интервалом примерно 0,8 с
        ↓↑ Прерывисто с интервалом примерно 1,2 с Прерывисто с интервалом примерно 1,6 с
        ↓↑ Прерывисто с интервалом примерно 2,1 с Прерывисто с интервалом примерно 3,1 с
        ↓↑ Прерывисто с интервалом примерно 3,5 с Прерывисто с интервалом примерно 5,4 с
        ↓↑ Прерывисто с интервалом примерно 5,9 с Прерывисто с интервалом примерно 9,7 с
        ↓↑ Прерывисто с интервалом примерно 10,1 с Прерывисто с интервалом примерно 17,5 с
        Низкая Прерывисто с интервалом примерно 17,9 с Прерывисто с интервалом примерно 32,7 с
        Нет обнаруженных объектов Не приведен в действие Не приведен в действие
      4. Функция регулировки чувствительности датчика дождя (для моделей с функцией регистрации и контроля интенсивности дождя)


        • Когда переключатель AUTO (выключатель стеклоочистителя ветрового стекла) включен, можно регулировать чувствительность датчика дождя с помощью переключателя чувствительности для изменения временных параметров работы стеклоочистителей.

      5. Функция согласования работы стеклоочистителей и омывателя для предотвращения каплеобразования (для моделей с функцией регистрации и контроля интенсивности дождя)


        • Когда выключатель стеклоочистителя ветрового стекла находится в положении OFF (ВЫКЛ) или AUTO, при включении выключателя стеклоомывателя стеклоочистители начинают работать в режиме низкой скорости одновременно с распылением жидкости стеклоомывателя.

        • После выключения стеклоомывателя стеклоочиститель трижды сработает в режиме LO.

        • Когда выключатель стеклоомывателя включается приблизительно на 0,5 секунды и более, и скорость автомобиля составляет не более 4 км/час (2 мили в час), как показано на следующей диаграмме, по окончании этой операции стеклоочистители срабатывают еще один раз.

        A01RGGOE01
      6. Функция регулировки интервала включения стеклоочистителей в зависимости от скорости автомобиля (для моделей с функцией регистрации и контроля интенсивности дождя)


        • Когда переключатель стеклоочистителя (выключатель стеклоочистителя ветрового стекла) находится в положении прерывистого режима работы, осуществляется 3-ступенчатое регулирование интервала включения стеклоочистителей в соответствии с положением автоматического регулятора и скоростью автомобиля.

        • В пределах каждого поддиапазона интервал включения регулируется бесступенчато.

        A01RGXOE15
      7. Функция переключения режима работы в зависимости от скорости автомобиля (для моделей с функцией регистрации и контроля интенсивности дождя)


        • Если автомобиль останавливается, когда переключатель стеклоочистителя (переключатель стеклоочистителя ветрового стекла в сборе) находится в положении низкой скорости, режим работы передних стеклоочистителей меняется на INT автоматически.

        • Когда переключатель стеклоочистителя (переключатель стеклоочистителя ветрового стекла в сборе) переключается из любого положения, кроме низкой скорости, в положение низкой скорости, передние стеклоочистители 3 раза приводятся в действие в режиме LO.

        A01RGBLE04

        • Когда переключатель стеклоочистителя ветрового стекла находится в положении LO, и автомобиль останавливается, стеклоочиститель дважды приводится в действие в режиме LO. Через некоторое время он переключается в прерывистый режим работы с интервалами примерно 2,5 с. Если во время работы стеклоочистителя в прерывистом режиме автомобиль начинает движение, стеклоочиститель автоматически возвращается в режим LO.

  3. Функция работы в аварийном режиме


    1. Если во время работы функции регистрации и контроля интенсивности дождя выключатель стеклоочистителя ветрового стекла в сборе обнаруживает неисправность, выполняются следующие действия:

      Неисправность Условие
      Сбой сигнала передачи данных Если происходит сбой сигнала системы передачи данных LIN, система управления сохраняет тот же режим управления, который действовал до возникновения сбоя.
      Неисправность датчика дождя Если возникает неисправность в датчике дождя, включается прерывистый режим работы, соответствующий положению автоматического регулятора.
      Неисправность датчика дождя по температуре Если температура датчика дождя становится чрезмерно высокой или низкой, управление прекращается.
      Низкое напряжение на датчике дождя Если напряжение в цепи питания датчика дождя становится низким, система управления сохраняет тот же режим управления, который действовал до возникновения неисправности.