BRAKE CONTROL SYSTEM


  1. CONSTRUCTION


    1. The brake actuator assembly consists of the brake actuator portion and skid control ECU.

      B004HAEC01
      *a Brake Actuator Portion *b Skid Control ECU
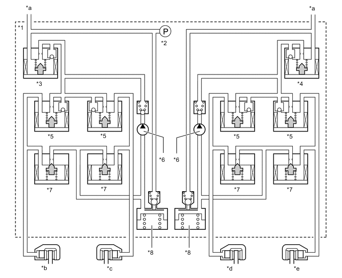
    2. The actuator portion consists of 2 master cylinder cut solenoid valves, 4 pressure holding solenoid valves, 4 pressure reduction solenoid valves, 2 pumps, 2 reservoirs, and a master cylinder pressure sensor.

      B004H29C02
      *1 Brake Actuator Assembly *2 Master Cylinder Pressure Sensor
      *3 No. 1 Master Cylinder Cut Solenoid Valve *4 No. 2 Master Cylinder Cut Solenoid Valve
      *5 Pressure Holding Solenoid Valve *6 Pump
      *7 Pressure Reduction Solenoid Valve *8 Reservoir
      *a From Master Cylinder *b Rear Brake LH
      *c Rear Brake RH *d Front Brake LH
      *e Front Brake RH - -