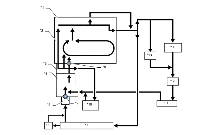
| *1 | Cylinder Head Sub-assembly | *2 | Cylinder Block Sub-assembly |
| *3 | Engine Side Module (Water Inlet Housing) | *4 | Engine Water Pump Assembly |
| *5 | Water Inlet | *6 | Radiator Reserve Tank Assembly |
| *7 | Radiator Assembly | *8 | Thermostat (Cylinder Block Side) |
| *9 | Thermostat | *10 | Oil Cooler Assembly |
| *11 | ATF Warmer | *12 | Electric Water Pump Assembly |
| *13 | Throttle Body with Motor Assembly | *14 | Heater Core |