РЕГУЛИРУЕМАЯ АДАПТИВНАЯ ПОДВЕСКА


  1. КОНСТРУКЦИЯ


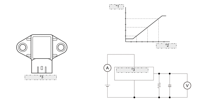
    1. Датчик ускорения определяет вертикальное перемещение кузова.

      A01F62QE01
      *1 Выходное напряжение
      *2 Разгон
      *3 Датчик ускорения
    2. Предусмотрено 3 датчика ускорения. Один из низ встроен в ЭБУ амортизатора. Таким образом, датчики ускорения независимо измеряют вертикальные составляющие ускорения.

      Figure 1. для моделей с левосторонним рулевым управлением

      A01F6B7C02
      *1 Датчик ускорения (передний) *2

      ЭБУ амортизатора


      • Датчик ускорения

      *3 Датчик ускорения (задний) - -

      Figure 2. Модели с правосторонним рулевым управлением

      A01F68BC01
      *1 Датчик ускорения (передний) *2

      ЭБУ амортизатора


      • Датчик ускорения

      *3 Датчик ускорения (задний) - -