СИСТЕМА SFI


  1. ФУНКЦИИ


    1. На моделях с интеллектуальной системой посадки и запуска предусмотрена функция полуавтоматического запуска двигателя. Данная функция начинает управлять стартером после нажатия выключателя зажигания, если в это же время удерживается нажатой педаль тормоза, и рычаг переключения передач находится в положении P или N, и действует до запуска двигателя. Таким образом, предотвращается включение стартера на недостаточное время. Также коленчатый вал двигателя не прокручивается стартером после запуска.

    2. В данной системе реализованы следующие функции безопасности:


      • Стартер не может быть запущен во время работы двигателя.

      • Как только двигатель запустится, стартер выключается, даже если выключатель зажигания остается нажатым.

      • В целях защиты электродвигателя стартера он может работать не более 30 с.

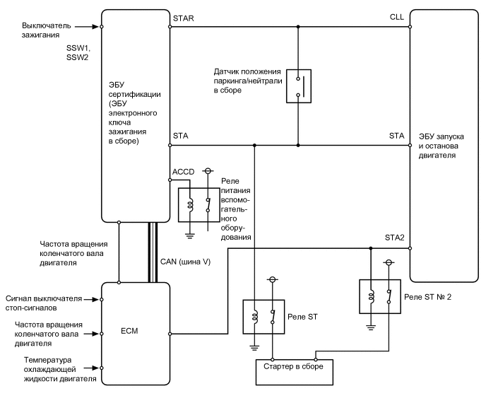
    3. Для моделей с системой запуска и останова:


      1. Если при первом запуске двигателя ЭБУ сертификации (ЭБУ электронного ключа зажигания) получает сигнал запуска от выключателя зажигания, этот ЭБУ передает сигнал управления на реле ST через датчик положения паркинга/нейтрали, когда рычаг переключения передач находится в положении P или N, а ЭБУ запуска и останова двигателя передает сигнал управления на реле ST № 2 для включения стартера. При этом ЭБУ сертификации (ЭБУ электронного ключа зажигания) выключает сигнал включения реле ACC (ACCD), предотвращая мерцание подсветки щитка приборов, часов и панели аудиосистемы.

      2. При запуске двигателя в режиме управления выключением холостого хода ЭБУ запуска и останова двигателя передает сигналы управления для реле ST и реле ST № 2 в зависимости от состояния автомобиля, чтобы включить стартер.

      3. Во время прокручивания коленчатого вала двигателя стартером ЭБУ сертификации (ЭБУ электронного ключа зажигания) и/или ЭБУ запуска и останова двигателя продолжает передавать сигнал управления для реле ST и реле ST № 2 до тех пор, пока не будет зарегистрирован успешный запуск двигателя. Если и когда ЭБУ сертификации (ЭБУ электронного ключа зажигания) и ECM определяют, что двигатель запущен успешно, передача сигнала в ЭБУ сертификации (ЭБУ электронного ключа зажигания) и/или ЭБУ запуска и останова двигателя для реле ST и реле ST № 2 прекращается.

      4. Частота вращения коленчатого вала двигателя, при которой определяется успешный запуск двигателя, основывается на температуре охлаждающей жидкости двигателя.

        A01OGI8E11
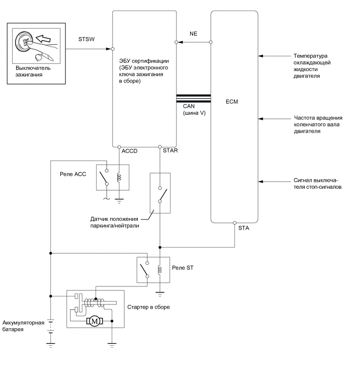
    4. Для моделей без системы запуска и останова:


      1. Когда ЭБУ сертификации (ЭБУ электронного ключа зажигания) обнаруживает сигнал запуска (STSW), ЭБУ сертификации (ЭБУ электронного ключа зажигания) формирует управляющий сигнал реле ST стартера (STAR). Сигнал подается на реле ST через датчик положения паркинга/нейтрали в сборе. При получении этого сигнала реле ST включает стартер в сборе. В это время ЭБУ сертификации (ЭБУ электронного ключа зажигания в сборе) выключает реле ACC, снимая питание с контакта ACCD. Выключение реле ACC предотвращает мерцание приборов, часов и дисплея аудиосистемы.

      2. После завершения сеанса связи между ЭБУ сертификации (ЭБУ электронного ключа зажигания в сборе) и блоком управления двигателем, ЭБУ сертификации (ЭБУ электронного ключа зажигания в сборе), используя полученный из блока управления двигателем по прямой линии сигнал частоты вращения коленчатого вала двигателя (NE), определяет время отключения стартера.

      3. Во время прокручивания коленчатого вала двигателя стартером ЭБУ сертификации (ЭБУ электронного ключа зажигания в сборе) продолжает подавать питание на реле стартера ST до тех пор, пока не будет зарегистрирован запуск двигателя. После регистрации запуска двигателя ЭБУ сертификации (ЭБУ электронного ключа зажигания в сборе) выключает реле стартера ST.

        A01OGHGE04
      4. Если двигатель не запускается даже после того, как коленчатый вал прокручивается стартером в течение примерно 30 с, реле ST выключается для защиты электродвигателя стартера.

        A01OGI2E06