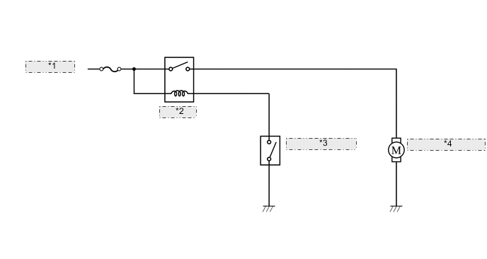
СИСТЕМА ФИКСАЦИИ ТОПЛИВНОЙ КРЫШКИ

A018G9RE01
*1 От аккумуляторной батареи
*2 Блокировка топливной крышки
*3 Выключатель системы фиксации топливной крышки
*4 Устройство блокировки топливной крышки с электродвигателем в сборе