СИСТЕМА РУЛЕВОГО УПРАВЛЕНИЯ С УСИЛИТЕЛЕМ


  1. ПРИНЦИП РАБОТЫ


    1. Определение крутящего момента рулевого управления с усилителем и направления поворота рулевого колеса


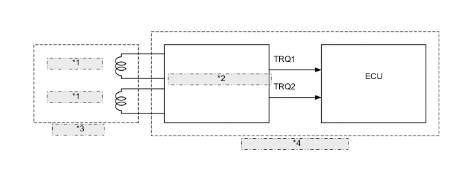
      1. Схема измерения крутящего момента, встроенная в ЭБУ рулевого управления с усилителем, формирует сигналы на выходах датчиков крутящего момента 1 (TRQ1) и 2 (TRQ2) в соответствии с сигналами от 2 катушек обнаружения датчиков.

      2. По сигналам TRQ1 и TRQ2 ЭБУ рулевого управления с усилителем определяет крутящий момент рулевого управления и направление поворота рулевого колеса.

        A018GCXE02
        *1 Катушка обнаружения
        *2 Схема измерения крутящего момента
        *3 Датчик крутящего момента
        *4 ЭБУ рулевого управления с усилителем
      3. Если водитель не поворачивает рулевое колесо, на выходы TRQ1 и TRQ2 выдается заданное напряжение (примерно 2,5 В). Пока выдается заданное напряжение, ЭБУ рулевого управления с усилителем считает, что крутящий момент рулевого управления равен нулю.

      4. Когда водитель поворачивает рулевое колесо вправо или влево, напряжение на выходах TRQ1 и TRQ2 изменяется, как показано на графике ниже. На основании этих изменений ЭБУ рулевого управления с усилителем в сборе определяет крутящий момент рулевого управления и направление поворота рулевого колеса водителем.

        Figure 1. Выходные характеристики TRQ1 и TRQ2

        A018GT5E06